C12 тип напаянные режущие части YG8 карбида вольфрама c
Применение: Паяя вставки карбида для делать разделяя инструменты и резцы для проточки канавок
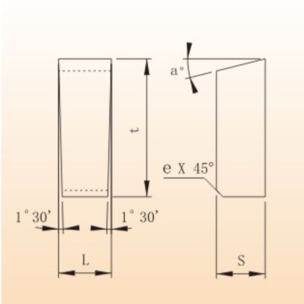
| Тип | Размер (mm) | ||||
| L | t | S | e | a° | |
| C303 | 3,5 | 12 | 3 | - | - |
| C304 | 4,5 | 14 | 4 | 0,8 | 14 |
| C305 | 5,5 | 17 | 5 | 0,8 | 14 |
| C306 | 6,5 | 17 | 6 | 0,8 | 14 |
| C308 | 8,5 | 20 | 7 | 0,8 | 14 |
| C310 | 10,5 | 22 | 8 | 0,8 | 14 |
| C312 | 12,5 | 22 | 10 | 0,8 | 14 |
| C316 | 16,5 | 25 | 11 | 1,2 | 14 |
Чертежи как ниже:

Продукция и тест напаянных режущих частей карбида:
1)Напаянные режущие части карбида начнут подготовить порошок согласно требованию к клиента с нашей влажн-меля машиной
2) Перед массовым производством, нам нужно сделать пробу отжимая и спекая, и мы проверяем возникновения и размеры образцов с микрометром для обеспечения что чертежей можно соотвествовать перед серийным производством
3) Ссыпает продукция, отжимает сырье для того чтобы сформировать пробелы, и подсказки карбида должны быть проведены полумануфактурным осмотром.
4) пробелы синтера, который нужно закончить (HIP) и закончили - осмотр продуктов для обеспечения самых лучших качества и производственной мощности.
Проводник к применениям напаянных режущих частей цементированного карбида
Структура инструментов напаянных режущих частей должна быть жестка достаточно.
Достаточная твердость будет гарантирована максимальным - позволяемые размеры подсказок и путем использование довольно сильных стальных ранга и термической обработки.
Подсказки цементированного карбида должны сильно быть зафиксированы безопасно.
Подсказки цементированного карбида должны иметь безопасное фиксирование и гарантировано каннелюрами держателей инструмента и качеством в заварке, поэтому каннелюры держателей инструмента необходимо выбрать основанный на формах и геометрических параметрах подсказок.
Перед сваривать подсказки к держателям инструмента, проверку необходимо сделать на подсказках и держателях инструмента. Начальную проверку необходимо сделать для обеспечения что никакой серьезный гнуть на поверхности поддержки подсказок. Будет никакая серьезная карбюризация на сваривая поверхности подсказок и в то же время, загрязняющие елементы на поверхности подсказок и в каннелюрах держателей инструментов необходимо исключить для обеспечения качества безопасной заварки.
Требования для сваривая материалов.
Для того чтобы вытерпеть твердость заварки, соответствующий сваривая материал необходимо выбрать во время заварки, хорошие смачиваемость и протекаемость необходимо гарантировать и шарики воздуха должны быть получили ехать обеспечить достаточный контакт сваривая материала и поверхности подсказок, который нужно сварить не выходящ ничего быть сваренным.
Требования для потока в сваривая процессе.
Порекомендовано что промышленная бура быть использованным. Прежде чем польза буры, его должна быть dewatered в сушилке и после этого филирована и профильтрована для того чтобы получить освобожданной чужих объектов.
Во время заварки подсказок цементированного карбида точного размера зерна с высоким титаном и низким карбидом содержания кобальта и длинных и тонких цементированным наклоняет его порекомендует, что шиммы компенсации толщины 0.2-0.5mm или подобные шиммы с отверстиями 1-2mm уменьшить стресс в сваривая процессе.
По мере того как подсказки цементированного карбида довольно хрупки и самые чувствительные к образованию отказов, чрезмерное топление или быстрый охлаждать необходимо предотвратить в молоть инструментов и в то же время, абразивные диски с соотвествующим размером зерна и твердость необходимо выбрать и свойственный меля метод для избежания отказов в молоть краев подсказок и для влияния продолжительности жизни инструментов.
Когда инструменты установлены, длина подсказок протягивая инструменты должна быть как можно более менее, по мере того как в противном случае, вибрация инструментов произойдет таким образом повреждающ подсказки цементированного карбида.
Когда инструменты приходят к нормальной затупленности, их необходимо перезаточить, края и радиус краев необходимо смолоть с камнями масла после того как инструменты земны для увеличения продолжительности жизни и надежности инструментов.