Согнутая цепь ролика транспортера связи для нагрузки Paver
Быстрые детали:
|
Место происхождения: Чжэцзян, Китай |
Фирменное наименование: UCER |
|
Номер модели: Нестандартная конструкция |
Структура: Цепь ролика |
|
Функция: Цепь транспортера |
Материал: СПЛАВ, 40Cr |
|
Стандартный или нештатный: Нештатный |
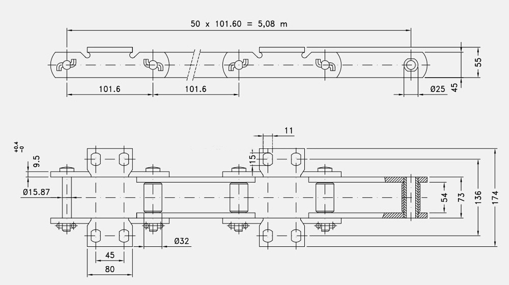
Имя цепей транспортера: Согнутая цепь ролика транспортера связи |
|
Тип цепи транспортера: Согнутая цепь связи |
OEM или не: Смог размер OEM |
|
Термическая обработка: Все цепные части проходят термическую обработку |
Цвет: Черный серый цвет |
|
Поверхностное покрытие: Снятый рихтовать |
Тангаж цепи транспортера: 101.6mm |
|
Материал ролика цепного штыря: 40Cr |
Упаковка: Стандарт |
|
Size&capacity: Пожалуйста ссылка на форму |


Пакуя доставка доставки

Детали доставки:
Порекомендуйте продукты

Наше обслуживание
1. Обслуживание поставки OEM/ODM UCER цепное.
2. Мы производили все виды стандартных цепей и особенной цепи: Управляя цепь, цепь земледелия, цепь транспортера, длинная цепь транспортера тангажа, цепь нержавеющей стали, подъемная цепь, цепь мотоцикла, упала выкованная цепь Rivetless и так далее.
