Короткая цепь ролика транспортера тангажа с цепью связи приложения K2 двойной бортовой согнутой
Быстрые детали:
Место происхождения: Чжэцзян, Китай
Фирменное наименование: UCER
Номер модели: P80 P80F3
Структура: Цепь ролика
Функция: Цепь транспортера
Стандартный или нештатный: Стандарт
имя ролика цепное: Высококачественная цепь транспортера пиломатериала цепи зуба
тип цепи транспортера: цепь с attchments
Обслуживание OEM: примите
термическая обработка: все цепные части проходят термическую обработку
Цвет: черный серый цвет
тангаж цепи зуба: 76 mm
диаметр штыря: 29,24 mm
диаметр ролика: 48,26 mm
создатель продукции: Изготовитель Китая
size&capacity: ссылка pls на форму
Способность поставки: 10000 метр/метров в месяц
Спецификация


| Цепь НЕТ. | P | H | h | h2 максимальное | G |
| mm | |||||
| 50F21 | 15,875 | 40 | 20 | 13 | 48 |

| Цепь НЕТ. | P | L | h | H |
| mm | ||||
| 16B-1180 | 25,4 | 46 | 12,2 | 22,5 |

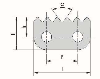
| Цепь НЕТ. | P | L | h | H | α |
| mm | |||||
| 25HF5-6STC | 6,35 | 5,8 | 8,8 | 12,2 | 90° |
| 16B-1185 | 25,4 | 46 | 16 | 26,5 | 75° |
| 16B-6STC | 25,4 | 46 | 16 | 26,5 | 73.4° |

| Цепь НЕТ. | P | L | h | H | α |
| mm | |||||
| 16B-2STCF1 | 25,4 | 15 | 24,75 | 24,75 | 88° |
| 20A-2STCF1 | 31,75 | 23 | 35,95 | 35,95 | 80° |
| 20A-2STCF3 | 31,75 | 23 | 35,95 | 35,95 | 82° |

| Цепь НЕТ. | P | h | H |
| mm | |||
| 24B-1810 | 38,1 | 19 | 35,5 |
| 120F6 | 38,1 | 21 | 38,5 |

| Цепь НЕТ. | P | L | h |
| mm | |||
| 16BF6 | 25,4 | 46 | 30 |
| 16BF5 | 25,4 | 48,8 | 22,9 |

| Цепь НЕТ. | P | h | H |
| mm | |||
| P80 | 80 | 30 | 58 |
| Цепь НЕТ. | Тангаж | Диаметр ролика | Ширина между внутренними плитами | Диаметр Pin | Длина Pin | Толщина плиты | Прочность на растяжение Ultimte | Средняя прочность на растяжение | Permeter веса | |
| P | d1 максимальное | минута b1 | d2 максимальное | L максимальный | Lc максимальный | T максимальный | Qmin | Q0 | q | |
| mm | kN/bf | KN | kg/m | |||||||
| P80 | 80 | 42 | 24 | 15 | 55 | 60 | 6 | 250/56818 | 275 | 11,3 |

| Цепь НЕТ. | Тангаж | Диаметр ролика | Ширина между внутренними плитами | Диаметр Pin | Длина Pin | Толщина плиты | Прочность на растяжение Ultimte | Средняя прочность на растяжение | Permeter веса | |
| P | d1 максимальное | минута b1 | d2 максимальное | L максимальный | Lc максимальный | T максимальный | Qmin | Q0 | q | |
| mm | kN/bf | KN | kg/m | |||||||
| P80F3 | 80 | 30 | 32 | 15 | 58,6 | 62,6 | 5 | 98/20909 | 107 | 9,12 |
| P80F32 | 80 | 30 | 30 | 15 | 63 | 72 | 6 | 112/25194 | 123,2 | 7,28 |
Пакуя доставка доставки
Упаковывая детали: Упаковка: цепь зуба + поли сумка + индивидуальная коробка + деревянный случай
Порт: Шанхай, Нинбо

Детали доставки:
Порекомендуйте продукты

Наше обслуживание
1. Обслуживание поставки OEM/ODM UCER цепное.
2. Мы производили все виды стандартных цепей и особенной цепи: Управляя цепь, цепь земледелия, цепь транспортера, длинная цепь транспортера тангажа, цепь нержавеющей стали, подъемная цепь, цепь мотоцикла, упала выкованная цепь Rivetless и так далее.
