Стекло UL 249-14 3A 350V 4 x 15mm сплавляет для балластов, взрывателя RoHS отставания по времени стеклянного
Быстрая деталь:
Описание:
Взрыватели отставания по времени серии 3A 350V RTP (медленного дуновения) доступны в форме патрона или с осевыми руководствами. Эта серия обеспечивает такие же режимные характеристики как свои двойники 3AG, пока занимающ 1/3 космоса.
Применения:
Балласты освещения электроники
Спецификации:
1. Применимый объем
|
номер |
volltage |
настоящий |
номер утверждения |
|
1 |
250V |
1A~3.15A |
CQC11012061981 |
|
2 |
250V |
500mA ~5A |
CQC11012058774 |
|
CQC11012061982 |
|||
|
3 |
250V |
1A ~3.15A |
40034581 |
|
4 |
250V |
500mA ~5A |
40032053 |
|
5 |
350V |
100mA ~10A |
E340427 |

|
номера |
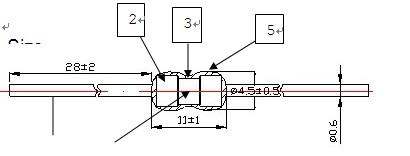
Имя частей |
материалы |
|
1 |
Подводящий провод |
Олово гальванического омеднения |
|
2 |
Крышка конца |
Медная плакировка никеля |
|
3 |
керамическая пробка |
керамический |
|
4 |
Элемент |
Провод сплава |
|
⑤ |
Горячая усушка |
Горячее shrinkagetube |
|
Объясните Подводящий провод: Ведите только концы игр и электрод и роль электрических свойств продукт не может позволять разложение функции
Керамическая пробка: К исправленным играм и поддержке
Крышка конца: С 58% | 62% из латуни для основания, и плакировкой никеля для того чтобы предотвратить оксидацию
Плавкие пластины: Ключевые части решенных спецификаций течения взрывателя
1. Маркировать
Ярлык продуктов в крышке конца 2, покрывает a и покрывает b, для следующего план-графика
Например
Покройте a: Расклассифицированное volltage current+Rated (100mA~10A) A Крышка b: Символ Type+manufacture одобренный logo+ (опционный) cURus 350V
Размер не определенных слов, и должен быть очень легок для того чтобы прочитать.
Не будут любые замечательные пятно, ржавчина или отказ на возникновениях.
2. Часть испытания
5,1 Механически характеристики
A. Растяжимое испытание
Когда взрыватель фикчирован и растяжимое усилие 5N приложено в направлении для того чтобы одолжить. После испытания, будет никакое замечательное повреждение к взрывателям.
B. Испытание тяги Когда взрыватель фикчирован и тяга 2N приложена в направлении для того чтобы одолжить. После испытания, будет никакое замечательное повреждение к взрывателям
Испытание C.Bending
Условие для испытаний: Усилие 5N приложено; количество загибов будет одним. После испытания, будет никакое замечательное повреждение к взрывателям.
2,2 Электрические характеристики
Все испытания в ℃ ± 5 температуры 25 окружающей среды; Родственник humidity45%~75%
5.2.1 Над испытанием нагрузки
Когда течение в следующей таблице проходит взрыватель, свое время отверстия должно быть в соответствии с требованиями в следующей таблице, т.е., pre-образовывая дугу временем. Сверх того, ни повреждение взрывател-пробки ни разрушать крышки произойдут. 5.2.2 Испытание разрывной мощности
Расклассифицированная разрывная мощность: И после этого испытания, должно быть никакое повреждение взрывател-пробки или разрушать крышек. После этого испытания, сопротивление изоляции между крышками конца будет не чем 0.1MΩ.
350V: Расклассифицированный AC 100A
5.2.3 поднимать температуры
На 100% времена электрического тока номинальности проходят взрыватель, после достижения термального баланса, температура на взрывателе поверхностный поднимать нет более высоко чем 75℃. |
|
Испытывая течение |
Дуя время |
|
100% |
4 часа минимального |
|
200% |
60 sec Макс |
|
1000% |
минута 10ms |
Кривый ИТ

I2T: Плавя интеграл
|
Настоящий |
I2T |
Настоящий |
I2T |
|
100mA |
0,002 |
1.25A |
1,3 |
|
125mA |
0,003 |
1.5A |
1,6 |
|
160mA |
0,005 |
1.6A |
2,5 |
|
200mA |
0,01 |
2A |
5,8 |
|
250mA |
0,02 |
2.5A |
7,6 |
|
300mA |
0,04 |
3A |
8,1 |
|
315mA |
0,045 |
3.15A |
11 |
|
350mA |
0,055 |
3.5A |
19 |
|
400mA |
0,07 |
4A |
28 |
|
500mA |
0,1 |
5A |
40 |
|
630mA |
0,2 |
6A |
50 |
|
750mA |
0,35 |
6.3A |
64 |
|
800mA |
0,45 |
8A |
133 |
|
1A |
0,9 |
10A |
242 |
ПАКУЮЩ (справка, согласно требованию упаковывать)
большое часть 500 сплавляет согласно с полиэтиленовый пакет, 4 полиэтиленового пакета в внутреннюю коробку, 10 внутренних коробок в наружную коробку.
В действительности смогите быть основано на требованиях к заказов клиента
Конкурентное преимущество:
1. Поставка фабрики сразу
2. Законченные сертификаты как UL, VDE, TUV, etc и высокомарочное доступное
3. Быстрая поставка
4. Самые лучшие послепродажные обслуживания
OEM & ODM доступные
Сертификаты
