Взрыватель 32 в лезвия автомобиля ОДМ УЛ МАКСИ, автоматический мини блок взрывателя для автоматического предохранителя против похищения
Краткие сведения
Благодаря «технологии диффузионных таблеток» MAXI Fuse обеспечивает превосходные характеристики временной задержки и низкое тепловыделение.Предохранитель MAXI, разработанный и запатентованный компанией Littelfuse, идеально подходит для электродвигателей с большими пусковыми токами.
Подходит для автоматического освещения, автоматической защиты от кражи, ИБП и т. Д. Также применяется для электронных продуктов низкого напряжения, небольших трансформаторов, электронных игрушек, зарядных устройств и так далее.Плавкие предохранители имеют цветовую маркировку для облегчения определения силы тока.Вместо.
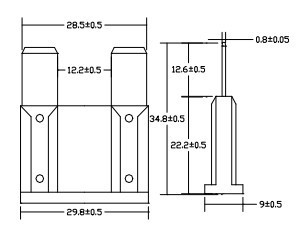
2. Структура и размер (единица измерения: мм)

3. Детали материала
|
НЕТ. |
Наименование |
Материал |
|
1 |
пластиковая корочка |
Пластик |
|
2 |
Цинк Кусок |
Цинк |
4. Знак и внешний вид
4.1 Метка на предохранителе должна быть четкой
4.2 На обоих колпачках предохранителя должны быть следующие метки
А: Номинальный ток
4.3 Внешний вид предохранителя должен быть чистым, без пятен, окислов и т.п.Пластиковая корка не должна быть повреждена, загрязнена и т.д.
5. Электрические характеристики
5.1 Условия испытаний
Все электрические испытания проводятся при температуре окружающей среды 25±5℃.
5.2 Цветовая маркировка:
|
Ток (А) |
Цвет |
Ток (А) |
Цвет |
|
20 |
ЖЕЛТЫЙ |
70 |
загар |
|
30 |
ЗЕЛЕНЫЙ |
80 |
ЕСТЕСТВЕННЫЙ |
|
40 |
АПЕЛЬСИН |
100 |
ПУРПУРНЫЙ |
|
50 |
КРАСНЫЙ |
|
|
|
60 |
СИНИЙ |
|
|
5.3.Времятоковые характеристики
|
Рейтинг |
время выдувания |
|
110% |
>4ч |
|
135% |
0,75 с~1800 с |
|
200% |
0,15 с~ 5 с |
Конкурентное преимущество
1.Заводская поставка напрямую
2. Завершенные сертификаты, такие как UL, VDE, SGS и т. д., и высокое качество.
3. Быстрая доставка
4. Лучшее послепродажное обслуживание
5. OEM и ODM доступны
