Очень высокая точность (5 µV) нул перемещается усилители v micropower 5 рабочие
Особенности
Очень высокая точность и стабильность: возмещенное µV максимальное на °C 25, напряжения тока 5 µV 8 над полным входом и выходом Рельс-к-рельса диапазона температур (- °C 40 к °C 125)
Низкая подача напряжения: 1,8 до 5,5 v
Потребление низкой мощности: µA 40 максимальное на 5 v
Продукт ширины полосы частот увеличения: 400 КГц
Высокая устойчивость к ESD: 4 kV HBM
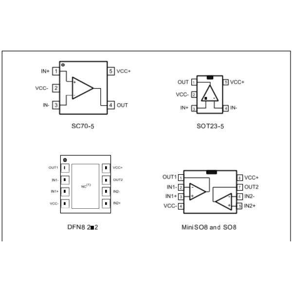
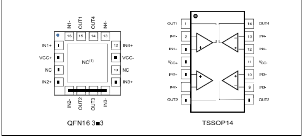
Выдвинутый диапазон температур: -40 до 125 Микро-пакетов °C: SC70-5, DFN8 2x2, и QFN16 3x3
Преимущества
Более высокая точность без тарировки
Точность виртуально без изменений изменением температуры
Родственные продукты
Усилители точности непрерывн-времени SeeTSV711orTSV731for
Применения
использующие энергию Батаре применения
Портативные приборы
Формирование сигнала
Медицинское инструментирование
Описание
Серии TSZ12x усилителей высокой точности рабочих предлагают очень низкие напряжения тока смещения входного сигнала с
виртуально нул смещений.
TSZ121 одиночные версия, TSZ122 двойная версия, и TSZ124 версия квадрацикла, с pinouts совместимыми с индустриальными стандартами.
Серия TSZ12x предлагает вход и выход рельс-к-рельса, превосходный коэффициент скорости/расхода энергии, и продукт ширины полосы частот увеличения 400 КГц, пока уничтожающ меньше µA чем 40 на 5 V. Приборы также отличают ультра-низким током смещения входного сигнала.
Эти особенности делают идеал семьи TSZ12x для интерфейсов датчика, использующих энергию батаре применений и портативных применений.


Абсолютный максимум оценок и эксплуатационных режимов
Таблица 1: Абсолютный максимум оценок (AMR)
| Символ | Параметр | Значение | Блок | |
| VCC | Подача напряжения (1) | 6 |
V |
|
| Vid | Ввод напряжения дифференциала (2) | ±VCC | ||
| Vin | Ввод напряжения (3) | (VCC-) - 0,2 до (VCC+) + 0,2 | ||
| Iin | Течение входного сигнала (4) | 10 | мамы | |
| Tstg | Температура хранения | -65 до 150 | °C | |
| Tj | Максимальная температура соединения | 150 | ||
|
Rthja |
Соединение термального сопротивления к |
SC70-5 | 205 |
°C/W |
| SOT23-5 | 250 | |||
| DFN8 2x2 | 57 | |||
| MiniSO8 | 190 | |||
| SO8 | 125 | |||
| QFN16 3x3 | 39 | |||
| TSSOP14 | 100 | |||
|
ESD |
HBM: модель человеческого тела (7) | 4 | kV | |
| MM: модель машины (8) | 300 | V | ||
| CDM: порученная модель прибора (9) | 1,5 | kV | ||
| Невосприимчивость захвата | 200 | мамы | ||
Примечания:
значения (1) все напряжения тока, за исключением дифференциального напряжения тока по отношению к заземлительному зажиму сети.
(2) дифференциальное напряжение тока не-переворачивая терминал входного сигнала по отношению к переворачивая терминалу входного сигнала.
(3) Vcc - Vin не должно превысить 6 v, Vin не должно превысить 6 v
(4) течение входного сигнала должно быть ограничено резистором последовательно с входными сигналами.
(5) Rth типичные значения.
(6) коротких замыканий могут причинить чрезмерное топление и разрушительную диссипацию.
(7) модель человеческого тела: 100 pF discharged через резистор 1,5 kΩ между 2 штырями прибора, сделанными для всех пар комбинаций штыря с другой плавать штырей.
модель машины (8): 200 крышка pF поручен к определенному напряжению тока, тогда discharged сразу между 2 штырями прибора без внешнего резистора серии (внутреннего резистора < 5="">
(9) порученная модель прибора: все штыри плюс пакет поручены совместно к определенному напряжению тока и после этого discharged сразу для того чтобы смолоть.
Таблица 2: Эксплуатационные режимы
| Символ | Параметр | Значение | Блок |
| VCC | Подача напряжения | 1,8 до 5,5 | V |
| Vicm | Ряд ввода напряжения единого режима | (VCC-) - 0,1 до (VCC+) + 0,1 | |
| Toper | Работая свободная температурная амплитуда температуры воздушной среды | -40 до 125 | °C |
3
Электрические характеристики
Таблица 3: Электрические характеристики на VCC+ = 1,8 v с VCC- = 0 v, Vicm = VCC/2, t = 25 ° c,
и RL = kΩ 10 подключенное с VCC/2 (если не указано иное)
| Символ | Параметр | Условия | MIN. | Тип. | Максимальный. | Блок |
| Представление DC | ||||||
| Vio | Напряжение тока смещения входного сигнала | T = °C 25 | 1 | 5 | μV | |
| -40 °C < T=""> | 8 | |||||
| ΔVio/ΔT | Входной сигнал возместил смещение напряжения тока (1) | -40 °C < T=""> | 10 | 30 | nV/°C | |
| Iib |
Ток смещения входного сигнала (Vout = VCC/2) |
T = °C 25 | 50 | 200(2) |
PA |
|
| -40 °C < T=""> | 300(2) | |||||
| Iio |
Входной сигнал возместил настоящее (Vout = VCC/2) |
T = °C 25 | 100 | 400(2) | ||
| -40 °C < T=""> | 600(2) | |||||
|
CMR |
Сброс единого режима коэффициент, журнал 20 (ΔVicm/ΔVio), Vic = 0 v до VCC, Vout = VCC/2, RL > 1 MΩ |
T = °C 25 | 110 | 122 |
dB |
|
| -40 °C < T=""> | 110 | |||||
| Avd | Большое увеличение напряжения тока сигнала, Vout = 0,5 v к (VCC до 0,5 v) | T = °C 25 | 118 | 135 | ||
| -40 °C < T=""> | 110 | |||||
| VOH | Высокопоставленное напряжение тока выхода | T = °C 25 | 30 |
mV |
||
| -40 °C < T=""> | 70 | |||||
| VOL. | Низкоуровневое напряжение тока выхода | T = °C 25 | 30 | |||
| -40 °C < T=""> | 70 | |||||
|
Iout |
Isink (Vout = VCC) | T = °C 25 | 7 | 8 |
мамы |
|
| -40 °C < T=""> | 6 | |||||
| Isource (Vout = 0 v) | T = °C 25 | 5 | 7 | |||
| -40 °C < T=""> | 4 | |||||
|
ICC |
Поставка настоящая (согласно с усилитель, Vout = VCC/2, RL > 1 MΩ) |
T = °C 25 | 28 | 40 |
μA |
|
| -40 °C < T=""> | 40 | |||||
| Представление AC | ||||||
| GBP | Продукт ширины полосы частот увеличения |
RL = 10 kΩ, CL = 100 pF |
400 | КГц | ||
| Fu | Частота увеличения единства | 300 | ||||
| ɸm | Допустимый предел участка | 55 | Градусы | |||
| Gm | Порог усиления | 17 | dB | |||
| СТАРШИЙ | Тариф ряда (3) | 0,17 | V/μs | |||
| ts | Устанавливать время | До 0.1%, Vin = 1 Vp-p, RL = 10 kΩ, CL = 100 pF | 50 | μs | ||
| en | Соответствующее напряжение тока шума входного сигнала | f = 1 КГц | 60 | nV/√ Hz | ||
| f = 10 КГц | 60 | |||||
| Cs | Разъединение канала | f = 100 Hz | 120 | dB | ||
| Символ | Параметр | Условия | MIN. | Тип. | Максимальный. | Блок |
| tinit | Время начинания | T = °C 25 | 50 | ps | ||
| -40 °C < T=""> | 100 |
TSZ121, TSZ122, TSZ124
Примечания:
(1) SeeSection 5,5: «Смещение напряжения тока смещения входного сигнала над температурой». Измерения смещения входного сигнала выполнены на конфигурации увеличения x100. Усилители и увеличение устанавливая резисторы на такой же температуре.
(2) гарантированный дизайн
значение тарифа ряда (3) высчитано как среднее между положительными и отрицательными тарифами ряда.
Таблица 4: Электрические характеристики на VCC+ = 3,3 v с VCC- = 0 v, Vicm = VCC/2, t = 25 ° c,
и RL = kΩ 10 подключенное с VCC/2 (если не указано иное)
| Символ | Параметр | Условия | MIN. | Тип. | Максимальный. | Блок |
| Представление DC | ||||||
| Vio | Напряжение тока смещения входного сигнала | T = °C 25 | 1 | 5 | μV | |
| -40 °C < T=""> | 8 | |||||
| ΔVio/ΔT | Входной сигнал возместил смещение напряжения тока (1) | -40 °C < T=""> | 10 | 30 | nV/°C | |
| Iib |
Ток смещения входного сигнала (Vout = VCC/2) |
T = °C 25 | 60 | 200(2) |
PA |
|
| -40 °C < T=""> | 300(2) | |||||
| Iio |
Входной сигнал возместил настоящее (Vout = VCC/2) |
T = °C 25 | 120 | 400(2) | ||
| -40 °C < T=""> | 600(2) | |||||
|
CMR |
Сброс единого режима коэффициент, журнал 20 (ΔVicm/ΔVio), Vic = 0 v до VCC, Vout = VCC/2, RL > 1 MΩ |
T = °C 25 | 115 | 128 |
dB |
|
| -40 °C < T=""> | 115 | |||||
| Avd | Большое увеличение напряжения тока сигнала, Vout = 0,5 v к (VCC до 0,5 v) | T = °C 25 | 118 | 135 | ||
| -40 °C < T=""> | 110 | |||||
| VOH | Высокопоставленное напряжение тока выхода | T = °C 25 | 30 |
mV |
||
| -40 °C < T=""> | 70 | |||||
| VOL. | Низкоуровневое напряжение тока выхода | T = °C 25 | 30 | |||
| -40 °C < T=""> | 70 | |||||
|
Iout |
Isink (Vout = VCC) | T = °C 25 | 15 | 18 |
мамы |
|
| -40 °C < T=""> | 12 | |||||
| Isource (Vout = 0 v) | T = °C 25 | 14 | 16 | |||
| -40 °C < T=""> | 10 | |||||
|
ICC |
Поставка настоящая (согласно с усилитель, Vout = VCC/2, RL > 1 MΩ) |
T = °C 25 | 29 | 40 |
μA |
|
| -40 °C < T=""> | 40 | |||||
| Представление AC | ||||||
| GBP | Продукт ширины полосы частот увеличения |
RL = 10 kΩ, CL = 100 pF |
400 | КГц | ||
| Fu | Частота увеличения единства | 300 | ||||
| ɸm | Допустимый предел участка | 56 | Градусы | |||
| Gm | Порог усиления | 19 | dB | |||
| СТАРШИЙ | Тариф ряда (3) | 0,19 | V/μs | |||
| ts | Устанавливать время | До 0.1%, Vin = 1 Vp-p, RL = 10 kΩ, CL = 100 pF | 50 | μs | ||
| en | Соответствующее напряжение тока шума входного сигнала | f = 1 КГц | 40 | nV/√ Hz | ||
| f = 10 КГц | 40 | |||||
| Cs | Разъединение канала | f = 100 Hz | 120 | dB | ||
| tinit | Время начинания | T = °C 25 | 50 | μs | ||
| -40 °C < T=""> | 100 | |||||
Таблица 5: Электрические характеристики на VCC+ = 5 v с VCC- = 0 v, Vicm = VCC/2, t = 25 ° c, и
RL = kΩ 10 подключенное с VCC/2 (если не указано иное)
| Символ | Параметр | Условия | MIN. | Тип. | Максимальный. | Блок |
| Представление DC | ||||||
| Vio | Напряжение тока смещения входного сигнала | T = °C 25 | 1 | 5 | μV | |
| -40 °C < T=""> | 8 | |||||
| ΔVio/ΔT | Входной сигнал возместил смещение напряжения тока (1) | -40 °C < T=""> | 10 | 30 | nV/°C | |
| Iib |
Ток смещения входного сигнала (Vout = VCC/2) |
T = °C 25 | 70 | 200(2) |
PA |
|
| -40 °C < T=""> | 300(2) | |||||
| Iio |
Входной сигнал возместил настоящее (Vout = VCC/2) |
T = °C 25 | 140 | 400(2) | ||
| -40 °C < T=""> | 600(2) | |||||
|
CMR |
Сброс единого режима коэффициент, журнал 20 (ΔVicm/ΔVio), Vic = 0 v до VCC, Vout = VCC/2, RL > 1 MΩ |
T = °C 25 | 115 | 136 |
dB |
|
| -40 °C < T=""> | 115 | |||||
|
SVR |
Сброс подачи напряжения коэффициент, журнал 20 (ΔVCC/ΔVio), VCC = 1,8 v до 5,5 v, Vout = VCC/2, RL > 1 MΩ |
T = °C 25 | 120 | 140 | ||
| -40 °C < T=""> | 120 | |||||
| Avd | Большое увеличение напряжения тока сигнала, Vout = 0,5 v к (VCC до 0,5 v) | T = °C 25 | 120 | 135 | ||
| -40 °C < T=""> | 110 | |||||
|
EMIRR (3) |
Тариф сброса EMI = журнал -20 (VRFpeak/ΔVio) |
VRF = 100 mVp, f = 400 MHz | 84 | |||
| VRF = 100 mVp, f = 900 MHz | 87 | |||||
| VRF = 100 mVp, f = 1800 MHz | 90 | |||||
| VRF = 100 mVp, f = 2400 MHz | 91 | |||||
| VOH | Высокопоставленное напряжение тока выхода | T = °C 25 | 30 |
mV |
||
| -40 °C < T=""> | 70 | |||||
| VOL. | Низкоуровневое напряжение тока выхода | T = °C 25 | 30 | |||
| -40 °C < T=""> | 70 | |||||
|
Iout |
Isink (Vout = VCC) | T = °C 25 | 15 | 18 |
мамы |
|
| -40 °C < T=""> | 14 | |||||
| Isource (Vout = 0 v) | T = °C 25 | 14 | 17 | |||
| -40 °C < T=""> | 12 | |||||
|
ICC |
Поставка настоящая (согласно с усилитель, Vout = VCC/2, RL > 1 MΩ) |
T = °C 25 | 31 | 40 |
μA |
|
| -40 °C < T=""> | 40 | |||||
| Представление AC | ||||||
| GBP | Продукт ширины полосы частот увеличения |
RL = 10 kΩ, CL = 100 pF |
400 | КГц | ||
| Fu | Частота увеличения единства | 300 | ||||
| ɸm | Допустимый предел участка | 53 | Градусы | |||
| Gm | Порог усиления | 19 | dB | |||
| СТАРШИЙ | Тариф ряда (4) | 0,19 | V/μs | |||
| Символ | Параметр | Условия | MIN. | Тип. | Максимальный. | Блок |
| ts | Устанавливать время | До 0.1%, Vin = 100 mVp-p, RL = 10 kΩ, CL = 100 pF | 10 | μs | ||
| en | Соответствующее напряжение тока шума входного сигнала | f = 1 КГц | 37 | nV/√ Hz | ||
| f = 10 КГц | 37 | |||||
| Cs | Разъединение канала | f = 100 Hz | 120 | dB | ||
| tinit | Время начинания | T = °C 25 | 50 | μs | ||
| -40 °C < T=""> | 100 |
Примечания:
См. раздел 5,5: «Смещение напряжения тока смещения входного сигнала над температурой». Измерения смещения входного сигнала выполнены на конфигурации увеличения x100. Усилители и увеличение устанавливая резисторы на такой же температуре.
(2) гарантированный дизайн
(3) испытани по пакет SC70-5
значение тарифа ряда (4) высчитано как среднее между положительными и отрицательными тарифами ряда.
ВАЖНОЕ ИЗВЕЩЕНИЕ – ПОЖАЛУЙСТА ПРОЧИТАЙТЕ ОСТОРОЖНО
STMicroelectronics NV и свой запас дочерних компаний («ST ") право сделать изменения, коррекции, повышения, изменения, и улучшения к продуктам ST и/или к этому документу в любое время без предварительного уведомления. Покупатели должны получить самую последнюю релевантную информацию на продуктах ST перед делать заказ заказы. Продукты ST проданы pursuant к условиям ST продажи на месте во время подтверждения заказа.
Покупатели единственно ответственны за выбор, выбор, и польза продуктов ST и ST не принимает никакой пассив для помощи применения или дизайн продуктов покупателей.
Никакая лицензия, срочный или подразумеванный, к любому праву интеллектуальной собственности не подарена ST здесь.
Перепродажа продуктов ST с обеспечениями отличающимися от информация установленная здесь опорожнит любую гарантию подаренную ST для такого продукта.
ST и логотип ST товарные знаки ST. Все другие имена продукта или обслуживания собственность их соответственно владельцев.
Информация в этом документе supersedes и заменяет информация ранее поставленная во всех прежних версиях этого документа.
© STMicroelectronics 2016 – все права защищены
Для получения более подробной информации, см. спецификации в связи