Характер продукции
Счетчик молнии настоящий (LCC) использован для того чтобы сосчитать номер discharging течение освещения различного прибора предохранения от молнии. LCC расширяет номер отсчета до 99 раз от одно число к 2 числа. LCC установлено к освещая настоящему discharging модулю, например, соедините LCC с зарывая линией прибора защиты от перенапряжения (SPD), старт с минимальным течением 1kA (8/20 s) с максимальным течением 150kA (8/20 s). Зафиксированные данные можно держать на один месяц когда сила отрезана. Работы LCC с настоящим взаимным индуктором (CMI). Катушка CMI соединена с линией PE SPD. 2 провода CMI подключены с 5-ыми и 6-ыми терминалами LCC. Когда пульсация случается, разрядки SPD освещая течение до земля и CMI индуктируют течение молнии. Освещая настоящие образцы будут приняты к LCC и будут обработаны внутренней интегральной схемаой, показывая номер отсчета на СИД отжимая кнопку на трубке СИД. 6 терминалов на LCC. 1-ые и 2-ые терминалы использованы для того чтобы поставить силу. 3-ие и 4-ые терминалы могут быть коротким замыканием так установили отсчет на нуль. 5-ые и 6-ые терминалы использованы для подключения 2 проводов CMI.
Счетчик забастовки без предупреждения цифров запишет сразу забастовки без предупреждения к внешней системе защиты молнии.
Основной характер
. 3 ширины стандартных модуля
. Индуктивная петля (ввод питания с зарывая кабелем защитных приспособлений пульсации)
. дисплей LCD 4 чисел, с набором и функцией возврата
. RM сигнализируя соединитель для индикации недостатка SPD
. Функция удаленной связи Modbus
. пара 1m длинная индуктивная
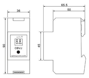
Размер

Преимущество:
Параметр SPD технологии (примечание: Согласно требованию к потребителя, могут быть подгонянные Uc=140V, 440V, 550V, ряд напряжения тока ряда SPD):
| Тип нет. | Расклассифицированная ООН напряжения тока (v) | Непрерывное напряжение тока Uc (V~) | Стандартный разряд тока в (KA) |
Максимальный разряд тока Imax (KA) |
Уровень защиты (KA~) | Время на ответ (ns) |
| DGM 1(2) - D5 | 220/380 |
275/320 385/420 |
5 | 10 | 1,2 | ≤25 |
| DGM 1(2) - D10 | 10 | 2 | 1,6 | |||
| DGM 1(2) - C20 | 20 | 40 | 1,8 | |||
| DGM13-B30 | 30 | 60 | .2.2 | |||
| DGM 3(4) - B40 | 10 | 80 | 2,4 | |||
| DGM (4) - B60 | 60 | 100 | 2,8 | |||
| DGM-N-PE | 220/255 | 40/60 | 60/80 | 1,2 | ≤100 |
Применение: