
Измеритель прокачки ввода технологии 30 год ультразвуковой обеспечивает обильные возможности для точного жидкостного измерения подачи от внешней стороны трубы. Он использует современные технологии на ультразвуковой передаче /receiving, цифровой обработке сигнала и измерении переход-времени. Технологии собственнического качества сигнала отслеживая и само-приспосабливаясь позволяют системе оптимально приспособиться к различным материалам трубы автоматически. Должный к горяч-выстучанной установке датчиков ввода, никакая ультразвуковая проблема смеси и соединения; Даже если датчики введены в стену трубы, они не нападают в подачу, таким образом, не произведите помеху или падение давления к подаче. Тип (намоченного) ввода имеет преимущество долгосрочной стабильности и лучшей точности.
Особенности:
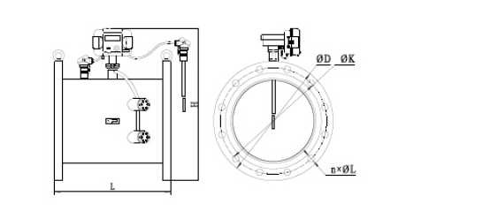
1. калькулятор можно повиснуть на теле или установить отдельно. Расстояние врозь смогло быть в до 10 метров.
2. внутренняя батарея лития большой емкости 3.6В, внешнее АК220В или ДК24В опционные
3. уникальный дизайн для жидкой структуры для того чтобы улучшить измеряя точность и стабильность и уменьшить требование для прямого тубопровода во время установки поднять 5 и опустить 0.
4. ранг ИП68
5. Смогите быть установлено в трубе подачи или в обмен трубе, и смогите быть установлено в горизонтальной или вертикальной установке для различных требований клиента.
6. исполняют комуникационный протокол КДЖ/188, ГБ/26831, МОДБУС РТУ и ЭН13757
7. поддержите оптически, РС485, провод и беспроводной М-автобус, короткое сообщение, ГПРС, интерфейсы выхода ИМПа ульс, удобные для потребителя для того чтобы управлять данными в различных образах.
8. 4~20 мам вывели наружу опционное.
9. исполняет с протоколом АГФВ НОВА
Применение:
РКН метры топления 82 серий ультразвуковые (охлаждать, топлени-охлаждая) использованы для измерения энергии топления или охлаженной воды. Они доступны в ДН40-1000 и имеют калькулятор электронной энергии с отдельным регистром для нагревая и охлаждая энергии. Они приспособлены с интерфейсом М-автобуса для интеграции в сети М-автобуса.



Технические особенности
Вверх по 5 вниз 0 прямых пронзительных установок
Срок годности при хранении больше чем 10 год
Беспроводная передача
Кривая потери давления


Направление компании
Аппаратуры Ланры профессиональный изготовитель аппаратур обнаружения подачи, обеспечивают одно обслуживание пакета поиска и развития ре, продукции, маркетинга и послепродажных обслуживаний. Приниматься за продукцию аппаратур подачи больше чем 20 лет, Ланры было оборудовано с предварительными возможностями дизайна и сложило вверх богатство опыт применения поля, который кладет твердую основу для обязательства к продвижению и нововведению решения высокотехнологичной системы. Корпорация посвящала к продукции аппаратур измерения подачи с главным представлением, высокой стабильностью и сильной надежностью. В настоящее время, аппаратуры Ланры переростали в 2 ветви как КО. аппаратуры КО., Лтд. и Ланры аппаратур Ланры (Шанхая) (Далянь), Лтд, которые ответственны за различные области и применения. Придерживаться «высококачественный, принципов дела высокой эффективности», аппаратур Ланры принимает качество как своя жизнь. Вставляющ к «нововведению целостности, беспроигрышные» принципы развития, мы делаем задушевные видимости дела и наборов на нововведении технологии. Поэтому, поверено что с высококлассным качеством продукции, первоклассным руководством бизнесом и обслуживанием клиента перво-ранжировки, предположены, что сотрудничает корпорация задушевно, превращается взаимно и после этого создает яркость вместе с клиентами!

С летами опыта экспорта вместе с превосходным качеством, предварительные обслуживания и конкурентоспособные цены, Ланры выигрывали доверие и поддержку многочисленных клиентов во всем мире.


Д