Ультразвуковой конвертер Брансон 803 замены на использование сварочного аппарата 8700
Описание:
Конвертер замены для конвертера Брансон 803. Для пользы с электропитанием 187п (с приводом 801) и прессой модели 8700. Конвертер продет нитку на ракету -носитель, которая повышения, уменшения или как раз передачи количество движения от стороны конвертера к рожку или Сонотроде по мере того как мы вызываем его.
Ультразвуковые конвертеры и ультразвуковые датчики одно в этих же. Конвертеры или датчики все делают такую же электрическую энергию новообращенного вещи… к механическому движению… поэтому мы имеем наш электрический заряд будучи введенными через поверхность керамики на пожеланной частоте которая в свою очередь дает нам движение или вибрацию на работая конце на конвертере.
Спецификации:
| Модель | КР-Б803 | 
| Частота | 20 КГц | 
| Сила выхода | 2000 ватт | 
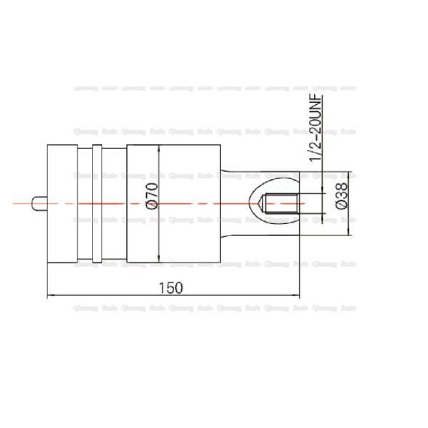
| Совместный болт | 1/2-20УНФ | 
| Керамический диаметр диска | 50мм | 
| Кты керамических дисков | 4пкс | 
| Емкость | 11-12нф | 
| Амплитуда | 10 ум | 
| Применение | Пластиковый сварочный аппарат | 
Ультразвуковой пластиковый метод заварки:
Потому что требования к сырья, размера, формы и заварки пластиковых целей заварки другие, велдабилиты пластмасс также повлиян на много факторов как модуль пластичности, сопротивление колебания, коэффициент трением, термальная проводимость и плавя температура. Поэтому, для того чтобы улучшить качество пластиковой заварки, была унесена серия ультразвуковых пластиковых процессов заварки.
1. Ультразвуковая общая заварка 2-самолета, в более низкой поверхности заварки, сплющенная прокладка бежать через всю поверхность заварки запланирована для того чтобы сделать сбором энергии больше. Для данных по заварки высоко-твердости с низкой точкой плавления, высота сплющенной прокладки не будет чем 0,25 ММ; для материалов заварки низко-твердости с высокой точкой плавления, высота не будет чем 0,5 ММ.
2. ультразвуковой метод заварки отливки слота, польза заварки переноса расстояния избежать скрепить и перегреть дифференцирование. Потому что вогнутая и выпуклая поверхность придерживается некоторого зазора, затруднение заварки будет добавлено, и вогнутая и выпуклая поверхность должна быть запланирована для того чтобы иметь некоторую степень, которая понижает требование к точности для бросать.
Ультразвуковой сварщик утески, который соответствующий для сваривать это требует тщательного запечатывания. Особенно соответствующее для заварки кристаллических смол как нейлон и полиэтилен высокой плотности. Процесс заварки к сперва плавит в начале площади контакта, и после этого контроллабле даунфорсе тысячи сварочных аппаратов постепенно плавит остальную часть вдоль невозмутимого вида.
3. Ультразвуковой паяя метод, который новый процесс заварки в котором компоненты металла врезаны в пластмассах. Он заменяет старый метод стресс-прональной впрыски вокруг компонентов металла. В методе заварки вставки, допуск пластиковой части и врезанный металл вообще около 0,4 мм. Для добавления прочности на растяжение, поверхность врезанной части металла можно обрабатывать в черту или тип потока, и несколько слотов можно раскрыть на наружной поверхности части металла. Для добавления прочности, вы можете кнурл свое осевое возникновение. 2 возможных врезая метода, одного соединить пластиковую часть с головой заварки, и другой ввести металл в особенное соединение с головой заварки.
4. Метод ультразвуковой заварки, который использует контролируемый плавя метод для обработки пластиковых болтов, таким образом исправляя другая часть собрания. Ультразвуковые волны приложены к верхней части болта так, что жидкая пластмасса заполнит полость рожка для того чтобы сформировать выступая крышку запирая элемента. Голова заварки должна нежно быть понижена на заклепывая штангу для предотвращения карты от быть оверпрессуред и формировать случайную деформацию. Самый общий тип заварки заклепки, плавить пластмассы от вершины полости рожка, диаметр рожка вообще запланирован для того чтобы быть двойником заклепка. Для обработки диаметра заклепывая штанги и износоустойчивого термопластикового, заклепана круглая крышка. Если возникновение и быстрота сваренного компонента не высоки, то кнурлинг и ваяя метод можно использовать. Необходима, что будет поверхность заварки плоска и Байду не может сверхнормальные части может быть статически заклепывает сваренный.
Ультразвуковой конвертер Брансон 803 замены на использование сварочного аппарата 8700

