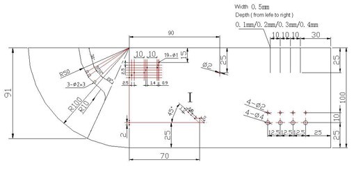
Фазированный блок теста ASTME2491-2013 - тип a блока теста массива
Спецификации:
ASTME2491-2013
Функции тарировки:
Фазированный - массив «тип» блок тарировки использован во время начальных установки и тарировки фазированное - блок массива ультразвуковой. Его можно использовать для того чтобы выполнить задачи как проверка угла пучка, тарировка для задержки клина, тарировка чувствительности, выполняя DAC/TCG для толщины до 50 mm, и определение размеров отказа.


