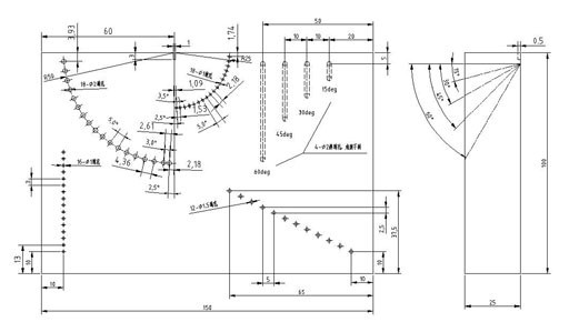
ASTM E2491-2013 фазировало - тип b блока теста массива
Спецификации:
ASTM E2491-2013
Функция тарировки:
Фазированное - «блок тарировки типа b» массива использован как блок базиса для того чтобы определить долгосрочные изменения представления аппаратуры, производит кривые DAC,
и оцените линейную разрешающую способность по угловым координатам, фокусируя способность и возможность управления рулем луча.
