Блок стали углерода блока ультразвукового теста ASME 38mm основной
ВКЛЮЧЕННАЯ АТТЕСТАЦИЯ СОЗДАТЕЛЯ И СЛУЧАЙ ABS ПЛАСТИКОВЫЙ
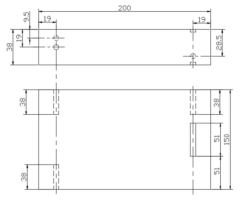
МАТЕРИАЛ: Сталь углерода
Упакуйте включая

Наше обслуживание
1. Продукт нашей компании можно отремонтировать бесплатно в пределах двухклассного. Также ремонт всей жизни produc.
2. Если продукт требование в пределах гарантийный период (за исключением аксессуаров не-ремонта), то пожалуйста отправьте продукт назад для ремонта правом карты гарантии. Если дата повреждения продукта просрочена, то наша компания поручит для ремонта.
3. Если продукт подлежал злоупотребление, авария, изменение, изменение, изменение, neligence, неправильное использование, или был отремонтирован или был обслужен любым не утвержденный для того чтобы представить такое обслуживание, или не имел, то карта гарантии, наша компания не будет ответственна за ремонт.
4. Потребитель должен заполнить вне эту карту и отправить назад в компанию которая купила продукт, в противном случае, продукт нельзя отремонтировать бесплатно.