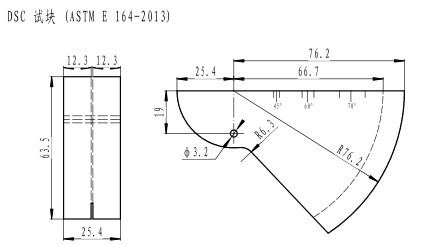
Блок тарировки чувствительности расстояния ASTM E164-2013 DSC
Спецификации:
Спецификации:
ASTM E164-2013
Функция тарировки:
Прямой луч: расстояние, амплитуда. Диагональная распорка: пункт индекса, ядровый угол пути (45°-70°), расстояние, чувствительность.


