Быстрый зажим может быть использован на экскаваторе для легко и быстрого обмена аксессуарами (такими как разрывник, разрывник, уплотнитель, сцепление, стрижка и т. Д.), Расширяя сферу использования экскаватора.Установка быстрой подвески на экскаватор занимает всего несколько минутУстановка быстрого подключения к экскаватору означает превращение его в многозадачное, многофункциональное устройство.Это делает переключение гораздо проще между экскаватора прицепов, значительно увеличивая производительность и эффективность машин.
* Быстрая сцепка позволяет быстро менять устройства экскаватора за считанные минуты, например, ведро, сломанный молоток, хватку экскаватора и т.д., расширяя диапазон использования экскаватора.
* Движение с цилиндром, без необходимости ручного сотрудничества.
* Защитный клапан внутри, шприц нелегко падает.
* Может менять аксессуары без разборки штифтов и осей, тем самым обеспечивая более быструю установку.
* Идеальное применение: Подходит для различных машин с высоким материалом высокой твердости

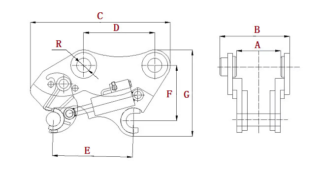
YT Quick Hitch Основные параметры
| Модель | Единица | YT Mini | YT10-1 | YT10-2 | YT10-3 | YT20-1 | YT20-2 | YT30-1 | YT40-1 | YT50 |
| Единичная масса | В кг | 30-40 | 50-60 | 80-110 | 170-210 | 350-390 | 370 - 410 | 410-520 | 550-750 | 700-1000 |
| Общая длина(С) | мм | 300-450 | 520-542 | 581-610 | 760 | 920-955 | 950-1000 | 965-1100 | 1005-150 | 1250-1400 гг. |
| Общий рост(G) | мм | 225-270 | 312 | 318 | 400 | 512 | 512-540 | 585 | 560 - 615 | 685-780 гг. |
| Общая ширина(В) | мм | 150-250 | 260 - 266 | 265 - 283 | 351-454 | 450 - 483 | 445 - 493 | 543-572 | 602-666 | 650-760 |
|
Открытая ширина предплечья(А) |
мм | 82-180 | 155-172 | 180-205 | 230 - 317 | 290 - 345 | 300-350 | 345-425 | 380-480 | 420-520 |
|
Расстояние, поддающееся отводу(Е) |
мм | 95-200 | 200-300 | 300-350 | 340-440 | 420-510 | 450-530 | 460-560 | 560-650 | 640-700 |
|
Диаметр булавки(R) |
мм | 20-40 |
40-45 |
45-55 |
50-70 |
70-90 |
90 | 90-100 | 100-110 | 100-140 |
| Расстояние от верхней до нижней подставки(F) | мм | 170-190 | 200-210 | 205-220 | 240-255 | 300 | 320 | 350-370 | 370-380 | 400 - 500 |
|
Расстояние до центра пинто(D) |
мм | 95 - 220 | 220 - 275 | 290-350 | 350 - 400 | 430 - 480 | 450-505 | 485-530 | 520 - 630 | 620-750 |
| Рабочее давление | В кг/см2 | 30-380 | 30-380 | 30-380 | 30-380 | 30-380 | 30-380 | 30-380 | 30-380 | 35-380 |
| Поток нефти | Л/мин | 10-20 | 10-20 | 10-20 | 10-20 | 10-20 | 10-20 | 10-20 | 10-20 | 10-20 |
| Масса носителя | Тоны | 1-4 | 4-6 | 6-8 | 9-16 | 17-25 | 24-26 | 25-33 | 33-45 | 40-90 |
Вышеприведенные модели являются только для справки, многие модели мы не можем перечислить здесь. Мы можем предоставить больше продуктов по вашему требованию.Пожалуйста, не стесняйтесь отправлять нам свой запрос или электронную почту, если у вас есть какие-либо требования.
/CASE/DAEWOO/HITACHI/HYDUNDAI/KOMATSU/SAMSUNG// KOBELCO/SANY/SUMITOMO/ KATO/DOOSAN/ ATLAS/ LOVOL/ SUNWARD/ IHI (в частности, в частности, в частности, в частности)
* Качество мирового класса
* Продажа прямо с завода по разумной цене
* 35 лет опыта в производстве запасных частей экскаваторов и бульдозеров
* Гибкие условия оплаты, включая T/T, L/C и так далее
* Быстрая доставка в течение 30 дней после заключения договора
* Профессиональная команда по продажам, проверка качества и отчетность, руководство морской логистикой
* Послепродажное обслуживание: видеотехническая поддержка, 24 часа онлайн-поддержка
