Ключевой параметр:
Максимальная мощность труб: 60 Вт
Максимальное напряжение труб: 150 кВ
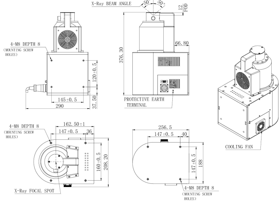
Угол луча: 110±3°
Минимальный размер пятна: ≤ 7 мкм
Применение:
Комплекс интегральной схемы
Аккумулятор для электромобилей
SMT, PCBA, электронное производство
Подложка / модуль IGBT
Спецификации:
| Диапазон рабочего напряжения трубы | 40-150 кВ | ||
| Диапазон тока рабочей трубы | 0-400 мкА | ||
| Максимальная мощность труб | 60 Вт | ||
|
< 150 Вт | ||
| Входное напряжение (DC) |
48±0,5 В
|
||
| Материал окна/толщина | Быть/0,51 мм | ||
| Диаметр окна | 38 мм | ||
| Угол луча | 100±3° | ||
| Целевой материал |
Вольфрам
|
||
| Вес | Примерно.15 кг. | ||
| ПОД | 12±0,5 мм | ||
| Безопасное перекрытие | Внешнее короткое замыкание | ||
| Подключение управления |
Цифровое управление
|
||
| Режим работы | Непрерывный |
Рентгеновские снимки:



Отпечаток:
