Высококачественный датчик передатчика давления DC2-30V 4-20mA IP65 керамический
Пьезорезистивное керамическое описание sensorProduct давления
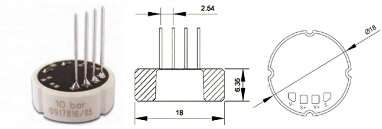
Датчики пьезорезистивные датчики давления основанные на керамическом. Измеряя мост напечатан сразу на одной стороне керамической диафрагмы посредством технологии плотной пленки. Задняя часть диафрагмы можно подвергнуть действию сразу средства, который нужно измерить из-за превосходной химической устойчивости, никакая дополнительная защита нормально необходима. Спасибо усиленная наружная область (монолитовая структура) датчик можно установить сразу в случае путем использование колцеобразного уплотнения или еще его можно установить к штуцеру металла
Пьезорезистивный керамический обзор датчика давления
Датчик серии пьезорезистивные датчики давления основанные на керамическом. Измеряя мост напечатан сразу на одной стороне керамической диафрагмы посредством технологии плотной пленки. Задняя часть диафрагмы можно подвергнуть действию сразу средства, который нужно измерить. Из-за превосходной химической устойчивости никакая дополнительная защита нормально необходима.
Спасибо усиленная наружная область (монолитовая структура) датчик можно установить сразу в случае путем использование колцеобразного уплотнения или еще его можно установить к штуцеру металла.
Датчики конструированы таким образом так, что изменения температуры и перегружать не сделают
причините любую потерю в надежности. Польза керамического обеспечивает высокие линеарности через весь ряд
измерения и уменьшает влияния гистерезиса к минимуму.
Дополнительно, PPS101 термальные компенсированные резисторами PTC. Смещение можно отрегулировать дальше
спецификация клиента.
Пьезорезистивная керамическая спецификация датчика давления:
Пьезорезистивный керамический выбор sensorModel давления


Пьезорезистивное керамическое sensorApplication давления

Пьезорезистивное керамическое sensorApplication давления:

Пьезорезистивное керамическое sensorWorkshop давления:

Пьезорезистивный керамический датчик давления:

вопросы и ответы
| 1. Q: Когда можем мы получить ответ? |
| Все дознания будут отвечены в течение 24 часов. |
| 2. Q: Могу я иметь образцы? |
| : Да. Образец конечно ок. Мы можем даже отправить вами свободный образец и вы должны только оплатить для гонорара перевозки. |
| 3. Q: Как насчет количестве минимального заказа? |
| : Мы не имеем никакой предел для MOQ, поэтому вы можете даже купить только 1 часть. Добро пожаловать для покупки образца испытать сперва. |
| 4. Q: Как насчет сроке поставки? |
| : Мы отправим пробуем к вам в течение 3 дней. |
| Продукция на большие потребности количества 20 до 25 дней. И оно также зависит от продукта и количества. |
| 5. Q: Как насчет условиях платежа? |
| : Условия оплаты: T/T, западное соединение, PayPal и L/C etc. |
| 6. Q: Как вы отправите товары в нас? |
| : Мы отправим товары в вас самолетом (DHL, Federal Express, UPS, TNT) и доставка etc моря. |
| 7. Q: Вы торговая компания или изготовитель? |
| : Мы в manufactory зуммера Китая |
| 8. Q: Вы поддерживаете обслуживания OEM и ODM? |
| : Да, конечно поддержка. мы можем подгонять продукты согласно чертежу. |
| 9. Q: Можете вы обеспечить управляемую цепь? |
| : Да, конечно уверенный. |
| 10. Q: Можете вы разрешить технические проблемы для нас? |
| : Да, наша техническая команда попробует наше самое лучшее для того чтобы поддержать вас. |
