Датчика луча избегания 300khz 20KHZ препоны датчики воздуха узкого ультразвукового ультразвуковые
| Модель | AD0200K1 |
| Разбивочная частота (КГц) | 300KHZ±4 |
| Ширина полосы частот | 24KHz |
| Ряд измерения | 0.08~0.6m |
| Слепая зона | <>0.08m |
| Угол пучка (- 3dB) | 7±2° |
| Статическая емкость | 250PF±20% |
| Минимальный параллельный импеданс | 500Ω±30% |
|
Рабочий потенциал сентенции (Коэффициент круга обязаностей 2% ИМПа ульс) |
<3>00V |
| Рабочая температура | -20| ℃80 |
| Защитите класс | IP65 |
| Размер (*height mm диаметра) | φ13*10 |
| установка | Круг зафиксировал |
| Материал раковины | Раковина ABS или алюминиевого сплава |
| Длина кабеля | 5cm (согласно требованию к потребителя) |
| Вес | 10g |



описание sensorProduct воздуха 200khz

Пользы воздуха 200KHZ 300KHZ детали sneosr высокочастотной ультразвуковые
| ЭЛЕКТРОТЕХНИЧЕСКИЕ УСЛОВИЯ датчика ВОЗДУХА УЛЬТРАЗВУКОВЫЕ | ||
| Детали | Блок | Содержание |
| Номинальная частота (Fn) | КГц | 200±10 |
| Статическая емкость (CP) | pF | 2000±20% |
| Чувствительность сигнала | mv | ≥20 |
| Температурная амплитуда рабочей температуры | ℃ | -35~70 |
| Диапазон температур хранения | ℃ | -40~85 |
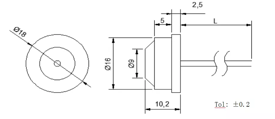
| ЧЕРТЕЖИ И РАЗМЕРЫ ПЛАНА датчика ВОЗДУХА УЛЬТРАЗВУКОВЫЕ | ||||||||
|
Возникновение: Отсутствие видимые повреждение и грязь. Продукты соответствуют директиве RoHS и национальному закону защиты среды. Размеры (блок: mm) ![]() |
||||||||
| ТЕСТ | ||||||||
|
Условия испытаний Части будут измерены под условием (Temp.: 20 ℃±15℃, влажность: 45% ~85% R.H, температура: 40±5℃.). Методы теста
|
Датчик серии пьезорезистивные датчики давления основанные на керамическом. Измеряя мост напечатан сразу на одной стороне керамической диафрагмы посредством технологии плотной пленки. Задняя часть диафрагмы можно подвергнуть действию сразу средства, который нужно измерить. Из-за превосходной химической устойчивости никакая дополнительная защита нормально необходима.
Спасибо усиленная наружная область (монолитовая структура) датчик можно установить сразу в случае путем использование колцеобразного уплотнения или еще его можно установить к штуцеру металла.
Датчики конструированы таким образом так, что изменения температуры и перегружать не сделают
причините любую потерю в надежности. Польза керамического обеспечивает высокие линеарности через весь ряд
измерения и уменьшает влияния гистерезиса к минимуму.
Дополнительно, PPS101 термальные компенсированные резисторами PTC. Смещение можно отрегулировать дальше
спецификация клиента.

Пьезорезистивное керамическое sensorWorkshop давления:

Пьезорезистивный керамический датчик давления:

вопросы и ответы
| 1. Q: Когда можем мы получить ответ? |
| Все дознания будут отвечены в течение 24 часов. |
| 2. Q: Могу я иметь образцы? |
| : Да. Образец конечно ок. Мы можем даже отправить вами свободный образец и вы должны только оплатить для гонорара перевозки. |
| 3. Q: Как насчет количестве минимального заказа? |
| : Мы не имеем никакой предел для MOQ, поэтому вы можете даже купить только 1 часть. Добро пожаловать для покупки образца испытать сперва. |
| 4. Q: Как насчет сроке поставки? |
| : Мы отправим пробуем к вам в течение 3 дней. |
| Продукция на большие потребности количества 20 до 25 дней. И оно также зависит от продукта и количества. |
| 5. Q: Как насчет условиях платежа? |
| : Условия оплаты: T/T, западное соединение, PayPal и L/C etc. |
| 6. Q: Как вы отправите товары в нас? |
| : Мы отправим товары в вас самолетом (DHL, Federal Express, UPS, TNT) и доставка etc моря. |
| 7. Q: Вы торговая компания или изготовитель? |
| : Мы в manufactory зуммера Китая |
| 8. Q: Вы поддерживаете обслуживания OEM и ODM? |
| : Да, конечно поддержка. мы можем подгонять продукты согласно чертежу. |
| 9. Q: Можете вы обеспечить управляемую цепь? |
| : Да, конечно уверенный. |
| 10. Q: Можете вы разрешить технические проблемы для нас? |
| : Да, наша техническая команда попробует наше самое лучшее для того чтобы поддержать вас. |
