датчик ultransducer пьезоэлектрического ультразвукового датчика 40KHZ 14mm водоустойчивый
Водоустойчивое ультразвуковое описание TransducerProduct
Тип ультразвуковые датчики доказательства воды широко был использован для парковать датчики, датчики близости и ровные датчики, etc. с идеальным уплотнением эти датчики можно использовать в относительно плохой окружающей среде как пыль и влажность.
Спецификация
| Категория |
Разделение приемопередатчиков |
| Номинальная частота | 40,0 ±1.0KHz |
| SPL | минута 105dB |
| Чувствительность | минута -74dB |
| Статическая емкость | 1900Pf 20% |
| Максимальный ввод напряжения | 150Vp-p |
| Направляющий угол | 60 -15 (- 6dB) |
| Ряд обнаружения | 0,2 | 3m (отражение) |
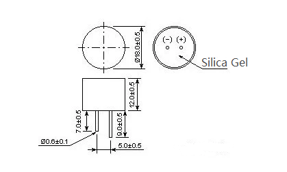
| Разрешение | 18mm |
| Работая температура |
-40 | ℃ 80 |
| Температура хранения | -40 | ℃ 85 |
| Материал случая | Алюминий |
| Ключевые слова | Водоустойчивый ультразвуковой датчик |
Водоустойчивые ультразвуковые детали продукции датчика

Вся серия:
| 12*9mm | Открытый тип | 40±1.0KHz | 80°±15° (- 6dB) | Передатчик |
| 16 * 10mm | Открытый тип | 40±1.0KHz | 60°±15° (- 6dB) | Приемник |
| 16 * 10mm | Открытый тип | 40±1.0KHz | 60°±15° (- 6dB) | Передатчик |
| 16*40mm | Открытый тип | 40±1.0KHz | 60°±15° (- 6dB) | Передатчик |
| 16 * 10mm | Открытый тип | 40±1.0KHz | 60°±15° (- 6dB) | Transmitter&Receiver |
| 45*20*15mm | Открытый тип | 40±1.0KHz | ≤30° | Transmitter&Receiver |
| 16 * 12mm | Открытый тип | 40±1.0KHz | 70°±15° (- 6dB) | Transmitter&Receiver |
| 10*7mm | Открытый тип | 40±1.0KHz | 70°±15° (- 6dB) | Передатчик |
| 16*10mm | Открытый тип | 40±1.0KHz | 60°±15° (- 6dB) | Transmitter&Receiver |
| 16*12mm | Открытый тип | 23±1.0KHz | 80°±15° (- 6dB) | Передатчик |
| 10 * 8MM | Заключенный | 40±1.0KHz | 70°±15° (- 6dB) | Двойного назначения |
| 12 * 8mm | Заключенный | 40±1.0KHz | X: 110°±15 y: 70° ±10 | Двойного назначения |
| 14 * 9MM | Заключенный | 40±1.5KHz | X: 110°±15° y: 60°±15° | Двойного назначения |
| 12 * 9mm | Открытый тип | 40.0±1.0KHz | 70°±15° (- 6dB) | Приемник |
| 16 * 10MM | Заключенный | 40±1.0KHz | 70°±15° | Двойного назначения |
| 16 * 12MM | Заключенный | 40±1.0KHz | X: 80°±15° y: 80° ±15° | Двойного назначения |
| 20 * 16MM | Заключенный | 165±5KHz | 14°±2° (- 6dB) | Двойного назначения |
| 21 * 11MM | Заключенный | 970±30 КГц | 8°±2° | Двойного назначения |



Водоустойчивое ультразвуковое TransducerWorkshop:


1. Ответьте ваше дознание в 24 рабочих часах.
2. Опытные штаты отвечают на все ваши вопросы на профессиональном и английск бегл.
3. Подгонянный дизайн доступен.
Служба технической поддержки
1.We имеют профессиональную команду службы технической поддержки для того чтобы поддержать наших клиентов
2.If вы имеете любой вопрос для технологии наших продуктов, пожалуйста отправляете по электронной почте к нам и мы ответим к вам немедленно
вопросы и ответы
| 1. Q: Когда можем мы получить ответ? |
| Все дознания будут отвечены в течение 24 часов. |
| 2. Q: Могу я иметь образцы? |
| : Да. Образец конечно ок. Мы можем даже отправить вами свободный образец и вы должны только оплатить для гонорара перевозки. |
| 3. Q: Как насчет количестве минимального заказа? |
| : Мы не имеем никакой предел для MOQ, поэтому вы можете даже купить только 1 часть. Добро пожаловать для покупки образца испытать сперва. |
| 4. Q: Как насчет сроке поставки? |
| : Мы отправим пробуем к вам в течение 3 дней. |
| Продукция на большие потребности количества 20 до 25 дней. И оно также зависит от продукта и количества. |
| 5. Q: Как насчет условиях платежа? |
| : Условия оплаты: T/T, западное соединение, PayPal и L/C etc. |
| 6. Q: Как вы отправите товары в нас? |
| : Мы отправим товары в вас самолетом (DHL, Federal Express, UPS, TNT) и доставка etc моря. |
| 7. Q: Вы торговая компания или изготовитель? |
| : Мы в manufactory зуммера Китая |
| 8. Q: Вы поддерживаете обслуживания OEM и ODM? |
| : Да, конечно поддержка. мы можем подгонять продукты согласно чертежу. |
| 9. Q: Можете вы обеспечить управляемую цепь? |
| : Да, конечно уверенный. |
| 10. Q: Можете вы разрешить технические проблемы для нас? |
| : Да, наша техническая команда попробует наше самое лучшее для того чтобы поддержать вас. |
