Гактическая обратная связь Управление движением Двигатель голоса Коуль двигатель Дыхательный двигатель
Двигатели звуковой катушки с высокой точностью дыхания имеют уникальное применение в тактильном управлении приводом с обратной связью.предоставление пользователям более захватывающего и захватывающего опыта.
Медицинская симуляция:В медицинской подготовке и симуляции для моделирования физиологических реакций пациентов, таких как дыхательные движения, могут использоваться двигатели звуковой катушки с точностью до дыхания.Студенты-медики и медицинский персонал могут испытать реальную дыхательную ситуацию имитируемых пациентов с помощью тактильной обратной связи, тем самым повышая эффективность обучения и практические навыки работы.
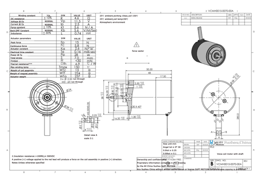
Высокопроизводительный приводовой двигатель серии VCMH с высокой скоростью (скоростью) и высокой частотой шума, легким весом, коротким временем отклика, низким уровнем шума, высокой точностью износа, отсутствием характеристик износа,из-за его высокой скорости, низкий уровень шума, это устройство обеспечит отличную производительность и высокую надежность. широко используется в медицинских устройствах, медицинских аппаратов дыхания, автоматизированной промышленности, коммерческих областях, лазерного оборудования,и т.д.., это идеальное решение для любого приложения, требующего высокой производительности.Двигатель звуковой катушки с высокой точностью дыхания является линейным двигателем с валом и легкой катушкой с коротким временем откликаВысокоточный износостойкий оптический вал и миниатюрная шаровая подшипница, гибкий выходной кабель.
Технические параметры:
| Модель продукта | Пиковая сила (N) |
Постоянная сила при 25°C ((N) |
Общий удар (мм) |
Максимальное напряжение (V) |
Константа обратного ЭМП (В/м/с) |
Диаметр статора (мм) | Длина (мм) |
Конечная нить вала (мм) |
| VCAH0253-0120-00A | 253 | 46.5 | 12 | 42.7 | 16 | 53.95 | 109 | М5(Внутренний) |
| VCAH0011-0070-00A | 11 | 3.6 | 7 | 26.2 | 4.9 | 31.5 | 38.9 | M3(Внешний) |
| VCAH0013-0070-00A | 13 | 4.2 | 7 | 26.6 | 5.7 | 29 | 40.5 | M3(Внешний) |
| VCAH0030-0100-00A | 30 | 7.2 | 10 | 24.9 | 5.2 | 37 | 47 | M3(Внешний) |
| VCAH0040-0075-00A | 40 | 12.3 | 7.5 | 16.8 | 6.9 | 36 | 50 | ¥3 |
| VCAH0040-0240-00A | 40 | 6 | 24 | 44.5 | 8 | 41 | 83 | M3(Внутренний) |
| VCAH0065-0140-00A | 65 | 24.6 | 14 | 27.6 | 16 | 44 | 75 | M3(Внутренний) |
| VCAH0230-0110-00A | 230 | 100 | 11 | 34.2 | 37 | 71 | 117 | ¥10 |




Мы с радостью поможем с дизайном.


1.Путешествие: фактическое путешествие, используемое для расчета общего количества путешествийиззначение силы.
2.Направление движения: горизонтальная или вертикальная установка 90 градусов.
3Сила нагрузки:cнепосредственно в обратном направлении отсиланадвигатель, такие как пружины и т.д.
4Масса нагрузки: общая качественная часть движения, включая качественный слайдер
5Тип движения: 1.движение от точки к точке;2.взаимность правила (например, сканирование).
6Кривая скорости: 1.кривая скорости в виде трапеции;2.треугольная кривая скорости; 3.кривая синусовой скорости.


Сертификации

Мы хотим, чтобы вы были счастливы!