инвертор насоса 380V 400V 5.5KW 7.5KW MPPT солнечный для солнечной оросительной системы
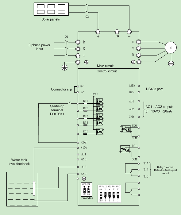
Особенности инвертора водяной помпы VFD500-PV солнечного следующим образом:
1. Уровней напряжения тока 220V крышки AC AC и 380V
2. Поддержка однофазное 220V и трехфазные 220V/380V насосы, сила от 0.4KW к 250KW.
3. Легкий для использования
4. Инверторы автоматически начать или поспать только после быть соединенным с панелями солнечной батареи без любой установки параметра.
5. Сильно надежный для использования множественных предохранительных мер
6. Включая предупреждение обратного предохранения от перенапряжения PV, полярности PV, и автоматический derating против сверх--temperture, которые расширяют долговечность изделия.
7. Используйте предварительные алгоритмы MPPT, обеспечивающ что эффективность солнечной энергии отслеживая достигает 99%
8. Модели 2.2kW или более низко можно установить с модулем поддержки, соотвествуя работы низшего напряжения. Это уменьшает пользу панелей солнечной батареи и поэтому цены.
9. Серия VFD500-PV может снабдить автоматический переключатель между солнечным входным сигналом и входным сигналом решетки путем устанавливать поддержку или автоматический переключая шкаф (соотвествуя предохранения от молнии), снабжая 24-часовую бесхозную работу.
10. Поддержите конфигурацию модуля GPRS, который снабжает удаленные просмотр и управление параметра путем использование мобильного ПРИЛОЖЕНИЯ.
11. Поддержите решение шкафа для уровня IP54.
Электротехнические условия
| 220V | 380V | |
| Напряжение тока DC входного сигнала Макс | 450V | 810V | 
| Ряд напряжения тока DC | 150~450VDC | 300~810VDC | 
| Нормальное работая напряжение тока DC | 260V-400V | 400V-650V | 
| Порекомендованное напряжение тока mppt входного сигнала | 330V | 550V | 
| Эффективность MPPT | >99% | |
| Напряжение тока требуемой производительности | 1/3-phase 220VAC | трехфазное 380-480VAC | 
| Диапазон изменения частот выхода | 50/60Hz | |
| Максимальная эффективность машины | 99% | |
| Температурная амплитуда температуры окружающей среды | -10 °C °C~50, derating если температура над °C 40 | |
| Охлаждая метод | Воздушное охлаждение | |
| Степень защиты | IP20/IP21 | |
| Высота | Под 1000m; над 1% для каждое дополнительное 100m. | |
| Стандарт | CE/ROHS | |
 
Для трехфазного соединения насоса мотора 380V ИЛИ 220V/110V
 
  
Применение продукта
  
 


 
вопросы и ответы:
  
1. Что различные между инвертором частоты и солнечным инвертором насоса?
Инвертор частоты только признавать входной сигнал AC, его широко использован в автоматизированных машинах. Но солнечный инвертор насоса не только признавать входной сигнал AC но также может соединиться с панелью солнечных батарей для того чтобы признавать входной сигнал DC, его больше сохраняет силу, главным образом используемую в солнечной насосной системе.
  
2. Что должно быть замечено при установке инвертора?
Положите продукт в место где хороший провентилируйте, крутой, сухой и водоустойчивый. Не усильте или не положите чужие объекты в инвертор. Вспомните включить инвертор перед поворотом на приборе.
  
3. Нам нужно установить параметр перед использованием?
Никакая потребность, наши заранее поставленные параметры не может уже встретить вашу нормальную пользу.
И наш инвертор деятельность AI умная.
Если вам себя нужно отрегулировать параметры, то вы можете сделать его в немного простых шагов.