Спецификации
Номер модели :
VFD200A
Место происхождения :
КИТАЙ
Количество минимального заказа :
1
Условия оплаты :
L/C, T/T, западное соединение, MoneyGram
Способность поставки :
15000pcs в месяц
Срок поставки :
3 дня, зависят заказанн
Упаковывая детали :
сила более менее чем коробка пользы 45kw, старт со случаем пользы 45kw деревянным
Название продукта :
220v инвертор выхода входного сигнала 380v
Сила :
2.2kw 4kw
Частота :
0-3200hz
Ряд скорости :
1: 200 (SFVC)
Точность стабильности скорости :
±0.5% (SVC) ±0.02% (FVC)
Разъединение V/F :
полное разъединение; половинное разъединение
Описание

Инвертор выхода входного сигнала 380v одиночной фазы привода 2.2kw 4kw 220V AC трехфазный

 

 
Технические особенности
1, используя DSP как ядр блока управления для того чтобы достигнуть высокоскоростного и высокопроизводительного контроля
2, параметр само-уча, умная установка мотора к модели оптимального управления
3, модуль IPM высокой эффективности, функция защиты как нижнее напряжение тока, перегрузки по току, overtemperaature, над земным коротким замыканием etc.
4, уникальный дизайн EMC уменьшая загрязнение для того чтобы привести в действие.
 
Ряд емкости
Ряд силы: ряд силы 0.75-11kw
Диапазон изменения частот: 0.00-400.00HZ
Уровень напряжения тока: одиночная фаза 220V/трехфазное 380V
 
Индустрия применения
Медицина, еда, упаковка, гравировка, стирка и другое оборудование машинного оборудования индустрий, разнообразие мелкомасштабное оборудование машинного оборудования.
 
Детали продукта
 
Точность скорости устойчивого ряда быстрого хода точности скорости устойчивая: плюс или минус 0,5% (незамкнутая сеть), плюс или минус 0,02% (короткозамкнутый виток).
Ряд скорости: 1:100 (незамкнутая сеть), 1:1000 (короткозамкнутый виток) ответ вращающего момента<40ms>
Автоматическая функция роста вращающего момента, осуществление режима контроля V/F и низкочастотный (1Hz) с большим управлением вращающего момента выхода: 110%rated стабилизированная деятельность, нагрузка 1min 150%rated, номинальная нагрузка 180% 3s.
 
цепь предохранения от краски Анти--корозии
обработка краски Анти--корозии
Увеличивайте срок службы
Главная изоляция влагостойкая
Предотвратите пыль электрической утечки противоударную?
доказательство
Корона коррозионной устойчивости старея
сопротивление, etc
 
Данные по VFD200A технические:
 

расклассифицированный

kw силы

 

0,7

 

1,5

 

2,2

 

0,7

 

1,5

 

2,2

 

4

 

5,5

 

7,5

 

11

 

15

 

18,5

 

22

 

30

Течение выхода a

 

5

 

7

 

11

 

2,5

 

3,7

 

5,1

 

9

 

13

 

17

 

25

 

32

 

37

 

45

 

60

Расклассифицированное напряжение тока

V

 

1ph 220V

 

3ph 380V

Расклассифицированный

kw силы

 

37

 

45

 

55

 

75

 

90

 

110

 

132

 

160

 

185

 

200

 

220

 

250

 

280

 

315

Течение выхода a

 

75

 

90

 

110

 

150

 

176

 

210

 

250

 

300

 

340

 

380

 

415

 

470

 

520

 

600

Расклассифицированное напряжение тока

V

 

3ph 380V

Деталь Спецификации

 

 

 

 

 

 

 

 

 

 

Стандартные функции

Максимальная частота Векторное управление: управление 0~500Hz V/F: 0~500Hz

 

Частота несущей

0.5kHz~16kHz (частота несущей автоматически отрегулирована основанный на особенностях нагрузки.)

Частота входного сигнала

разрешение

Установка цифров: 0,01 Hz

Сетноая-аналогов установка: максимальная частота x 0,025%

 

Режим контроля

без Датчик векторное управление потока (SFVC)

Управление напряжения тока/частоты векторного управления короткозамкнутого витка (CLVC) (карты +PG) (V/F)

Вращающий момент запуска 0.5Hz/150% (SVC); 0Hz/180% (FVC)
Ряд скорости 1:100 (SVC) 1:1000 (FVC)
Точность стабильности скорости ±0.5% (SVC) ±0.02% (FVC)
Точность управлением вращающего момента ±5% (FVC)

 

 

Емкость перегрузки

Тип g: 60s на 150% из расклассифицированного течения, 3s на 180% из расклассифицированного течения

Тип p: 60s на 120% из расклассифицированного течения, 3s на 150% из

расклассифицированное течение

 

Поддержка вращающего момента

Автоматическая поддержка;

Ручная поддержка: 0.1%~30.0%

 

 

Изображение VFD200A:

входной сигнал 220v инвертора привода AC 2.2kw 4kw вывел наружу дизайн 380v уникальный EMCвходной сигнал 220v инвертора привода AC 2.2kw 4kw вывел наружу дизайн 380v уникальный EMCвходной сигнал 220v инвертора привода AC 2.2kw 4kw вывел наружу дизайн 380v уникальный EMC

 

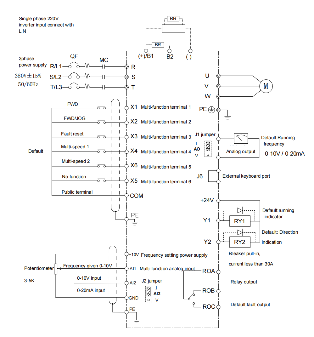
Соедините диаграмму провода:

входной сигнал 220v инвертора привода AC 2.2kw 4kw вывел наружу дизайн 380v уникальный EMC
 

 
Отправьте сообщение этому поставщику
Отправляй сейчас

входной сигнал 220v инвертора привода AC 2.2kw 4kw вывел наружу дизайн 380v уникальный EMC

Спросите последнюю цену
Номер модели :
VFD200A
Место происхождения :
КИТАЙ
Количество минимального заказа :
1
Условия оплаты :
L/C, T/T, западное соединение, MoneyGram
Способность поставки :
15000pcs в месяц
Срок поставки :
3 дня, зависят заказанн
Контактный поставщик
входной сигнал 220v инвертора привода AC 2.2kw 4kw вывел наружу дизайн 380v уникальный EMC
входной сигнал 220v инвертора привода AC 2.2kw 4kw вывел наружу дизайн 380v уникальный EMC
входной сигнал 220v инвертора привода AC 2.2kw 4kw вывел наружу дизайн 380v уникальный EMC

Shenzhen Veikong Electric Co., Ltd.

Verified Supplier
5 Годы
shenzhen
С тех пор 2013
Вид деятельности :
Manufacturer, Exporter
Общее годовое :
15000000-20000000
Количество работников :
201~500
Уровень сертификации :
Verified Supplier
Узнайте о аналогичных продуктах
Смотрите больше
Контактный поставщик
Требование о предоставлении