Машина для испытания на вибрационную стойкость с обслуживаниями приобъектных установки и тренировки
Применимые стандарты: MIL-STD, DIN, ISO, ASTM, IEC, ISTA, GB, GJB, JIS, BS etc.
Применимые индустрии:
Автомобильный, электроника, воздушно-космический пространство, сосуд, радиосвязь, Pptoelectronics, аппаратура etc.
Особенности:
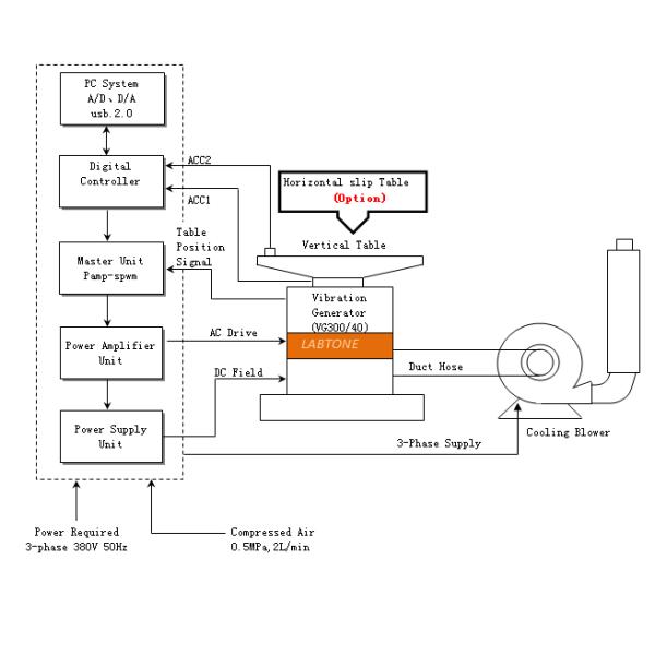
Принцип деятельности:


Спецификации: EV232-EV330
| Модель | EV232 | EV240 | EV250 | EV260 | EV320 | EV330 |
| Генератор вибрации | VG300/25 | VG4000/50 | VG5000/50 | VG6000/50 | VG2000/76 | VG3000/76 |
| Частота (Hz) | 2-2500 | 2-2500 | 2-2500 | 2-2500 | 2-3000 | 2-2500 |
| Максимальная выходя сила (kg.f) | 3200 | 4000 | 5000 | 6000 | 2000 | 3000 |
| Максимальн Смещение (mmp-p) | 50 | 50 | 50 | 50 | 76 | 76 |
| Максимальн Ускорение (g) | 100 | 100 | 100 | 100 | 80 | 80 |
| Максимальн Скорость (cm/s) | 200 | 200 | 200 | 200 | 200 | 200 |
| Полезная нагрузка (kg) | 500 | 800 | 1000 | 1000 | 1000 | 1000 |
| Масса Armature (kg) | 30 | 40 | 50 | 50 | 25 | 35 |
| Диаметр Armature (mm) | φ400 | φ400 | φ450 | φ450 | φ320 | φ320 |
| Охлаждая метод | Принудительное воздушное охлаждение | |||||
| Вес генератора вибрации (kg) | 2000 | 2500 | 3500 | 3800 | 2000 | 3000 |
| Размер L*W*H генератора вибрации (MM) | 1400*900*1100 | 1400*980*1100 | 1600*1120*1340 | 1600*1120*1340 | 850*1000*1100 | 1100*1300*1440 |
| Усилитель силы | Amp35k | Amp50k | Amp60k | Amp70k | Amp30k | Amp45k |
| Охлаждая метод | Принудительное воздушное охлаждение | |||||
| Вес усилителя силы (kg) | 550 | 600 | 800 | 1000 | 550 | 600 |
| Размер L*W*H усилителя силы (MM) | 800*550*1920 | 800*550*1920 | 800*550*1920 | 800*550*1920 | 800*550*1920 | 800*550*1920 |
| Общего назначения Требования | трехфазное AC380V ±10% 50Hz | |||||
| Агрегатная емкость (KW) | 45 | 64 | 85 | 95 | 40 | 60 |
Упаковка:

Обслуживания клиента
Гарантия: 12 месяца от доставки, пожизненное обслуживание времени.
обслуживание После-продажи: Обратная связь в течение 4-8 часов позже получить звонок или электронную почту.
Обслуживание: Решение обеспечивает, изготовление на заказ принято.
Сертификат: Отчет о тарировки третьей стороны Китая официальные/аттестация CE.