Высокопроизводительный жидкостный сепаратор твердых веществ портативный бесшумный 450 вибрирующий сиф
Обзор450 Вибрирующий сиф для соевого молока:
Высокопроизводительный портативный бесшумный вибрационный ситтер типа 450 для соевого молока, также известный как машина для фильтра 450 типа, хорошо квалифицирован для фильтрации глазури, краски,Соевое молоко или аналогичные материалы.
Это своего рода маленький вибрирующий фильтр экрана, который легко передвигается, высокая эффективность, низкий уровень шума и небольшой объем.Он особенно подходит для фильтрации порошка и фильтрации суспензии с меньшим содержанием примесейФильтрная краска 325 сет с удельной массой 1,1 может доходить до 1200 литров в час, а 30 сет может обрабатывать 700 килограммов муки в час.Имеет отличную эффективность фильтрации для керамического урана.
Технические параметры из450 Вибрирующий фильтр для соевого молока:
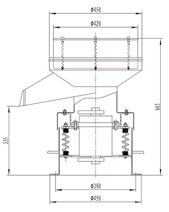
| Эффективный диаметр экрана | 380 мм |
| Материал | из нержавеющей стали 304 или углеродной стали |
| Слой экрана | только один слой |
| Двигатель | один агрегат двигателя вертикальной вибрации |
| Амплитуда вибрации | 2 ~ 5 мм |
| Сила | 0.18 кВт |
| Напряжение | 220В/однофазный, 380В или 415В/3-фазный, 50/60 Гц |
| Частота | 1480 оборотов/мин |
| Размер сетки | 0.038 мм~3 мм |
| Размер машины | 460*550*665 мм |
| Применение | пищевые, фармацевтические, химические, краски и керамика и т.д. |
Особенности вибрирующего фильтра 450 для соевого молока:
1Легко менять сетку экрана.
2Контактные части из нержавеющей стали 304 в качестве стандартного.
3У нас есть более 3 дизайнов для опциона в соответствии с свойствами материала и производственной области.
4. Может быть оснащен всенаправленным колесом (также называемым универсальным колесом), легко перемещаемым.
5- Процесс с порошком и жидкостью.
6Небольшие размеры, экономия места.
Преимущества450 Вибрирующий фильтр для соевого молока:
1Высокая точность скрининга и высокая эффективность, может использоваться в любом порошке, грануле или слизи.
2. Полностью закрытая структура, порошок не летает, сетка не блокируется, и ситовый порошок может достигать 400 сеток.
3Малый объем, низкий шум, легко передвигаться, порт разряда может быть расположен вдоль окружности.
4Машина оснащена антиблокировочным устройством, которое может эффективно устранить блокировку сетки.
5Для основания оборудования нет особых требований, а общий цементный пол можно использовать непосредственно.
6.Это легко заменить экран, легко работать и легко очистить.
7После просеивания материалы различного размера частиц автоматически и непрерывно выпускаются из соответствующих выходов,который может реализовать непрерывную продукцию.
Структурные особенности450 Вибрирующий фильтр для соевого молока:
1Верхнюю рамку экрана можно легко снять, и это очень удобно, чтобы вылить примеси, которые не проходят через экран.
2Материал выпускается непосредственно, в экране нет мертвого угла и не создается вторичное загрязнение.
3Удобно снимать и менять экран с помощью внутреннего нажатия экрана типа V.
4Для легкого передвижения можно добавить нейлоновое тормозное колесо.
5Добавлено водонепроницаемое покрытие, чтобы предотвратить электричество из воды.
Рабочий принцип из450 Вибрирующий фильтр для соевого молока:
Фильтрный экран типа 450 использует в качестве источника вибрации новый тип вертикального вибрационного двигателя. Верхний и нижний концы вертикального вибрационного двигателя оснащены эксцентрическими весами,которые могут генерировать горизонтальныеСила возбуждения передается к раме экрана и материалам через приемную панель для достижения превосходного качества.Подстраивая фазовый угол верхнего и нижнего эксцентрического весового молотка, путь движения материала на поверхности экрана может быть изменен, чтобы обеспечить полную классификацию материала.
Структурный состав из450 Вибрирующий фильтр для соевого молока:
Фильтровая машина типа 450 состоит из корпуса, вибрирующего двигателя, хоппера, рамы экрана, электронного блока управления и т.д.Машина принимает новый тип вибрационной структуры со стабильной вибрацией и высокой эффективностьюЭта машина имеет преимущества нового внешнего вида, разумной структуры и простой в эксплуатации,и более подходит для случаев, когда место работы часто меняется.

Применение вибрирующего фильтра 450 для соевого молока:
450 вибрационный сортировщик может широко использоваться в пищевой, керамической, медицинской, металлургической, химической промышленности, краске и других отраслях.Также он имеет успешное применение в ресторанах быстрого питания и известных сетей распределения центра, такие как тестовая мука, хлебная мука для очистки от примесей, фруктовые и овощные соки, фильтр для соевого молока и т. д.
Замена экрана450 Вибрирующий фильтр для соевого молока:
1. Сначала снимите раму экрана с принимающей панели, расслабьте болты, снимите экран, который нужно заменить.
2. Затем разложить новый экран на раме экрана, и поставить держатель экрана, и нарисовать его вокруг (не слишком тесно), оставить сантиметр вдоль сетки кольца, наложить болты и затянуть,и наконец отрезать лишний экран.

Контактная информация:
Электронная почта: sale@aarealmachine.com
magiecn@gmail.com
WhatsApp/WeChat: 0086-15637361027
Сайт:https://www.aarealmachine.com