ВведениеизВысокоточная промышленная вибрирующая ситовая машина для картофельного крахмала:
Высокоточная промышленная вибрирующая ситовая машина для картофельного крахмала - это вибрирующая или гираторная ситовая машина, разработанная по принципу гираторного движения, генерируемого вибро-мотором.Гираторное движение является наиболее эффективным методом скринингаВиброэкраны приводятся в действие вертикально установленным вибрационным двигателем с эксцентрическим весом в верхнем и нижнем концах вала.Во время вращения двигателя верхний вес вызывает вибрации в горизонтальной плоскости, тогда как вращение нижнего веса вызывает наклон и вибрации в вертикальной плоскостиИзменив угол проводки, получаются различные схемы спирального скрининга для различных применений.Виброэкраны обеспечивают оптимальное отображение и обеспечивают максимальную скорость подачи и эффективностьВиброэкран также известен как гироэкран, вибрирующий экран, вибросифтор, виброградир, вращающийся экран и другие.
Наша гироэкранная машина более продуктивна по сравнению с обычными круглыми виброэкранными сепараторами с точки зрения увеличения емкости, точности скрининга, снижения шума,потеря хорошего продукта и время простоя производства.

Некоторая информация оВысокоточная промышленная вибрирующая ситовая машина для картофельного крахмала:
| Модель | АР |
| Форма | круглая или круглая форма |
| Условия экрана | 1 ~ 5 слоев экрана с 2 ~ 6 розетками |
| Размер сетки | более 325 мач |
| Каркас экрана | тип клея, L-тип (тип вставки болта), ультразвуковой тип (внутренний и внешний передатчик), тип фланца и т.д. |
| Система самоочистки | отскакивающие шары (с шаровыми колодцами), ультразвуковая система очистки, система вращающейся кисти и т.д. |
| Диаметр | 400 мм, 600 мм, 800 мм, 1000 мм, 1200 мм, 1500 мм, 1800 мм, 2000 мм |
| Материал | Нержавеющая сталь 304, 316L, углеродистая сталь, пластиковые материалы и т.д. |
| Обработка поверхности | Краска, песочница и полировка и т.д. |
| Функция | твердое отделение, классификация, удаление примесей и т.д. |
| Движение | Трехмерное вибрационное движение |
| Углубление пружины | пружина из углеродистой стали, пружина из нержавеющей стали, воздушная пружина, резиновая пружина и т.д. |
| Двигатель | один набор вибрирующего двигателя, вертикальное расположение |
| Марка двигателя | AAREAL Made, OLI-WOLONG, Italvibras и т.д. |
| Система безопасности APO | Автоматическая система безопасности отключения питания интегрирована в мотор |
| Части для быстрого износа |
сетчатые экраны, перфорированные пластины, отскакивающие шарики, зажимы, пружины, уплотнительные резиновые ленты и т.д. |
| Факультативный дизайн | Выпускные ворота, магнитная защита, скорая застежка, стеклянный просмотровый порт, сборная лотка и т.д. |
СтруктураDиаграмма изВысокоточная промышленная вибрирующая ситовая машина для картофельного крахмала:

Вибрационный сифтор состоит из верхней крышки, экрана, основания и вертикального двигателя с эксцентрическим весом, установленным на двух концах.вертикальныйДиаметр также может варьироваться от 400мм до 2000мм, с одной или несколькими скрининговыми палубами, материал может быть полностью из углеродистой стали,В целом, нержавеющая сталь или контактные части материала являются нержавеющей сталью в зависимости от разного продукта..
Технические параметры изВысокоточная промышленная вибрирующая ситовая машина для картофельного крахмала:
| Модель | Сила | Диаметр экрана | Эффективная зона скрининга(m2) | Условия экрана |
| AY-400 | 0.18 кВт | 350 мм | 0.0962 | 1 ~ 3 |
| AY-600 | 0.25 кВт | 550 мм | 0.2375 | 1 ~ 3 |
| AY-800 | 0.55 кВт | 750 мм | 0.4416 | 1 ~ 3 |
| AY-1000 | 00,75 кВт | 920 мм | 0.6644 | 1 ~ 3 |
| AY-1200 | 1.1 КВт | 1120 мм | 0.9847 | 1 ~ 3 |
| AY-1500 | 1.5 кВт | 1420 мм | 1.5829 | 1 ~ 3 |
| AY-1800 | 2.2 кВт | 1720 мм | 2.3223 | 1 ~ 3 |
| AY-2000 | 30,0 кВт | 1920 мм | 2.89 | 1 ~ 3 |
Особенности изВысокоточная промышленная вибрирующая ситовая машина для картофельного крахмала:
1Эффективно для сухих или влажных применений
2Абсолютный контроль движения материала на гироэкране
3Доступно с окрашенной или нержавеющей стальной основой
4До пяти заранее определенных фракций продукта в одной операции
Работа ППринцип изВысокоточная промышленная вибрирующая ситовая машина для картофельного крахмала:

Ротационный вибро скрининг-машина состоит из вертикального двигателя в качестве источника возбуждения.Верхний и нижний концы двигателя оснащены эксцентрическим весом, чтобы преобразовать вращающееся движение двигателя в горизонтальное, вертикальное и наклонное трехмерное движение, а затем передать это движение на поверхность экрана.Регулирование фазового угла верхнего и нижнего концов может изменить траекторию материала на поверхности экрана.


ЦельВысокоточная промышленная вибрирующая ситовая машина для картофельного крахмала:



Отделение твердости от жидкости Удаление нечистоты
ПрименитьВведениеизВысокоточная промышленная вибрирующая ситовая машина для картофельного крахмала:
1Продовольственная промышленность: грунтовые порошки, порошки специй, сахар, соль, щелочи, натриевый глутамат (МСГ), глутамат, крахмал, молоко в порошке, дрожжи и фруктовые соки.
2Химическая промышленность: смолы, пигменты, медикаменты, жиры, средства для уничтожения, каучук и пластмассы.
3Абразивная, стекло и керамическая промышленность: Силиконовый песок, оксид алюминия, шлифовальные абразивы, стеклянная пыль и огнеупорные материалы.
4Производство бумаги Промышленность: покрытый отстой, черно-белый спирт, жидкость для подстилки, отработанная жидкость и утилизация сточных вод.
5Механическая промышленность: песок, порошковая металлургия, электромагнитные материалы, алюминиевый порошок, металлопорошок и сплавы.
6Другие: углерод черный, активированный углерод и жемчуг.
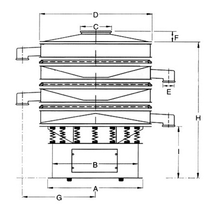
В целомDразмерыизВысокоточная промышленная вибрирующая ситовая машина для картофельного крахмала:

| Модель | А. | В. | В | D | Е | F | G | Я... | Одиночная Lвчера.Высота | Двойной. Лвчера.Высота |
Три. Склад Высота |
| AY-400 | 472 | 372 | 150 | 400 | 110 | 60 | 300 | 270 | 550 | 660 | 770 |
| AY-600 | 570 | 450 | 200 | 600 | 120 | 80 | 380 | 340 | 730 | 865 | 1000 |
| AY-800 | 690 | 570 | 200 | 800 | 130 | 100 | 550 | 340 | 730 | 865 | 1000 |
| AY-1000 | 810 | 690 | 250 | 970 | 150 | 120 | 650 | 400 | 790 | 925 | 1060 |
| AY-1200 | 970 | 850 | 250 | 1170 | 180 | 130 | 760 | 450 | 860 | 1025 | 1190 |
| AY-1500 | 1180 | 1060 | 250 | 1470 | 200 | 140 | 950 | 480 | 985 | 1180 | 1370 |
| AY-1800 | 1480 | 1360 | 350 | 1770 | 220 | 150 | 1110 | 520 | 1030 | 1220 | 1410 |
Контактная информация:
Электронная почта: sale@aarealmachine.com
magiecn@gmail.com
WhatsApp/WeChat: 0086-15637361027
Сайт:https://www.aarealmachine.com