550-3800 МГц N женский низкий PIM 3dB гибридный комбайнер DAS
| Номер части | ВН-HC2x2-05538-ON |
| Операционная частота (MHz) | 550 - 3800 |
| Импеданс (Омм) | 50 |
| VSWR | 1.25 |
| Сцепление (dB) | 3±1 |
| Потеря вставки (dB) | 3±1 |
| Изоляция (dB) | 23 |
| IM3 (dBc @ 2×43dBm) | -153/-163 |
| Применение | Внутри и снаружи |
| Степень защиты | IP65 |
| Рабочая температура (°C) | -40 ~ + 80 |
| Интерфейс | N Женщина |
| Мощность обработки (Ватт, максимум) | 300 |
| Пиковая мощность (Ватт, максимум) | 1200 |
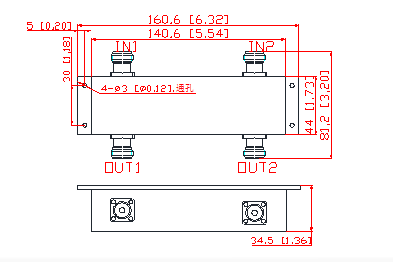
| Размер (мм) ((L×W×H, исключая разъединитель) | 140.6*44*34.5 |
| Чистая масса (г) | 590 |
| Масса упаковки (кг/шт) | 12.9/20 |
| Размеры упаковки (мм,L×W×H) | 170*100*40 |
| Упаковка Картон Размер (мм,L×W×H) | 520*360*105 |
| Соответствие требованиям ROHS | Да, да. |

Гибридные соединители - это специальный случай четырехпортового направленного соединителя, который предназначен для распределения мощности на 3 дБ (равное).и гибриды 180 градусов.
Vinncom имеет различные конструкции гибридных сцеплений на основе микро-полоски, воздушно-диэлектрической и тонкой пленки, волновода и т.д.
Гибридные соединители широко используются как направленные 3db соединители с одним конечным портом, также могут использоваться как комбинаторы 2 в 2 и 2 в 1.
Для некоторых применений гибридные сцепления могут быть объединены в матрицу, например, 4in 4out, 3in 3out и т.д.
Vinncom поставляет множество различных диапазонов частот для гибридной сцепки и широко используется в системах DAS и испытаний.