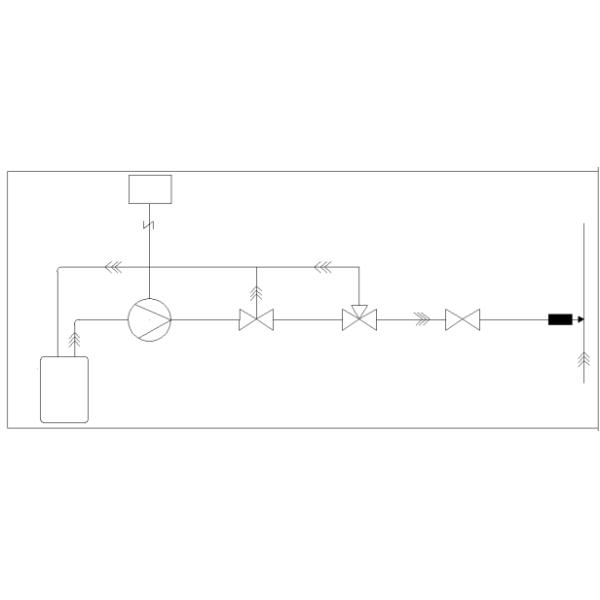
ОписаниеСистема очистки состоит из насоса, распределительного коллектора, контрольной коробки, клапанов и соприкосновений.Насосное устройство черпает муравьиную кислоту из сосуда и отправляет ее через раздаточный коллектор к сосудамВремя работы насоса устанавливается управляющим устройством, а вентиляционные агрегаты очищаются один за другим.
Система очистки может быть стационарной или подвижной.
При необходимости стационарная система может работать автоматически. Добавление кислоты может регулироваться загрузочным соленоидным клапаном, который управляется таймером, регулирующим количество отверстий клапана.Аналогичным образом, запуск и регулирование системы могут автоматически контролироваться изменениями обратного давления.

Инструкция по эксплуатацииПериодически проверяйте обратное давление и записывайте наблюдения в записи WWTP.Противодавление всегда измеряется при постоянной скорости воздушного потока или при известной скорости воздушного потока..
Из-за наличия системы очистки SSI рекомендуется часто очищать вентиляторы или всякий раз, когда обратное давление повышается до 20 мбар.Продолжительность очистки зависит от растения и может варьироваться от одной недели до одного года в зависимости от местных условий..
Корректировка скорости подачи насоса
Скорость подачи в насос определяется размером и скоростью воздушного потока очищаемой вентиляционной установки и количеством подаваемой кислоты.Рисунок 4-1 показывает требуемую скорость перекачки кислоты (l/h) для различных размеров аэрационных блоков при различных скоростях подачи воздуха и кислоты..

Очистка аэрациейЧтобы очистить вентилятор, сделайте следующее:
- Перед очисткой выпустите сжатый воздух из кислотной трубы.
- Откройте клапан отключения кислотной трубы соответствующего аэрационного блока.
- Убедитесь, что дополнительный воздух допускается в кислотный контейнер во время насоса, иначе кислота испаряется.
Установите время работы насоса с помощью контрольной коробки.
- Запустите насос.
- Когда насос остановится, закройте клапан соответствующего вентиляционного агрегата.
Обычно рекомендуется добавлять кислоту к одному аэрационному агрегату за раз, чтобы обеспечить подачу муравьевой кислоты в точную назначенную точку системы.Все вентиляторы могут очищаться одновременно..
Если всасывающие и подающие линии насоса опустошаются, то всасывающие линии должны быть нанесены давление, чтобы насос мог втягивать жидкость, которую нужно вывести.Это происходит, когда кислотный контейнер медленно опустошен и насос начинает втягивать воздух.
УстановкаСистема крепления включает следующие устройства:
- Насосы
- Насосы
- Всасывающий шланг
- Вентиль для снятия давления
- Клапан отключения.
- клапан отключения, по одному для каждого блока аэрации
- Электрический кабель.
- Защитное устройство