Задерживающий клапан гидравлического валика медленный закрывая
Описание:
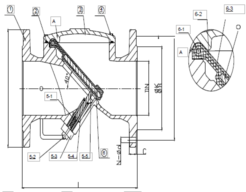
RDCS медленный заключительный задерживающий клапан с гидравлической функцией валика. Дно тела оборудовано с гидравлическим прибором валика, когда насос останавливает, диск упадет быстро, прежде чем полное закрытие о 15% из отключения, диск закроет медленно через особенный прибор без молотка воды случилось.
Особенности:
. Резиновый диск принимает метод NBR/EPDM полностью помещенный, это может обеспечить лучшие запечатывание и защиту от коррозии.
. Подкладка нейлона в диск, который нужно усилить ее, которая может избежать трещиноватости.
. Диск расположен на верхней части жидкости после открытия клапана и может уменьшить повреждение.
. Все части литого железа покрыты с эпоксидной смолой.
. Простой дизайн, легкое отверстие верхний bonnet, который нужно сделать очищает, заменить, и поддержать работу.
. Исполняет с расстоянием BS EN1074-3, BS4504, и BS EN558 сторон.
Общие применения:
Для общих водоснабжения, пожаротушения, охлаждать HVAC/& канализации.
Обычно установленный на выход насоса.
| Размер | DN50-DN600 |
| Работая температура | - 10 c C- 80 |
| Оценка давления | PN10, PN16, PN25 |
| Соединяясь фланец | PN10/PN16/ANSI 150LB |
| Средства массовой информации подачи | Вода и сточные воды |
| Качественная система | |
| IQC | Проверите части звонка входящие |
| IPQC | Проверите производственный процесс квалифицирует |
| FQC | Все клапаны испытанное давление |
| OQC | Проверите ourlook и упаковку клапана |
Материал:



