Пилот диафрагмы аксессуаров модулирующей лампы нержавеющей стали 304 включеный-выключеный
Дальше пилотное PONX можно использовать к accerlerate отпуск воды от верхней палаты парламента главного клапана. Это обычно использовано для большого клапана регулирования скорости и направления движения размера для того чтобы помочь отверстию

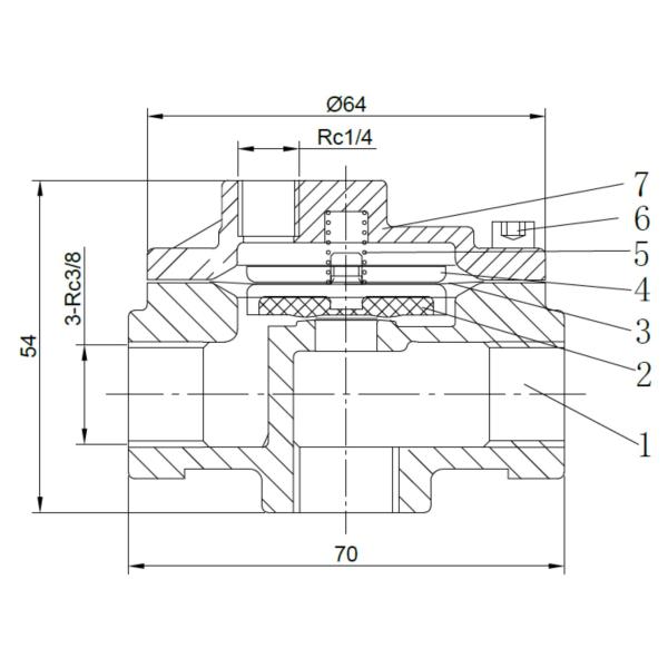
| Нет. | Имя части | Материал |
| 1 | Тело | AISI304 |
| 2 | Диск | SUS304+EPDM |
| 3 | Диафрагма | NBR+Nylon |
| 4 | Фиксируя держатель | AISI304 |
| 5 | Весна | AISI304 |
| 6 | Винт | A2 |
| 7 | Bonnet | AISI304 |