Тип GPR 0,4 ∼ 3,0 м2 Алюминиевый трубчатый охладитель промышленной оболочки и теплообменник
Обзор продукции
ВПрохладитель труб, также называемыйОхладитель труб и оболочекПуть жидкости, протекающей в трубке, является стороной трубки, а путь жидкости, протекающей за ее пределами, - стороной оболочки.Стенная поверхность пучка трубы является пути передачиНа горячей поверхности, когда разница температуры между пучком трубки и оболочкой превышает 50°C,должны быть приняты соответствующие меры компенсации температуры для устранения или снижения теплового напряжения;Обычно преобладает водоохлаждаемый тип.
Трубы теплопередачи трубного охладителя выкатываются из медных труб для образования теплораспределяющих плавников. Площадь теплообмена большая, продукт небольшого размера и легкого веса.
Эта серия может быть спроектирована и изготовлена в соответствии с требованиями клиентов от малого до среднего размера, охватывая широкий спектр.
Параметры продукта
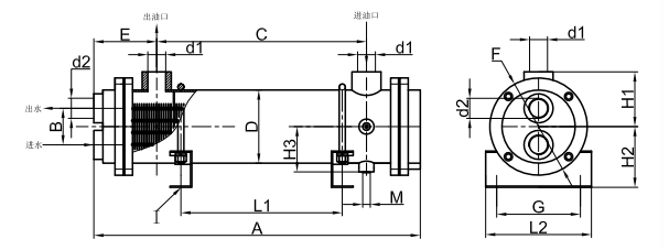
| Модель | А. | В. | В | D | Е | F | G | dl | d2 | L1 | L2 | Хл. | Н2 | H3 | М | Я... |
| ГПР-0.4 | 370 | 38 | 240 | φ76 | 70 | 102 | 70 | G1 ̇ | G1/2 | 145 | 100 | 60 | 68 | 50 | 3-G1/4 | 4-φ11 |
| ГПР-0.6 | 540 | 38 | 405 | φ76 | 72.5 | 102 | 70 | G1 ̇ | G1/2 | 310 | 100 | 60 | 68 | 50 | 3-G1/4 | 4-φ11 |
| ГПР-0.8 | 660 | 38 | 532 | φ76 | 69 | 102 | 70 | G1 ̇ | G1/2 | 435 | 100 | 60 | 68 | 50 | 3-G1/4 | 4-φ11 |
| ГПР-1.0 | 810 | 38 | 665 | φ76 | 77.5 | 102 | 70 | G1 ̇ | G1/2 | 570 | 100 | 60 | 68 | 50 | 3-G1/4 | 4-φ11 |
| ГПР-1.2 | 940 | 38 | 805 | φ76 | 72.5 | 102 | 70 | G1 ̇ | G1/2 | 715 | 100 | 60 | 68 | 50 | 3-G1/4 | 4-φ11 |
| ГПР-1.3 | 560 | 60.5 | 375 | φ121 | 100 | 161 | 130 | G1 ̇ | G1" | 225 | 160 | 85 | 93 | 73 | 3-G1/4 | 4-φ1l |
| ГПР-1.7 | 690 | 60.5 | 500 | φ121 | 102.5 | 161 | 130 | G1 ̇ | G1" | 350 | 160 | 85 | 93 | 73 | 3-G1/4 | 4-φ11 |
| ГПР-2.1 | 820 | 60.5 | 635 | φ121 | 100 | 161 | 130 | G1 ̇ | G1" | 485 | 160 | 85 | 93 | 73 | 3-G1/4 | 4-φ11 |
| ГПР-2.6 | 960 | 60.5 | 775 | φ121 | 100 | 161 | 130 | G1 ̇ | G1" | 630 | 160 | 85 | 93 | 73 | 3-G1/4 | 4-φ11 |
| ГПР-3.0 | 1090 | 60.5 | 905 | φ121 | 100 | 161 | 130 | G1 ̇ | G1" | 760 | 160 | 85 | 93 | 73 | 3-G1/4 | 4-φ11 |
Изображение продукта

Применение продукта
Прохладители трубной нефтиподходят для охлаждения масла с низкой вязкостью и относительно чистым, поэтому его можно использовать в пластиковых машинах, гидравлическом оборудовании, воздушных компрессорах, системах смазки тонким маслом, гидравлических сцеплениях,энергетическое оборудование и другие отрасли.
Термообменники для оболочек и трубшироко используются в системах смазки тонким маслом и гидравлических системах в металлургии, горнодобывающей промышленности, цементе, электроэнергетике, легкой промышленности, пищевой промышленности, химической промышленности,изготовление бумаги и другие промышленные отрасли для охлаждения смазочного масла и гидравлического масла в системе.