Робототехнические типы сварочного аппарата
Типы полно роботов автоматной сварки по существу продифференцированы согласно сваривая методу. На самом деле, его можно также расклассифицировать согласно различным электродам, и разделен в 2 типа: аргон - дуговая сварка и не- плавя аргон - дуговая сварка. Их принципы работы и характеристики все другие.
Когда полно робот автоматной сварки использует не- плавя дуговую сварку аргона, произведенные ожога дуги между не- плавя поляком и workpiece, и инертным газом который химически не реагирует с подачами металла вокруг сваривая дуги для того чтобы сформировать защитный колпак.
Что сказать, в это время, полно робот автоматной сварки может сделать вольфрамом весьма часть, дугу и жидкий бассейн и высокотемпературный металл за контактом затронутой зоны жары не с воздухом, таким образом эффектно предотвращая оксидацию и поглощая вредные газы, таким образом формируя плотное сваренное соединение. И шоу улучшают механические свойства.
Когда полно робот автоматной сварки будет сварен аргоном - заварка защищенной дуги, сваривая провод будет кормиться через колесо провода, и проводное сопло проводит электричество, произвести дугу между основным металлом и сваривая проводом, плавит сваривая провод и основное вещество, и использует инертный газ. Газ аргона защищает дугу и расплавленный метал для сваривать.
В отличие, очевидная разница между 2 что бывшие пользы защитный газ; последнее использует провод как электрод и непрерывно расплавлено в жидкий бассейн для того чтобы сформировать сварку после конденсации, пробуждая полно робот автоматной сварки успешного для выполнения сварочной операции.
Однако, дуговая сварка аргона основной сваривая процесс для полно роботов автоматной сварки. С одной стороны, предохранение от газа аргона может изолировать отрицательные влияния кислорода, азота и водопода на дуге и жидкого бассейна, и уменьшает сварить дефекты случилось. С другой стороны, оно потому что сваривая эффективность продукции высока и она не ограничена положением weldment.
Робототехническая спецификация сварочного аппарата
| Модель робота | ZK1400-06 | |
| Применение | Дуговая сварка | |
| Установка | Вертикальная земная установка | |
| Количество осей | 6 | |
| Полезная нагрузка | 6kg | |
| Максимальный работая радиус | 1400mm | |
| Повторенная posiontioning точность | 0.03mm | |
| Максимальный совместный ряд | J1 | Редуктор RV ±160° |
| J2 | Редуктор RV +110°, -70° | |
| J3 | Редуктор RV +65°, -120° | |
| J4 | Редуктор RV ±150° | |
| J5 | Неубедительный гармоничный редуктор +105°, -110° | |
| J6 | Неубедительный гармоничный редуктор ±320° | |
| Максимальная совместная скорость | J1 | Редуктор RV 201.9°/S |
| J2 | Редуктор RV 198.3°/S | |
| J3 | Редуктор RV 198.3°/S | |
| J4 | Редуктор RV 296.2°/S | |
| J5 | Неубедительный гармоничный редуктор 197.5°/S | |
| J6 | Неубедительный гармоничный редуктор 247.2°/S | |
| Позволяемый момент изгиба N.m | J4 | Редуктор RV 9.8N.m |
| J5 | Редуктор RV 9.8N.m | |
| J6 | Неубедительный гармоничный редуктор 4N.m | |
| Позволяемая инерция Kg.㎡ | J4 | Редуктор RV 0.3kg.㎡ |
| J5 | Редуктор RV 0.3kg.㎡ | |
| J6 | Неубедительный гармоничный редуктор 0.05kg.㎡ | |
| Вес тела полный | KG | 185KG |
| Оперативная среда | Температура | 0℃ - 45℃ |
| Влажность | 20% до 80% | |
| Другие |
Держите далеко от коррозионных газов или жидкостей или взрывчатых газов, |
|
| Мощность | 6KVA (робот) + 24KVA (сваривая источник) | |
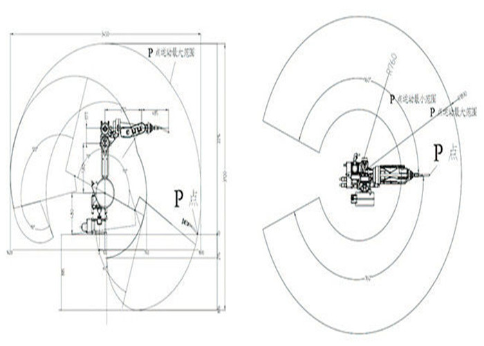
Робототехнический ряд движения сварочного аппарата

Робототехнический пакет сварочного аппарата

Робототехническое введение компании сварочного аппарата
CO. гения Шанхая промышленное, Ltd международные продажи пункт обслуживания Nantong Zhenkang Заварки Электро-механическ Компании, который был установлен в 1993, имеет 20 лет истории в сваривая индустрии.
Наш компании фидер провода изготовления профессионально, шестерня RV редуктор и промышленный робот, который принимается за научные исследования и разработки, изготовление и надувательство.
В настоящее время, наша компания занимает зону 32 000 квадратных метров, с районом завода 25 000 квадратных метров. Он имеет 72 старших техников, 42 техников сразу исследуя и превращаясь, и полных имуществ 100 миллионов CNY.
Компания имеет предварительные и изощренные технологические оборудования и испытывая аппаратуры, механические инструменты CNC, подвергая механической обработке центры, медленные автоматы для резки провода и другое оборудование больше чем 200 блоков; строгая система проверки качества, стопроцентное испытание значит; переростает в CNC продукции, умное собрание и автоматизация работы офиса, осуществляла предварительное управление ERP и первоклассное место продукции современных предприятий. Строгие аттестации системы ISO9001 и ISO14001 обеспечивают сильную гарантию для компании для произведения высококачественных фидеров провода, редукторов RV и промышленных роботов.
Почему выберите нас?
1. многолетний опыт 25 в исследовании и продукции фидера провода, ведущего поставщика в мире, Yaskawa и FANUC также наши клиенты.
2. многолетний опыт 8 в исследовании и продукции шестерни уменьшения RV, шестерни уменьшения RV компонент ядра роботов, построил сильное учреждение для исследования & развитие промышленного робота в будущем, теперь продаж шестерни уменьшения RV достигает до 20 000 блоков в год.
3. С сильным техническим преимуществом шестерни фидера провода и уменьшения RV, в 2015, мы установили долгосрочное отношение с университетом Гонконга науки и техники и независимо развитые роботы, наша цель произвести 200 000 наборов шестерни уменьшения RV и 10 000 наборов роботов заварки в год.

вопросы и ответы
Q: Как о вашем после - обслуживания продажи?
:
1. Обслуживания установки: В периоде установки и отладки, мы предложим тренировку об эффективной эксплуатации и техническое обслуживание.
2. Технические обслуживания: Мы можем помочь нашим клиентам для того чтобы разрешить весь вид технических проблем с нашей способной технической командой, и мы имеем адекватный опыт для проекта преобразования производственной линии.
3. Обслуживания гарантии: Мы предлагаем свободное обслуживания после продажи за исключением расхода путешествовать инженеров для любой качественной проблемы происходит во время наших 12 месяцев периода гарантии.
.
Q: Что ваше условие оплаты?
: Метод оплаты предплата 50%, баланс 50% перед доставкой груза если клиенту не нужна приобъектные установка или отладка;
Метод оплаты предплата 50%, баланс 40% перед доставкой груза, 10% на проверке в фабрике клиента если клиенту нужна приобъектные установка или отладка.