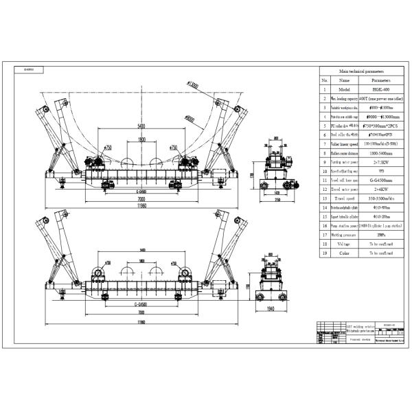
ролики трубы ролика PU 400T сваривая с гидравлической защитой Arims для monopile диаметра 13m оффшорное
Краткое введение:
ролики трубы емкости нагрузки 400T сваривая с вспомогательной гидравлической поддержкой использующ для workpiece диаметра 13meter.
Описание роликов заварки трубы 400T:
Основные технические параметры
| Тип |
Максимальная нагрузка (тонна) |
соответствующий размер работы (mm) |
&width диаметра ролика (mm) |
Сила мотора (Kw) |
Скорость контроль |
| HGK400 | 400 | Φ3000-13000 | Φ700×100 (стальные) x2pcs + Φ700×300 (PU) x2pcs | 2×7.5 |
VFD stepless |

Особенность:





Пункты вы можете относиться:
Изготовление на заказ - может ваша машина или другие продукты подгоняйте?
Ronniewell: Конечно. Как профессиональный изготовитель, мы имеем нашего собственного инженера команда, которая хороша на дизайне, начинает & строит особенное ресторанное обслуживаниу решения для вашего индивидуального требования.
Транспорт-что о транспорте?
Ronniewell: Seaway самый общий путь транспорта для международной торговой операции. Зависит от вашего местоположения, совмещенного перехода рельсом и море также вариант. Определенно железнодорожный транспорт также приемлем если самый соответствующий подход.
Обслуживания после продажи - что об обслуживании после-продажи?
Ronniewell: Мы обеспечиваем период гарантии 12month для всего качества машины. В течение этого периода, любой вопрос доказал из-за рванины самой машины, мы принял бы всю ответственность его. За исключением периода гарантии, техническая консультативная поддержка доступна свободно покрывающ целый используя жизнь машины. Обслуживание инженера на предпосылках потребителя также доступно для необходимого.