клапан соленоида 12C1176 12C3697 EMDV-08-N-3K-0-26DL для затяжелителя колеса
Характер продукции:
· Место происхождения: Китай
· Фирменное наименование: LIUGONG
· Номер модели: 12C3697
· Имя: Клапан соленоида
Применение: Затяжелитель колеса
· Гарантия: 3 месяца
· Тип: Части затяжелителя колеса запасные
· Доставка: 3-5 рабочие дни
· Количество запаса: доступный
Упаковка & доставка:
Упаковывая детали: Коробки
Порт: Гуанчжоу/Шэньчжэнь
Время выполнения: Погруженный в 1 дне после оплаты
ЧАСТИ ЗАТЯЖЕЛИТЕЛЯ КОЛЕСА ВКЛЮЧАЮТ: СИСТЕМА ДВИГАТЕЛЯ, ПЕРЕДНЯЯ ОСЬ КАК, ЗАДНЯЯ ЦАПФА, ВАЛ ПЕРЕДНЕГО ПРИВОДА, ЗАДНИЙ ВАЛ ПРИВОДА, СИСТЕМА КОНВЕРТЕРА ВРАЩАЮЩЕГО МОМЕНТА, ПЕРЕДАЧА КАК, УПРАВЛЕНИЕ ПЕРЕДАЧИ
РЫЧАГ, СИСТЕМА УПРАВЛЕНИЯ, ГИДРАВЛИЧЕСКАЯ СИСТЕМА, ТОРМОЗНАЯ СИСТЕМА, ТОРМОЗНАЯ СИСТЕМА СТОЯНОЧНОГО ТОРМОЗА, ПЕРЕДНЯЯ РАМКА, ЗАДНЯЯ РАМКА, ОТЧЕТЛИВО ПРОИЗНОШЕННАЯ ЗАМИНКА КАК, ИНСТРУМЕНТ РАБОТЫ, ВЕДРО КАК, ПРОТИВОВЕС, КАБИНА, COMPARTMEN ОПЕРАТОРА, LEFT-FENDER, RIGHT-FENDER, КЛОБУК ДВИГАТЕЛЯ КАК, ПРЕДОХРАНИТЕЛЬ GP-RADIATOR, ГРУППА СТУЛА, СИСТЕМА КОНДИЦИОНИРОВАНИЯ ВОЗДУХА.
Мы специализированы в запасных частях для затяжелителя колеса Liugong: CLG816, CLG835, CLG835H, CLG836, ZL30E, ZL40B, ZL50C, ZL50CN, CLG856, CLG855, CLG855H, CLG842, CLG856H, CLG777, CLG888….
польза клапана соленоида 12C1176 12C3697 EMDV-08-N-3K-0-26DL для liugong clg856 clg862 ......
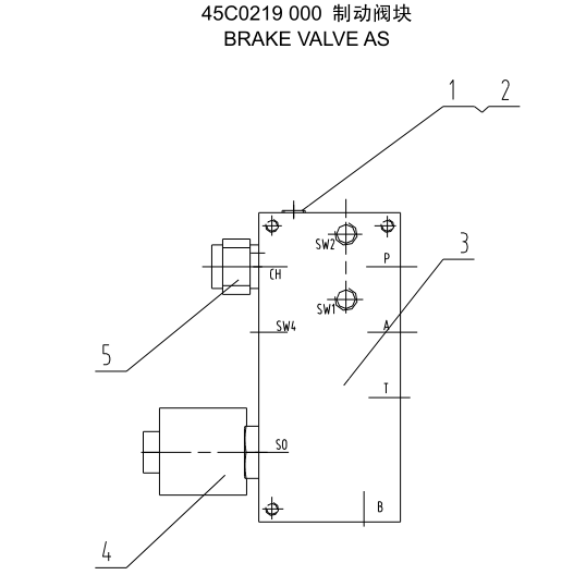
| 45C0219 | КЛАПАН ТОРМОЗА КАК | QTY |
| 12B0046 | КОЛЦЕОБРАЗНОЕ УПЛОТНЕНИЕ | 1 |
| 03B0066 | ШТЕПСЕЛЬНАЯ ВИЛКА | 3 |
| 78A0217 | ТЕЛО КЛАПАНА | 1 |
| 12C1176 | КЛАПАН СОЛЕНОИДА | 1 |
| 12C0597 | ЗАДЕРЖИВАЮЩИЙ КЛАПАН | 1 |








Наши преимущества:
1. Мы можем помочь покупателям конструировать специфические продукты или произвести продукты согласно дизайну покупателей.
2. Небольшой заказ приемлемый.
3. Конкурентоспособная цена была предложена.
4. Дознание или вопрос быть отвеченным в течение 12 часов.
5. Лучшее возможное послепродажное обслуживание.
6. Мы можем напечатать логотип согласно требованию к покупателей.
7. Запас обширный ряд запасных частей.
8. Благоприятное географическое положение.
9. Гибкая оценка, предлагает скидку и отсроченный платеж для оптовых покупателей.
10. Своевременная доставка.
вопросы и ответы
Q1. Смогли вы изготовленные на заказ продукты?
: Мы можем изготовить его согласно вашим чертежам или образцам.
Q2. Что ваши условия оплаты.
: T/T или западным соединением, 100% заранее. (крупные заказы можно negociated)
Q3. Что ваши сроки поставок?
: EXW, ОБМАНЫВАЮТ, CFR, CIF, DDU.
Q4. Как о вашем сроке поставки?
: 1-3 рабочих дней вообще, и 7-10 дней для крупных заказов.
Q5. Как можете вы гарантировать качество?
: Одна гарантия года против даты B/L. Если вы сталкиваетесь с качественный, то мы обещаем к ответственному за его.
Q6: Можем мы купить 1 ПК каждого деталя для качественного испытания?
: Да, мы понимаем что качественный тест важен и мы радостны отправить 1pc для качественного испытания.
Бирки: части затяжелителя колеса запасные, фильтр, части затяжелителя запасные,