Горизонтальная гидравлическая пресса для разборки главной приводной передачи коробки передач,
Двойная машина прессы шестерни Wheelset цилиндра, железнодорожное колесо Demount пресса
Объем применения:
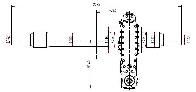
Эта гидравлическая пресса для разборки большой главной приводной передачи использована для того чтобы демонтировать главную приводную передачу коробки передач и своих окружающих компонентов от цапфы. Она применима для wheelsets EMU с коробкой передач. Только требовать одному оператору для того чтобы завершить opeation. Высоконапорная система впрыски масла обеспечена для легкий спешиваться.
Технические параметры:
| Максимальная сила цилиндра | kN 3150 |
| Номер цилиндра Ram | 2 ПК (1 вышло + 1 право) |
| Ход поршеня | ≥ 700mm |
| Скорость замыкания прессов | 0~300 mm/min |
| Быстрая передняя и возвращенная скорость | 1000 mm/min |
| Концентричность оси цилиндров (измерением) | ≤ 0,4 mm (в состоянии не-работы) |
| Максимальная нагрузка центрирующего приспособления | 2 тонны |
| Точность управлением хода | ≤ 0,1 mm |
| Перемещать точность | ≤ 0,1 mm |
| Максимальное давление гидравлической системы | MPa 25 |
| Максимальная способность экипажа поддержки | 2,5 тонны |
| Высоконапорное оборудование впрыски | 1 набор, максимальный MPa давления 200 |
| Поставка главной власти (участок AC 3) | 380V/50HZ или согласно требовать |
(*Remarks: Детальные размеры коробки передач будут обеспечены для проектной работы после награженного контракта.)
Основные особенности:
Технические документы:
Следующие технические документы будут поставлены вместе с машиной когда доставка в 3 документальных копиях и 1 недокументальной копии в английском языке:
Обслуживание гарантии & После-продажи:
Один год свободных гарантии и обслуживания продолжительности жизни для оборудования для вашего купленного оборудования. Во время периода гарантии, только должного для того чтобы конструировать дефекты, качество изготовления, и качество купленных частей, наша компания ответственное бесплатно обслуживание. Компания обеспечивает необходимые запасные части (за исключением потребляемых частей). Над периодом гарантии, ремонты только поручены на себестоимосте. В то же время, вы насладитесь программным обновлением продолжительности жизни от даты приобретения; наши инженеры обеспечат быстрый ответ когда обслуживание необходимо.



