Передатчик и приемник модуля Wifi беспроводные НА модуле ti CC3235 Wifi Cansec TA3235SSA-C команды доступном
Передатчик и приемник модуля Wifi беспроводные НА модуле ti CC3235 Wifi Cansec TA3235SSA-C команды доступном
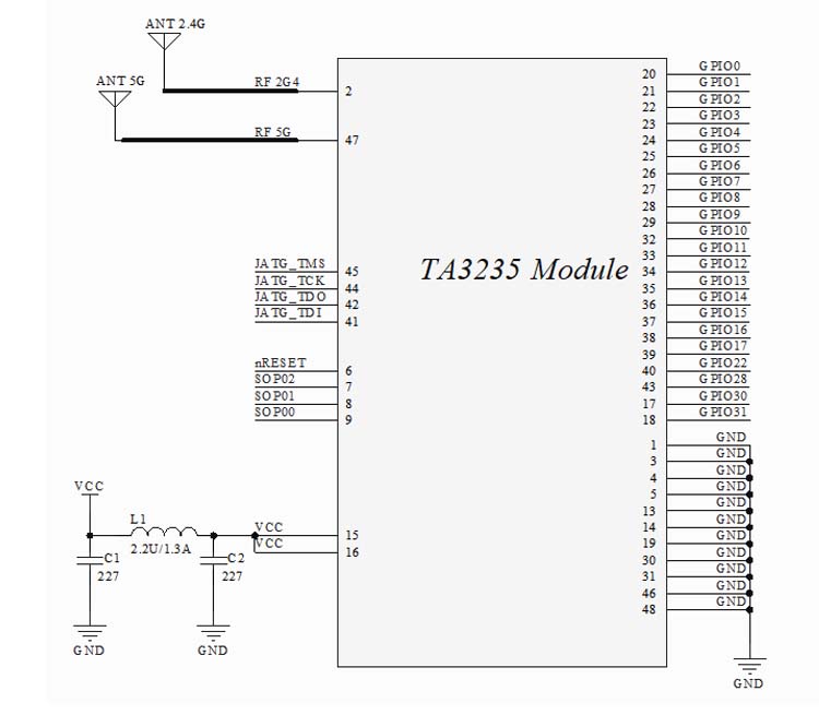
TA3235 модуль WIFI. Интегрированное решение оборудования состоит из CC3235S/CC3235SF Wi-Fi беспроводного MCU. Клиенты могут повторно использовать дизайн ссылки для того чтобы конструировать их собственную доску. Ресурсы программного обеспечения и аппаратного проекта уменьшить опытно-конструкторские работы, сократить время на реализацию, и разработчики и клиенты помощи выпускают их продукты с взаимодействием облака отличают более быстро.











Scatternet специальная сеть состоя из двух или больше piconets.
Piconet определено как связь между два или больше приборы Bluetooth. Сети Piconets ограничены к максимуму 8 приборов, с одним мастером принимая мастерскую роль в любой момент времени и 7 рабов.
Индивидуальные приборы Bluetooth принимают роль мастера, невольничью, или бесполезные приборы пэра в, который дали piconet. Индивидуальный прибор Bluetooth может принять роль раба в одном piconet пока принимающ роль мастера в другом piconet.
Мастерский прибор обеспечивает ссылку синхронизации.
Рабы другие приборы которые синхронизируют к картине часов и частоты прыжков мастера.
Другие бесполезные приборы могут быть расположены в piconet но не активны.