4108E-S - это Wi-Fi HaLow модуль, разработанный на основе стандарта IEEE 802.11ah, со скоростью до 32,5 Мбит/с, работающий в безлицензионной полосе частот Sub 1GHz,обеспечение дальнейшего измерения расстояний и более высоких скоростей передачи данных для Интернета, и 4108E-S отвечает требованиям передачи данных на большие расстояния до 1 км и низкого энергопотребления, 4108E-S поддерживает SDIO 2.0 интерфейс и режим работы SPI, а также многие периферийные устройства, такие как I2C общего назначения, UART и GPIO.
Экспозиция продукции

Описание

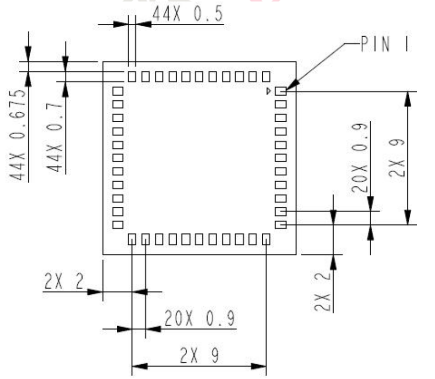
Контур булавки

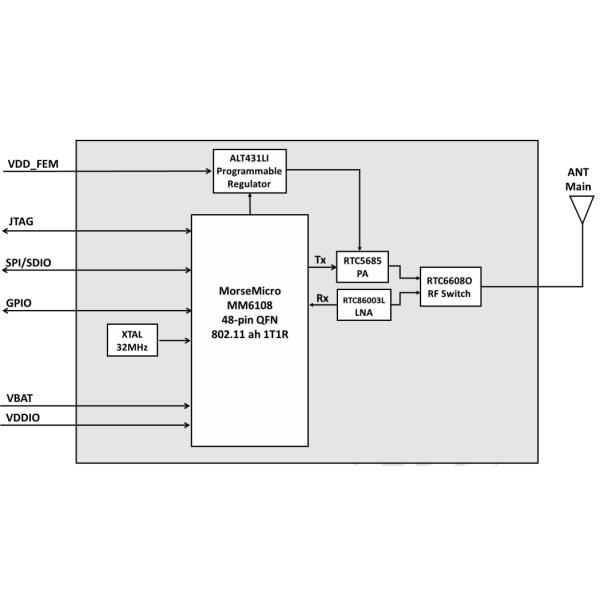
Диаграмма блоков

Размер

Примечание
Если вам нужна дополнительная информация о продукте, пожалуйста, оставьте сообщение для консультации