Мы обещаем, что каждый чип будет использовать оригинальный оригинальный бренд все новый чип. Операционное напряжение 3.3V, Поддержка 2.4GHz Wi-Fi и Bluetooth 4.2
Соответствует стандартам IEEE 802.11n, IEEE 802.11g, IEEE 802.11b
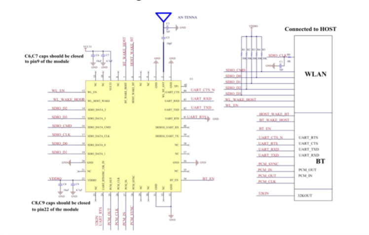
Интерфейс SDIO для подключения Wi-Fi к хост-процессору
Теоретически пропускная способность Wi-Fi может достигать 150 Мбит/с с использованием технологии MIMO 1x1 802.11n b/g/n
высокоскоростной интерфейс UART для BT.
Он также имеет интерфейс PCM для передачи аудио данных
Bluetooth может поддерживать BT2.1+EDR/BT3.0 и BT4.2.
Рекомендация по оформлению

Конструкция для справки
