Это недорогой модуль с низким энергопотреблением, который имеет все функции Wi-Fi и Bluetooth.Приложения для гарнитур Bluetooth. С бесшовными возможностями роуминга и расширенной безопасностью, также может взаимодействовать с различными поставщиками 802.11a/b/g/n/ac точек доступа в беспроводной локальной сети.
Частота: 2.4G& 5GHz
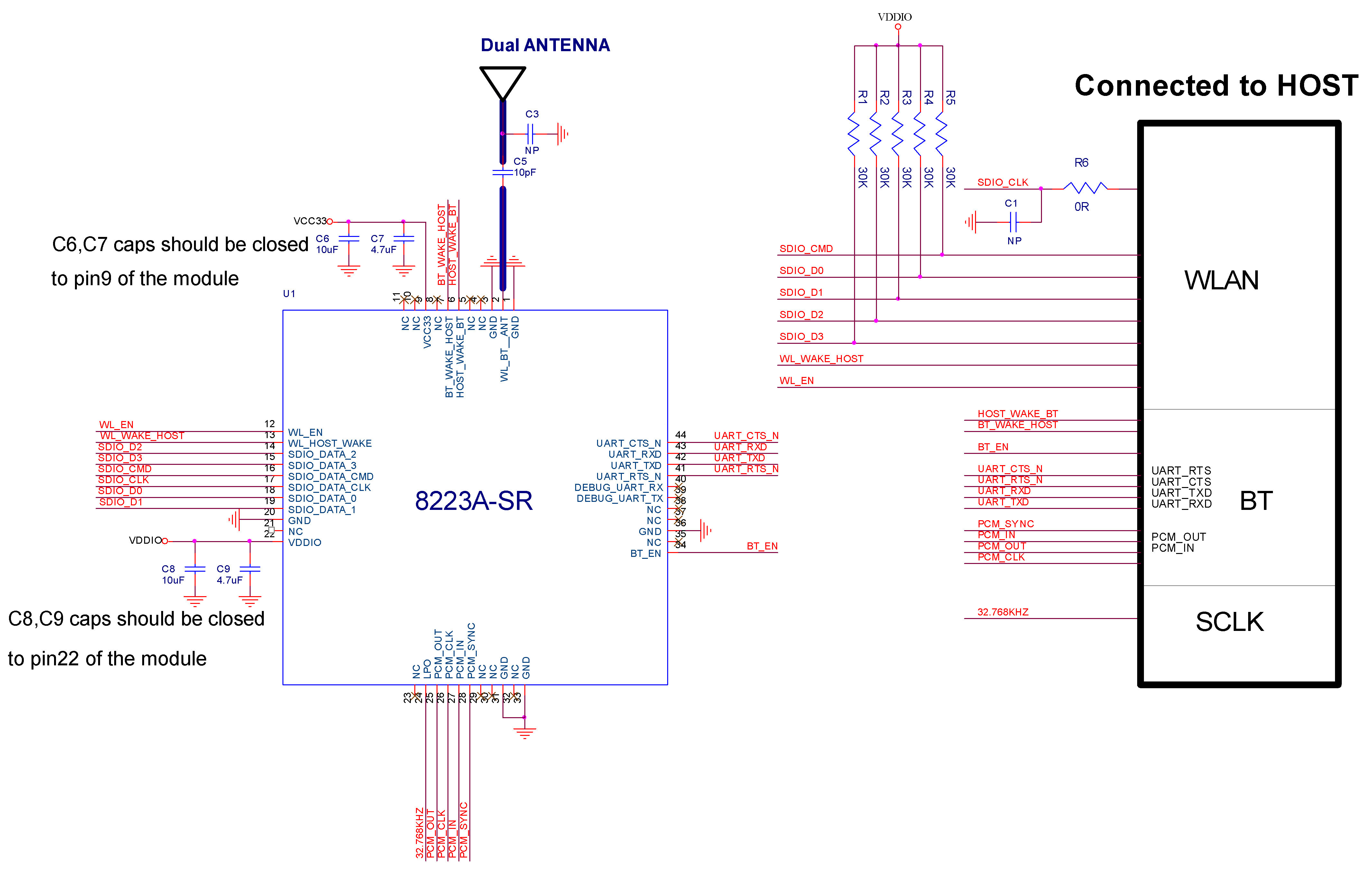
Чипсет: Qualcomm ((QCA1023-0)
РЧ-антенна: внешняя
Интерфейс хоста: SDIO/Uart/PCM
Скорость передачи данных: 433 Мбит / с
Поддерживаемая ОС: Linux/Android
Безопасность: WEP,WPA,WPA2
Размеры: L x W x H: 12 x 12 x 1,7 (типичные) мм
Напряжение питания: 3,3 В
Рабочая температура: -30°C до 85°C
Температура хранения: -40°C до 125°C
1.IEEE стандарты поддерживают 802.11a/b/g/n/ac
2.1T1R, поддерживающий пропускную способность 433Mbps
3Единый интерфейс SDIO 3.0
4.Bluetooth V4.1+HS, BLE и обратная совместимость с Bluetooth 1.2,2.X+ увеличивает скорость передачи данных.
5Сосуществование Wi-Fi-Bluetooth и ISM-LTE.
6.Bluetooth для передачи уровня мощности класса 1 и класса 2.
OTT/IPTV/DVB/STB,Таблетный ПК,Лаптоп,Смарт-ТВ,IPC/NCR,Промышленные контроллеры,DVR,Дорожный звонок,Проектор,AR/VR,принтер/POS терминал,Электронный шкалу,Дрон,Робот,HDMI-передатчик,

