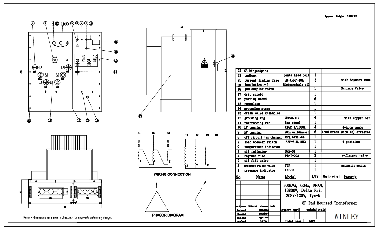
300 кВА Трехфазный трансформатор, установленный на поддоне 13800V до 208Y120V

Трансформатор на подставке - это наземный трансформатор распределительного оборудования, который обычно размещается в замкнутом металлическом шкафу, расположенном на небольшом бетонном подставке.Они обычно изготавливаются с номинальной мощностью от 75 до 5000 кВА и часто включают в себя встроенные предохранители и переключатели.Типичный корпус включает в себя резервуар для удержания ядра/катушки трансформатора, погруженного в масло или тому подобное.и кабельный шкаф с высоко- и низковольтными кабельными отсеками для закрытия высоко- и низковольтных тюбинНаш трансформатор, установленный на подложке, разработан и протестирован в соответствии с отраслевыми стандартами, включая CSA, ANSI C.57DOE, и IEEE в зависимости от обстоятельств.

Особенность
• 60 Гц.
• Средний подъем намотки 65°C.
• Радиальные и петлевые устройства питания.
• Смертный и активный фронтальный тип ВВ-прицепов.
• HV BIL 45 150 кВ (мертвый фронт) 200 кВ (живой фронт).
• LV BIL 30 - 60 кВ.
• Трехточевое замыкание двери низкого напряжения.
• Высоковольтные двери, которые могут быть открыты только после
дверь низкого напряжения открыта.
• Жесткие стальные перегородки.
• Танк трансформатора сварен от крышки до основания.
• Постоянная табличка с именем.
• Однодюймовая капсула для заполнения труб НПТ.
• Заземляющие подушки для танков ANSI.
• 1 дюймовый клапан отвода и выборщик.
• Автоматический клапан снижения давления (35 SCFM).
• Изменитель кранов с (2) 2,5% кранов по полной мощности выше
и ниже номинальной.
• Одно ручное отверстие 10×18 (или 14×25) в трансформаторе
Покрытие резервуара.
• Окрашен в оливково-зеленый цвет (Munsell 7GY 3.29/1.5).
• Проектировано, изготовлено и испытано в соответствии с
с последними стандартами ANSI
Основные данные
| Тип трансформатора | Подъемник, отсекный |
| Тип питания трансформатора | Питание петлей |
| Фаза | Три фазы |
| Мощность | 300 кВА |
| Векторная группа | DYN1 |
| Первичное напряжение | 13800В |
| Первичный фазор | Дельта |
| Вторичное напряжение | 208Y/120 |
| Частота | 60 Гц |
| Повышение температуры | 65°С |
| Квалификация изоляции | Изоляция класса Е - 120°C, 248°F |
| Класс охлаждения | KNAN; самоохлаждаемые |
| Нажмите на менятель | Переключатель кнопки на 5 позиций |
| Импеданс | 50,75% |
| Выключатель перерыва нагрузки | 4-позиционный переключатель перерыва нагрузки |
| Стандарты эффективности | Соответствует стандартам DOE 2016, стандартам CSA, стандартам ANSI/IEEE. |
| Материал намотки | Медь |
| Оценка температуры окружающей среды | 40°C |
| Диапазон температуры окружающей среды | -40°C до +40°C (-50°F до +104°F) |
| Уровень звука | 55 дБА |
| Размеры* | 61-W x 54-D x 69-H |
| Общая масса (наполненная жидкостью) * | 3,637 фунтов |
| Рейтинги | Соответствует/превышает рейтинги эффективности DOE 2016 |
| Соответствует/превышает рейтинги эффективности CSA | |
| Эффективность в % | 99.00% |
| Общая потеря нагрузки (в ватах) при 100% | +/- 3500 Вт |
Технические чертежи

Спецификация
| Трехфазный трансформатор | ||||
| Номинальная мощность (KVA) | Высокое напряжение (KV) | Низкое напряжение (V) | Убытки (W) | |
| Потеря без нагрузки (W) | Потеря нагрузки (W) | |||
| 75 кВА | 24.94/14.4 кВ 12.47/7.2 кВ 34.5 кВ/ 19.92КВ/ 130,8 кВ/ 13.2 кВ/ или другие |
120/240 В 480Y/ 277В 600Y/ 347В |
180 | 1250 |
| 112.5 кВА | 200 | 1500 | ||
| 150 кВА | 280 | 2200 | ||
| 225 кВА | 400 | 3050 | ||
| 300 кВА | 480 | 3650 | ||
| 500 кВА | 680 | 5100 | ||
| 750 кВА | 980 | 7500 | ||
| 1000 кВА | 1150 | 10300 | ||
| 1500 кВА | 1640 | 14500 | ||
| 2000 кВА | 2160 | 20645 | ||
| 2500 кВА | 2680 | 23786 | ||
| 3000 кВА | 3300 | 25300 | ||
| 3750 кВА | 4125 | 27875 | ||
| 5000 кВА | 5200 | 30000 | ||
Процесс производства



Частые вопросы
1Вопрос: Можно заказать образец?
О: Да, мы приветствуем заказ образца для проверки качества.
2Вопрос: Сколько времени?
О: Время массового производства 15-25 дней.
3. Q: Сколько времени гарантия?
Ответ: 24 месяца с B/L. Если есть какие-либо проблемы с аксессуарами, просто предоставьте фотографии поврежденного аксессуара, тогда мы предоставим бесплатный сервис.мы предоставим легко поврежденные аксессуары бесплатно. мы также можем предоставить техническую поддержку, если вам понадобится.
4Вопрос: Есть ли OEM/ODM?
A: Да, это так! Мы являемся производителем с нашей собственной командой исследований и разработок, мы можем настроить продукцию в соответствии с рисунком или требованиями клиента.
Услуги на заказ:
a. настраиваемый цвет и специальная функция.
b. Коробка на заказ.
в. Напечатать логотип клиента.
d. Ваши другие идеи о продукте, мы можем помочь вам разработать и ввести их в производство.
5Вопрос: Как контролировать качество продукции?
A: Наша компания владеет основной технологией, все виды продукции имеют сертификат CE. У нас есть профессиональные инженеры. Рабочие строго обязаны производить продукцию в соответствии с чертежами.Каждый процесс имеет технических инструкторовМы будем проводить тесты производительности продукции во время производства и всеобъемлющие тесты качества, когда продукция будет завершена.