Технические параметры сверхкритической экстракции CO2
| Модель | Мощность добычи | Давление | Температурный диапазон | Форма комбинирования | 
| TOP420-40-200 | 50L×4 | 400 бар | RT-75°С | Четыре экстракции, два разделения. | 
| ТОП220-40-200 | 100 л × 2 | 400 бар | RT-75°С | Два экстракции кастрюли, два разделения кастрюли. | 
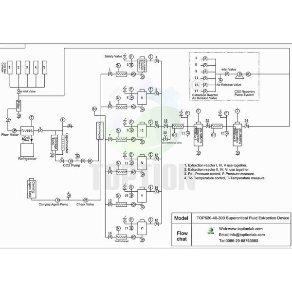
1Экстракционный чайник
Экстракционный чайник оснащен циркуляционной системой отопления с водообеспечением и цилиндром питания для твердых и жидких веществ, температура регулируется.
Материалы: 0Cr18Ni9. Объем: 24L * 2 комплекта. Максимальное рабочее давление: 40MPa.
2Отдельный чайник
Сепарационный чайник оснащен циркуляционной системой отопления с водообеспечением, температура регулируется.
Материалы: 0Cr18Ni9. объем: 10L * 2 комплекта. максимальное рабочее давление: 30MPa
3. CO2 насос высокого давления
Поток (трехплингер): 0~400L/h, регулируется преобразованием частоты.
Максимальное рабочее давление: 40Mpa, насосная головка оснащена системой охлаждения.
- Насос СО2
- Насос высокого давления CO2
- Насос для переработки CO2
4Насосы для тренировки
Поток (двойной поршень): 1/4 ‰ 20 л/ч, механическое регулирование.Максимальное рабочее давление: 40Mpa
5Система охлаждения
Мощность охлаждения: 15000 Ккал/ч, воздушное или водное охлаждение.
Диапазон регулирования температуры: -5°C+5°C, удовлетворение технологических требований.
6Система теплообмена
Материалы: 0Cr18Ni9. Спецификации: Φ14, Φ18. Максимальное рабочее давление: 40MPa, 30MPa.
Система теплообмена оснащена циркуляционной системой отопления с водяной прокладкой, температура регулируется.
7. CO2 резервуар
Материалы: 0Cr18Ni9. объем: 20L * 1 набор. Максимальное рабочее давление: 16MPa.
Применение системы экстракции CO2:
| Применение | Описание | 
| Сельское хозяйство | Добыча пестицидов и загрязнителей почвы, отделение жиров и загрязнителей, ароматизация. | 
| Фармацевтические | Экстракция активных компонентов, приготовление натуральных продуктов, виамин. | 
| Косметические средства | Экстракция ароматов и масел. | 
| Стиральная посуда | Сухое мытье одежды. | 
| Механические | Дегрезирование деталей, точная чистка ценных компонентов. | 
| Широкий спектр отраслей промышленности для добычи натуральных продуктов для пищевых добавок (например, имбирь, крупный болт, корица, анис, хмель, перец, тмин и т.д.),препараты (например, артемизия annua вегетарианская, магнолии, ангелии и т.д.), здравоохранение (например, морская шишка, самара, гранат, ликопин и т.д.). | |
 
         
                 
                                                
                                                                                             
  
                                                
                                                                                            


























 
                                                
                                             
                                                
                                             
                                                
                                             
                                                
                                             
                                                
                                             
                                                
                                             
                                                
                                             
                                                
                                             
                                                
                                            