MOLEX 70246-2004
Низкопрофильный тангажа Molex 2.54mm, положенный в кожух через заголовок штыря строки Провод-к-доски 2 отверстия прямой.
Описание:
заголовок C-решетки тангажа 2.54mm, низкопрофильный, двойная положенная в кожух строка, вертикальный, 20 цепей, плакировка золота 0.127µm (Au), плакировка кабеля ПК олова (Sn)
Настоящая - максимум в напряжение тока контакта 2.5A - максимальная продолжительность данным по процесса припоя DC 250V на ВОЛНЕ Максимальн Цикле производительности технологического процесса 010 Максимальн Процесса Температуры (секунд) неэтилированной на ссылке данным по материала c 235 температуры процесса Максимальн Процесса Температуры 001 максимальной - продажах технической характеристики изделия PS-70246-100-001 спецификации PK-87835-001 спецификации 713080001-AS-000 применения чертеж номеров упаковывая рисуя SDA-70246-XX20-25_39
Спецификация:
· система соединителя C-решетки доск-к-доски строки тангажа 2.54mm двойная
· штырь Пресс-пригонки уступчивый обеспечивает гибкость дизайна
· Собрания пре- собранного соединителя FFC и IDT
· Вес брутто: 2,505 g
Примечание:
1. PIN нажимает вне MN силы 0.9072kg/2LBS.
2. Способность припоя PIN согласно с Molex Spece. ES-152
3. Спецификации продукта. PS-70246 применяется
4. Вафля, который нужно быть плоским withn .003 MM/MM
5. Размеры для покрывать положение: Пункт измерения для толщины, минимального покрытия
6. Покрытый конец золота штыря если общее.
7. Финиш:
*-571: 15 МИКРО- дюймов минимальной золотой посуды на контакте и 75 микро- минимальной дюймов плиты олова на solderall и сверх 50 микро- МИНИМАЛЬНОЙ дюймов прозодежды никеля.
* -574: 30 МИКРО- ДЮЙМОВ МИНИМАЛЬНОЙ золотой посуды на контакте и 75 микро- минимальной дюймов плиты олова на solderall и сверх 50 микро- МИНИМАЛЬНОЙ дюймов прозодежды никеля.
* -544: 5 МИКРО- ДЮЙМОВ МИНИМАЛЬНОЙ золотой посуды на контакте и 75 микро- минимальной дюймов плиты олова на solderall и сверх 50 микро- МИНИМАЛЬНОЙ дюймов прозодежды никеля.
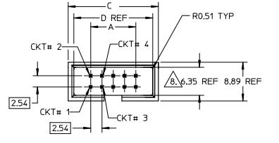
| Номер детали | РАЗМЕР CKT | CKT СВОБОДНОГО ПРОСТРАНСТВА | ТУСКЛОЕ A | ТУСКЛЫЙ B | ТУСКЛЫЙ C | ТУСКЛЫЙ D | ПУСТЫЕ CKT.ONLY ПРИМЕНЯЮТСЯ К ПОКРЫВАТЬ КОД |
| 70246-08 ** | 08 | - | 7,62 | 14,73 | 17,78 | 15,24 | - |
| 70246-10 ** | 10 | 1 | 10,16 | 17,27 | 20,32 | 17,78 | - |
| 70246-12 ** | 12 | - | 12,7 | 19,81 | 22,86 | 20,32 | - |
| 70246-14 ** | 14 | - | 15,24 | 22,35 | 25,4 | 22,86 | - |
| 70246-16 ** | 16 | - | 17,78 | 24,89 | 27,94 | 25,4 | - |
| 70246-20 ** | 20 | - | 22,86 | 29,97 | 33,02 | 30,48 | - |
| 70246-24 ** | 24 | - | 27,94 | 35,05 | 38,1 | 35,56 | - |
| 70246-26 ** | 26 | - | 30,48 | 37,59 | 40,64 | 38,1 | - |
| 70246-30 ** | 30 | - | 35,56 | 42,67 | 45,72 | 43,18 | - |
| 70246-34 ** | 34 | - | 40,64 | 47,75 | 50,8 | 48,26 | - |
| 70246-40 ** | 40 | - | 48,26 | 55,37 | 58,42 | 55,88 | - |
| 70246-44 ** | 44 | - | 53,34 | 60,45 | 63,5 | 60,96 | - |
| 70246-50 ** | 50 | - | 60,96 | 68,07 | 71,12 | 68,58 | - |
| 70246-56 ** | 56 | - | 68,58 | 75,69 | 78,74 | 76,2 | - |
| 70246-60 ** | 60 | - | 73,66 | 80,77 | 83,82 | 81,28 | - |
| 70246-64 ** | 64 | - | 78,74 | 85,85 | 88,9 | 86,36 | - |
| 70246-72 ** | 72 | - | 88,9 | 96,01 | 99,06 | 96,52 | - |
| 70246-25 ** | 26 | 26 | 30,48 | 37,59 | 40,64 | 38,1 | - |
| 70246-1003 | 10 | 1 | 10,16 | 17,27 | 20,32 | 17,78 | 571 |
Применения
Автомобильный, сообщение andamp; сеть, бытовая электроника, освещение, медицинское и так далее.
Чертеж:

шоу пакета:

Наше преимущество:
Список продукта:
Электрические соединители:
Соединитель заголовка Pin, женский соединитель заголовка, соединитель заголовка коробки, гнездо IC,
Положенный в кожух соединитель заголовка, соединитель гнезда IDC, соединитель штепсельной вилки погружения,
Микро- соединитель спички (красное гнездо), кабель IDC серого цвета ленты плоский, соединитель карты края,
Соединитель гнезда Zif, гнездо IC глоточка (серия) Pin машины, переходник прокладки погружения,
Соединитель DIN41612 Eurocard, мини соединитель прыгуна, соединитель D-подводной лодки,
Клобуки Metalandamp;Plastic D-подводной лодки, глубокий переключатель, гнездо PLCC, соединитель SCSI,
Круговой микро- соединитель Джек, водоустойчивый соединитель, технологический комплект, Pcb Джек Etc
Терминальные блоки:
Блок терминала винта Pcb, Pluggable терминальный блок, блок весны Pcb терминальный,
Блок терминала барьера, блок ввода питания терминальный, соединитель терминального блока Wago
Наши изделия высокого качества, конкурентоспособная цена и профессиональная услуга, быть уверенный соотвествовать ваша потребность для всех видов компонентов. ^_^