100мВ беспроводной модуль данным по отсека управления 433МХз беспроводной для размера 500м мини
ЛС-С100 приемопередатчик РФ Мини-размера. Оно обычно использован для ограниченного применения космоса. С интерфейсом ТТЛ, оно широко использован для связи микроконтроллера беспроводной и других систем коммуникаций порта уровня ТТЛ. Оно имеет высокие надежность и хорошую работу.
И. технические данные
| ПРЕДСТАВЛЕНИЕ | |
| Выходная мощность: | 100мВ (дефолт), |
| Дальность прямой РФ: | 1000m@1200bps; 600m@9600bps |
| Фактическая ставка РФ: | 1200/2400/4800/9600/19200бпс |
| Канал космоса: | 1МХз (по умолчанию), (изготовление на заказ 12.5/25КХз/отер) |
| Ширина полосы частот: | <25khz> |
| Чувствительность приемника: | -123dBm@1200bps (БЭР 1%) |
| СЕТЬ | |
| Топология сети: | Точкаый-точка, пункт-к-многопунктовый |
| СОВМЕСТИМОСТЬ | |
| Серия ЛС-У | |
| СИЛА | |
| Подача напряжения: | ДК 5В (дефолт), |
| Передайте течение: | 100мА |
| Получите течение: | 30мА |
| Течение сна: | 10уА |
| ГЕНЕРАЛ | |
| Режим связи: | Полу-двухшпиндельный |
| Частотная полоса: | 433МХз (400/450МХз/470МХз) |
| Канал: | 8 (дефолт), 16/32/64 (опционное) |
| Интерфейс: | ТТЛ |
| ФИЗИЧЕСКИЕ СВОЙСТВА | |
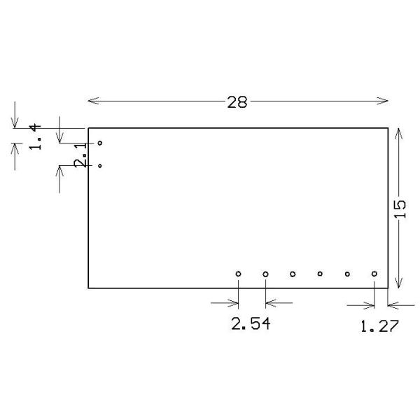
| Размер: | 28мм×15мм×10мм (исключая основания антенны и штыря данных) |
| Вес: | 20г |
| Основание антенны: | 50Ω, СМА |
| Рабочая температура: | Промышленный: - 40℃~+85℃ (ТКСО) |
| Стабильность частоты: | ±2.5ппм промышленное |
ИИ. область применения
ЛС-С100 модуль данным по приемопередатчика микро- силы беспроводной соответствующее для:
* беспроводные сигнал тревоги и системы безопасности
* беспроводной блок развертки
* автоматизация здания, безопасность, беспроводной контроль и контроль
* беспроводная передача данных, автоматическая система сбора данных;
* тренировка & конкуренция спорт;
* беспроводной ПОС, терминал ПДА беспроводной умный;
* беспроводная телеметрия поручая для парковать, парковка;
* беспроводной осмотр автомобиля модема и каретная ориентация;
* пункт к многопунктовой беспроводной сети
......
ИИИ. Как использовать его
1. Электропитание 5В по умолчанию
2. Определение ПИН (6пин)
Таблица 1: Определения Пин ДЖП 1 и методы соединения
| Пин нет. | Имя сигнала | Функция | Уровень | Соединение с терминалом | Примечания |
| 1 | ГНД | Зазмеление электропитания | - | Земля | |
| 2 | ВКК | Электропитание: ДК 5В | - | ||
| 3 | РСД/ТТЛ | Получать данных | ТТЛ | ТксД | |
| 4 | ТСД/ТТЛ | Передавать данных | ТТЛ | РксД | |
| 5 | СЛП | Управление сна | - | Сигнал сна | Низший уровень действительный |
| 6 | ТЕСТ | Испытание фабрики | - | - |
3. Размер установки

4. Установка параметра нашим программным обеспечением
Вы можете использовать наше программное обеспечение Ленсен.ексе для чтения или для того чтобы установить параметра на компьютер. Когда вы подключаете модуль РФ с ПК кабелем испытания, пожалуйста вспомните соединить порт ДБ9 так же, как УСБ с компьютером.
Соответствуя частота указывает на 433МХз 1-8 каналов
| Канал | Частота | Канал | Частота | Канал | Частота | Канал | Частота |
| 1 | 429.0325МХЗ | 2 | 430.0325МХЗ | 3 | 431.0325МХЗ | 4 | 432.0325МХЗ |
| 5 | 433.0325МХЗ | 6 | 434.0325МХЗ | 7 | 435.0325МХЗ | 8 | 436.0325МХЗ |
5. стандартный пакет
(а). Один модуль ЛС-С100 РФ
(б). Один ленточный кабель 6 штырей
(к). Одна антенна катушки
Если вы имеете особенные требования, то пожалуйста свяжитесь мы для получения более подробной информации.