Датчики давления точности датчика ПТ2151 давления ОЭМ с интегрированным датчиком температуры
Особенность
Точность ●: до 0.2%РДГ и 0.1%Ф.С
● для точности измерения
Структура ● полностью сваренная, отсутствие колцеобразного уплотнения
Компенсированная температура ●
перегрузка ● 300%, отсутствие утечки
Ряд давления ●: 0… 2… 100бар
● ИП67 делает ранг водостойким
Применения
Индустрия газа ● измеряя
измерение газа угл-кровати ●
Измерение давления масла ●
Измерение жидкостного уровня ●
Описание
ПТ 2151 экстренныйый выпуск конструированный для измерения давления точности в применении газа измеряя. С интегрированным датчиком температуры, ПТ2151 может обеспечить тест давления и температуры в то же время.
Передатчик давления полностью сваренная структура которая не имеет никакое колцеобразное уплотнение в стороне датчик, в результате она может безопасно предусмотреть измерять давления газа, масла, дизеля, и бензина, газа угл-кровати, газа природы, каменноугольного газа. с внутреннеприсущей безопасностью и взрывно-защитными будущими, так смогите мимо приложенный в жестких промышленных средах.
Эта полностью сваренная структура имеет идеальное проведение запечатывания которое против колодца утечки.
ПТ2151 конструированное для точности 0.2%РДГ и 0.1%Ф.С для встречи применения газа измеряя для точных теста и чтений. Польза ПТ100 и ПТ1000 датчика температуры которое соответствующее для индустрии газа измеряя.
Так особенности ПТ 2151 высокой точности, длинного срока службы, долгосрочной стабильности и легкой установки, получают очень хорошее питание назад от клиента.
Спайфикатионс
| средство давления | нержавеющая сталь газа жидкостная совместимая |
| измеряя ряд давления | 0~2бар, ~5бар, ~10бар, ~20бар, ~30бар, ~60бар, ~80бар, ~100бар |
| Тип давления | Абсолют, датчик |
| давление перегрузки | 300%ФС (3С) |
| давление взрыва | 400% ФС (4С) |
| выходной сигнал температуры | ПТ100 или ПТ1000 |
| выходной сигнал давления | 30мВ± 5mV@2.5V |
| точность | ±0.2%РДГ (стандартное), ± 0.1%Ф.С |
| долгосрочная стабильность | 0.2% ФС/еар |
| Сопротивление | 500@100Vdc |
| возбуждение | 1.5-5 Вдк 2.5Вдк (стандартный) |
| компенсированный диапазон температур | -30~80°к |
| температурная амплитуда рабочей температуры | -40~+125°к |
| диапазон температур хранения | -40~+125°к |
| Сопротивление входа | 8±5 КΩ |
| Сопротивление выхода | 4±2 КΩ |
| коэффициент температуры нул | ±0.02%ФС/°к |
| коэффициент температуры пяди | ±0.03%ФС/°к |
| Чувствительность датчика температуры | 2 мв/°к |
| Ряд температуры измеряя | -30~+80°к |
| Время на ответ | <=1мс |
| материал диафрагмы | СС316Л |
| материал снабжения жилищем | СС304 |
| Соединитель | Мужчина М12*1.5 (стандартный), мужчина г 1/4 |
| вес | 130г |
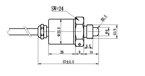
Размер
Соединитель М12*1.5

Г1/4

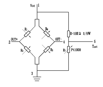
Диаграмма продукта схематическая
Датчик давления

кабели датчика температуры 5 давления сенсор+

кабели датчика температуры 6 давления сенсор+ с темп.компенсатион

