Машина замотки трансформатора машины замотки слоя точности провода Шанхая Qipang одиночная небольшая с аттестацией CE
Детали продукта:
Магнитная муфта порошка составлена активного ротора (вала входного сигнала), управляемого ротора (вала выхода) и хомута с катушкой возбуждения. 3 части собранные относительные концентрические и формируют систему которая может вращать относительно. Кольцевой зазор между активным ротором и управляемым ротором полон порошка сплава который имеет высокую магнитную проводимость.
Магнитная муфта порошка особый тип электромагнитного зажима который не использует плиты трением. Вместо этого она использует тонкоизмельченный порошок магнитно впечатлительного материала (типично нержавеющей стали) механически для того чтобы соединить в противном случае свободный катя диск прикрепленный до один вал, к ротору прикрепленному в другой вал. Когда магнитное поле приложено к порошку, оно формирует цепи соединяя диск и ротор. Прочность цепей зависит на основании магнитного поля. Мы используем самые точные материалы доступные для магнитных компонентов для того чтобы произвести индексы высоким трением, так же, как наградные подкладки не-азбеста для того чтобы улучшить время на ответ и расширить срок пригодности.
Особенность:
Приведенный в действие способной к адаптации переключая силой входного сигнала AC185-264V электропитания, выведите наружу управление ширины ИМПа ульс DC0-24V/2-4AUsing, методы установки высокой эффективности различные, удобная установка, красивый и практически.


|
модель
|
Основные технические параметры
|
Общий размер
|
модель
|
R
|
Чистый вес (kg)
|
||||||||||||
| Вращающий момент | Напряжение тока | Вращать скорость |
Настоящий /A |
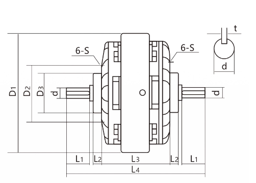
D1 | D2 | D3 | L1 | L2 | L3 | L4 | 6-S | d | t | ||||
| FZ6S-1 | 6 | 24 | 1400 | 0,8 | 130 | 62 | 44 | 25 | 10 | 74 | 154 | M4 | 12 | 4 | M4 | 8 | 3,5 |
| FZ12S-1 | 12 | 24 | 1400 | 1 | 157 | 62 | 50 | 30 | 15 | 95 | 192 | M4 | 16 | 5 | M4 | 8 | 6 |
| FZ25S-1 | 25 | 24 | 1400 | 1,5 | 182 | 78 | 58 | 40 | 19 | 100 | 225 | M5 | 20 | 6 | M5 | 10 | 8 |
| FZ50S-1 | 50 | 24 | 1400 | 1,8 | 219 | 100 | 75 | 50 | 22 | 120 | 169 | M6 | 25 | 8 | M6 | 12 | 14 |
| FZ100S-1 | 100 | 24 | 1400 | 2 | 290 | 120 | 90 | 65 | 25 | 158 | 347 | M10 | 30 | 8 | M10 | 20 | 28 |
| FZ200S-1 | 200 | 24 | 1400 | 3 | 335 | 140 | 110 | 70 | 30 | 186 | 396 | M10 | 35 | 10 | M10 | 20 | 50 |
| FZ400S-1 | 400 | 24 | 1400 | 4 | 398 | 200 | 130 | 99 | 35 | 222 | 500 | M10 | 45 | 14 | M10 | 20 | 75 |
Направление компании:
«Качественный во-первых, клиент сперва». CO. Шанхая Qipang промышленное, Ltd. высокотехнологичное предприятие интегрируя НИОКР, дизайн, изготовление и обслуживание оборудования провода, и имеет свои собственные права импорта и экспорта. Основанный в 2003, компания проходила ISO9001: аттестация 2008 системы управления качеством и третья сторона SGS аттестация власти. Клиенты компании главные приходят к Центральной Европе, Южной Америке, Южной Африке, большей части из Азии. Компании придерживаются качества выживания, целостности для того чтобы выиграть принципы действия клиента, вниз-к-землю активно для того чтобы слушать ценные мнения потребителей.
польза:
Эта серия продуктов соответствующая для: провод 10 до 50 квадратов одиночные и круг и обшивать круглой оболочки с диаметром чем 20mm.
Технические параметры:
1. Тип рамки оплаты-: тип электрический поднимаясь тип вала конца, shaftless рамка оплаты- φ1000-φ1400
2, поднимаясь мотор: мотор 2HP шестерни (1.5KW)
3, высокоточный метр: точность 0,1% (одних тысячное) 4, максимальная скорость кольц-формируя хозяина: 300 rpm
5, сила мотора: 5HP (3.7KW)
6, система управления: преобразование частоты + одиночная интегрированная система обломока
7, размер плиты катушки: средство 130mm - средство 250mm (опционное)
8, спецификации вьюрка провода: φ 1250mm - средство 1600mm (опционное)
9, тормозная система: тарельчатый тормоз воздуха
10. Применимый круг вентилятора: 10-50 квадратный одиночный провод и закреплять петлей и связывать кругового провода оболочки с диаметром провода более менее чем 20mm.
Технические параметры:
| Тип | Тип a | Тип b |
| Форма отпуска | Электрический или пассивный | Электрический или пассивный |
| Займите рулетка | ≤630mm | ≤800mm |
| Путь кабеля | Автоматический кабель | Автоматический кабель |
| Номер калибровать провода | 3 слота | 3 слота |
| Высота связи провода | 30-100mm | 30-100mm |
| Диаметр связи провода наружный | ≤310mm | ≤400mm |
| Диаметр провода внутренний | Φ115mm-φ120mm-φ125mm |
Φ130mm- φ135mm - φ140mm--φ145mm |
| Революции хозяина | 0-500RPM/min | 0-360RPM/min |
| тариф монитора | 2.2KW | 4KW |
| Продукция в перенос | 700 связей/8 часов, | 400 t/8 часов |
| Линия петли диаметр |
BV, BVV, RV: 0.3-6m2, RVV, RVVP: <8mm> SYV75-3, SYV75-5 коаксиальное |
BV, BVV, RV: 1-25m2, RVV, RVVP: <12mm> SYV75-5, SYV75-9 коаксиальное |
| Метр | Электронная высокая точность (регулируемая длина метров) | Электронная высокая точность (регулируемая длина метров) |
| Верхний прибор плиты | Тип рычага | Тип рычага |
Способ установки:
Верхний метод диска составлен типа структуры рычага вала, который завершен следующими шагами: «запирается отпуск ручка - извлечь вал конца - затяните конусность - верхний длинный диск - ручка». Конструированный для сверхмощных вьюрков, он обеспечивает высокую безопасность во время высокоскоростной деятельности.
Компоненты оборудования:
1. Линия рамка хранения отпуска напряжения принимает ручной механизм рычага для того чтобы соединить верхушку и понизить плиты, сохраняя время и усилие. Напряжение займет поток постоянн, и углы приводов вала руки коромысла тормозной рычаг для того чтобы отрегулировать напряжение линии оплаты- в любое время для обеспечения что кабель свободен и не свободн;
2. Электронный измеряя прибор: пробуя пункт установлен на окружность колеса метра, и сигнал входной сигнал к счетчику, и счетчик аккумулирован длиной и сразу показан;
3. Закрепляя петлей хозяин: Закрепляя петлей скорость проконтролирована инвертором. Длина петли может быть установила счетчиком CT умным. Когда петля достигнет заранее поставленную длину, машина остановит автоматически.
Дисплей продукта:



