ФЛАНЕЦ ГОСT 33259 TYPE01 Фланцы Ст.20 ГОСТ 12820-80, ПЕЧАТАЕТ 02, ПЕЧАТАЕТ 05 ГОСТ 12820 ГОСТ 12821 PN06 PN10 PN10 PN16 PN25 PN40
|
СТАНДАРТ
| Тип | Давление | Материал | размер | Процесс | Поверхность обработка |
| GOST33259 GOST12820 GOST12821 GOST12836
| ТАК, ШТОРКИ, WN
| PN06, PN10, PN16, PN25, PN40, PN64, PN100, | сталь углерода нержавеющая сталь | DN15-DN3000 | ВЫКОВАЛ, КУЮЩ | Светлое масло |
Материал
1) сталь углерода Q234 CT20 20# Ст 20, Ст 09Г2С
Поверхностное антиржавейное:
Поверхностное антиржавейное 1: Антиржавейное светлое масло
Поверхностные антиржавейные 2: Galnavized (окунутое горячее гальванизированный или Electro гальванизированный)
Соедините сторону (ГОСТ 12815):
Поверхностное 1: Ровный финиш
Поверхностные 2: Sprial serrated
Поверхностные 3: 2 или 3 пазы (водоразделы)
(Поднятое face=RF, плоское face=FF)

ГОСТ 12820 PN06-PN25

Стандартные размеры фланцев (условный диаметр):
Ду15, Ду20, Ду25, Ду32, Ду40, Ду50, Ду65, Ду80, Ду100, Ду125, Ду150, Ду200, Ду250, Ду300, Ду350, Ду400, Ду450, Ду500, Ду600, Ду700, Ду800, Ду1000, Ду1200
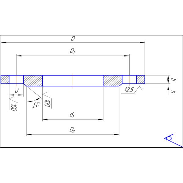
| Nomencatlure | Размеры, mm | Вес, Kg | |||||||
| D | D1 | D2 | d1 | b | h | n, | d | ||
| Pnom = MPa 0,6 (6 kgf/cm2) | |||||||||
| 1-10-6 | 75 | 50 | 35 | 15 | 10 | 2 | 4 | 11 | 0,31 |
| 1-15-6 | 80 | 55 | 40 | 19 | 10 | 2 | 4 | 11 | 0,33 |
| 1-20-6 | 90 | 65 | 50 | 26 | 12 | 2 | 4 | 11 | 0,53 |
| 1-25-6 | 100 | 75 | 60 | 33 | 12 | 2 | 4 | 11 | 0,64 |
| 1-32-6 | 120 | 90 | 70 | 39 | 13 | 2 | 4 | 14 | 1,01 |
| 1-40-6 | 130 | 100 | 80 | 46 | 13 | 3 | 4 | 14 | 1,21 |
| 1-50-6 | 140 | 110 | 90 | 59 | 13 | 3 | 4 | 14 | 1,33 |
| 1-65-6 | 160 | 130 | 110 | 78 | 13 | 3 | 4 | 14 | 1,63 |
| 1-80-6 | 185 | 150 | 128 | 91 | 15 | 3 | 4 | 18 | 2,44 |
| 1-100-6 | 205 | 170 | 148 | 110 | 15 | 3 | 4 | 18 | 2,85 |
| 1-125-6 | 235 | 200 | 178 | 135 | 17 | 3 | 8 | 18 | 3,88 |
| 1-150-6 | 260 | 225 | 202 | 161 | 17 | 3 | 8 | 18 | 4,39 |
| 1-175-6 | 290 | 255 | 232 | 196 | 19 | 3 | 8 | 18 | 5,36 |
| 1-200-6 | 315 | 280 | 258 | 222 | 19 | 3 | 8 | 18 | 5,89 |
| 1-225-6 | 340 | 305 | 282 | 245 | 19 | 3 | 8 | 18 | 6,6 |
| 1-250-6 | 370 | 335 | 312 | 273 | 20 | 3 | 12 | 18 | 7,67 |
| 1-300-6 | 435 | 395 | 365 | 325 | 20 | 4 | 12 | 22 | 10,28 |
| 1-350-6 | 485 | 445 | 415 | 377 | 22 | 4 | 12 | 22 | 12,58 |
| 1-400-6 | 535 | 495 | 465 | 426 | 24 | 4 | 16 | 22 | 15,2 |
| 1-450-6 | 590 | 550 | 520 | 480 | 24 | 4 | 16 | 22 | 17,25 |
| 1-500-6 | 640 | 600 | 570 | 530 | 25 | 4 | 16 | 22 | 19,72 |
| 1-600-6 | 755 | 705 | 670 | 630 | 25 | 5 | 20 | 26 | 26,24 |
| 1-700-6 | 860 | 810 | 775 | 720 | 27 | 5 | 24 | 26 | 36,68 |
| 1-800-6 | 975 | 920 | 880 | 820 | 27 | 5 | 24 | 30 | 46,14 |
| 1-900-6 | 1075 | 1020 | 980 | 920 | 29 | 5 | 24 | 30 | 55,1 |
| 1-1000-6 | 1175 | 1120 | 1080 | 1020 | 31 | 5 | 28 | 30 | 64,36 |
| 1-1200-6 | 1400 | 1340 | 1295 | 1220 | 34 | 5 | 32 | 33 | 99,03 |
| Nomencatlure | Размеры, mm | Вес, Kg | |||||||
| D | D1 | D2 | d1 | b | h | n, | d | ||
| Pnom = MPa 1,0 (10 kgf/cm2) | |||||||||
| 1-10-10 | 90 | 60 | 42 | 15 | 10 | 2 | 4 | 14 | 0,46 |
| 1-15-10 | 95 | 65 | 47 | 19 | 10 | 2 | 4 | 14 | 0,51 |
| 1-20-10 | 105 | 75 | 58 | 26 | 12 | 2 | 4 | 14 | 0,74 |
| 1-25-10 | 115 | 85 | 68 | 33 | 12 | 2 | 4 | 14 | 0,89 |
| 1-32-10 | 135 | 100 | 78 | 39 | 14 | 2 | 4 | 18 | 1,4 |
| 1-40-10 | 145 | 110 | 88 | 46 | 15 | 3 | 4 | 18 | 1,71 |
| 1-50-10 | 160 | 125 | 102 | 59 | 15 | 3 | 4 | 18 | 2,06 |
| 1-65-10 | 180 | 145 | 122 | 78 | 17 | 3 | 4 | 18 | 2,8 |
| 1-80-10 | 195 | 160 | 133 | 91 | 17 | 3 | 4 | 18 | 3,19 |
| 1-100-10 | 215 | 180 | 158 | 110 | 19 | 3 | 8 | 18 | 3,96 |
| 1-125-10 | 245 | 210 | 184 | 135 | 21 | 3 | 8 | 18 | 5,4 |
| 1-150-10 | 280 | 240 | 212 | 161 | 21 | 3 | 8 | 22 | 6,62 |
| 1-175-10 | 310 | 270 | 242 | 196 | 21 | 3 | 8 | 22 | 7,32 |
| 1-200-10 | 335 | 295 | 268 | 222 | 21 | 3 | 8 | 22 | 8,05 |
| 1-225-10 | 365 | 325 | 295 | 245 | 21 | 3 | 8 | 22 | 9,3 |
| 1-250-10 | 390 | 350 | 320 | 273 | 23 | 3 | 12 | 22 | 10,65 |
| 1-300-10 | 440 | 400 | 370 | 325 | 24 | 4 | 12 | 22 | 12,9 |
| 1-350-10 | 500 | 460 | 430 | 377 | 24 | 4 | 16 | 22 | 15,85 |
| 1-400-10 | 565 | 515 | 482 | 426 | 26 | 4 | 16 | 26 | 21,56 |
| 1-450-10 | 615 | 565 | 532 | 480 | 26 | 4 | 20 | 26 | 22,76 |
| 1-500-10 | 670 | 620 | 585 | 530 | 28 | 4 | 20 | 26 | 27,7 |
| 1-600-10 | 780 | 725 | 685 | 630 | 31 | 5 | 20 | 30 | 39,4 |
| 1-700-10 | 895 | 840 | 800 | 720 | 34 | 5 | 24 | 30 | 59,46 |
| 1-800-10 | 1010 | 950 | 905 | 820 | 37 | 5 | 24 | 33 | 79,16 |
| 1-900-10 | 1110 | 1050 | 1005 | 920 | 40 | 5 | 28 | 33 | 94,13 |
| 1-1000-10 | 1220 | 1160 | 1110 | 1020 | 43 | 5 | 28 | 33 | 118,43 |
| 1-1200-10 | 1455 | 1380 | 1330 | 1222 | 51 | 5 | 32 | 39 | 197,44 |
| 1-1400-10 | 1675 | 1590 | 1530 | 1420 | 60 | 5 | 36 | 45 | 278,92 |
| Nomencatlure | Размеры, mm | Вес, Kg | |||||||
| D | D1 | D2 | d1 | b | h | n, количество отверстий | d | ||
| Pnom = MPa 1,6 (16 kgf/cm2) | |||||||||
| 1-10-16 | 90 | 60 | 42 | 15 | 12 | 2 | 4 | 14 | 0,54 |
| 1-15-16 | 95 | 65 | 47 | 19 | 12 | 2 | 4 | 14 | 0,61 |
| 1-20-16 | 105 | 75 | 58 | 26 | 14 | 2 | 4 | 14 | 0,86 |
| 1-25-16 | 115 | 85 | 68 | 33 | 16 | 2 | 4 | 14 | 1,17 |
| 1-32-16 | 135 | 100 | 78 | 39 | 16 | 2 | 4 | 18 | 1,58 |
| 1-40-16 | 145 | 110 | 88 | 46 | 17 | 3 | 4 | 18 | 1,96 |
| 1-50-16 | 160 | 125 | 102 | 59 | 19 | 3 | 4 | 18 | 2,58 |
| 1-65-16 | 180 | 145 | 122 | 78 | 21 | 3 | 4 | 18 | 3,42 |
| 1-80-16 | 195 | 160 | 133 | 91 | 21 | 3 | 4 | 18 | 3,71 |
| 1-100-16 | 215 | 180 | 158 | 110 | 23 | 3 | 8 | 18 | 4,73 |
| 1-125-16 | 245 | 210 | 184 | 135 | 25 | 3 | 8 | 18 | 6,38 |
| 1-150-16 | 280 | 240 | 212 | 161 | 25 | 3 | 8 | 22 | 7,81 |
| 1-175-16 | 310 | 270 | 242 | 196 | 25 | 3 | 8 | 22 | 8,64 |
| 1-200-16 | 335 | 295 | 268 | 222 | 27 | 3 | 12 | 22 | 10,1 |
| 1-225-16 | 365 | 325 | 295 | 245 | 27 | 3 | 12 | 22 | 11,7 |
| 1-250-16 | 405 | 355 | 320 | 273 | 28 | 3 | 12 | 26 | 14,49 |
| 1-300-16 | 460 | 410 | 370 | 325 | 28 | 4 | 12 | 26 | 17,78 |
| 1-350-16 | 520 | 470 | 430 | 377 | 30 | 4 | 16 | 26 | 22,88 |
| 1-400-16 | 580 | 525 | 482 | 426 | 34 | 4 | 16 | 30 | 31 |
| 1-450-16 | 640 | 585 | 532 | 480 | 38 | 4 | 20 | 30 | 39,64 |
| 1-500-16 | 710 | 650 | 585 | 530 | 44 | 4 | 20 | 33 | 57,01 |
| 1-600-16 | 840 | 770 | 685 | 630 | 45 | 5 | 20 | 39 | 80,03 |
| 1-700-16 | 910 | 840 | 800 | 720 | 47 | 5 | 24 | 39 | 84,21 |
| 1-800-16 | 1020 | 950 | 905 | 820 | 49 | 5 | 24 | 39 | 104,41 |
| 1-900-16 | 1120 | 1050 | 1005 | 920 | 54 | 5 | 28 | 39 | 128,6 |
| 1-1000-16 | 1255 | 1170 | 1110 | 1020 | 58 | 5 | 28 | 45 | 179,37 |
| 1-1200-16 | 1485 | 1390 | 1330 | 1220 | 71 | 5 | 32 | 52 | 297,78 |
| Nomencatlure | Размеры, mm | Вес, Kg | |||||||
| D | D1 | D2 | d1 | b | h | n, количество отверстий | d | ||
| Pnom = MPa 2,5 (25 kgf/cm2) | |||||||||
| 1-10-25 | 90 | 60 | 42 | 15 | 14 | 2 | 4 | 14 | 0,63 |
| 1-15-25 | 95 | 65 | 47 | 19 | 14 | 2 | 4 | 14 | 0,7 |
| 1-20-25 | 105 | 75 | 58 | 26 | 16 | 2 | 4 | 14 | 0,98 |
| 1-25-25 | 115 | 85 | 68 | 33 | 16 | 2 | 4 | 14 | 1,17 |
| 1-32-25 | 135 | 100 | 78 | 39 | 18 | 2 | 4 | 18 | 1,77 |
| 1-40-25 | 145 | 110 | 88 | 46 | 19 | 3 | 4 | 18 | 2,18 |
| 1-50-25 | 160 | 125 | 102 | 59 | 21 | 3 | 4 | 18 | 2,71 |
| 1-65-25 | 180 | 145 | 122 | 78 | 21 | 3 | 8 | 18 | 3,22 |
| 1-80-25 | 195 | 160 | 133 | 91 | 23 | 3 | 8 | 18 | 4,06 |
| 1-100-25 | 230 | 190 | 158 | 110 | 25 | 3 | 8 | 22 | 5,92 |
| 1-125-25 | 270 | 220 | 184 | 135 | 27 | 3 | 8 | 26 | 8,26 |
| 1-150-25 | 300 | 250 | 212 | 161 | 27 | 3 | 8 | 26 | 10,12 |
| 1-175-25 | 330 | 280 | 242 | 196 | 29 | 3 | 12 | 26 | 11,49 |
| 1-200-25 | 360 | 310 | 278 | 222 | 29 | 3 | 12 | 26 | 13,34 |
| 1-225-25 | 395 | 340 | 305 | 245 | 31 | 3 | 12 | 30 | 16,93 |
| 1-250-25 | 425 | 370 | 335 | 273 | 31 | 3 | 12 | 30 | 18,9 |
| 1-300-25 | 485 | 430 | 390 | 325 | 32 | 4 | 16 | 30 | 23,95 |
| 1-350-25 | 550 | 490 | 450 | 377 | 38 | 4 | 16 | 33 | 34,35 |
| 1-400-25 | 610 | 550 | 505 | 426 | 40 | 4 | 16 | 33 | 44,62 |
| 1-450-25 | 660 | 600 | 555 | 480 | 44 | 4 | 20 | 33 | 51,8 |
| 1-500-25 | 730 | 660 | 615 | 530 | 48 | 4 | 20 | 39 | 67,3 |
| 1-600-25 | 840 | 770 | 720 | 630 | 49 | 5 | 20 | 39 | 90,87 |
| 1-700-25 | 960 | 875 | 820 | 720 | 55 | 5 | 24 | 45 | 126,82 |
| 1-800-25 | 1075 | 990 | 930 | 820 | 63 | 5 | 24 | 45 | 181,43 |
Фланцы стальные плоские приварныетрубопроводов и соединительных частей, а так же на присоединительные фланцы арматуры, соединительных частей машин, приборов, до 25 кгс/см2 от 1 PN патрубков аппаратов и резервуаров на номинальное давление; мм до 250 от 10 DN номинальный диаметр, типы фланцев - 01, 02, 11, размерный ряд – 1/2, исполнение уплотнительной поверхности - А, В, С, l, d, m, e, f, j, k, сталь – углеродистая, легированная конструкционная, коррозионно-стойкая, группы контроля - I, II, III, IV, изготавливаются в соответствии с требованиями ГОСТ 33259-2015 «Фланцы арматуры, соединительных частей и трубопроводов на номинальное давление до PN 250. Конструкция, размеры и общие технические требования».

Термины:
1) оплата: Невозвратное L/C по предъявлении или T/T, D/P
2) условие доставки ОБМАНЫВАЕТ порт порта Китая или покупателя CIF
3) паковать: Паллет/случай переклейки


Контакт:
Администраторов по сбыту: Грейс Zhang
CO. ШТУЦЕРА ФЛАНЦА И ТРУБЫ ХЭБЭЯ XINFENG ВЫСОКОНАПОРНОЕ, LTD.
Добавьте.: Графство Mencun, город Cangzhou, провинция Хэбэя, Китай 061400
Чернь: 86 18031772015 (wechat, whatsapp)
Телефон: 86-317-6725755
Электронная почта: info4@hbxfgj.com
Skype: cangzhouzhangnan
вопросы и ответы:
1. Что ваше MOQ?
Нормально наше MOQ для каждого размера 1ton. Если вы думаете, то оно слишком много, мы может обсудить согласно вашему требованию в деталях.
2. Можете вы предложить свободный образец?
Да, мы можем обеспечить свободные образцы 150m - 200m.
3. Что ваш срок поставки?
Мы поставим в 30-45 днях
4. Можете вы принять смешанные продукты в одном контейнере?
Да, мы принимаем точно.