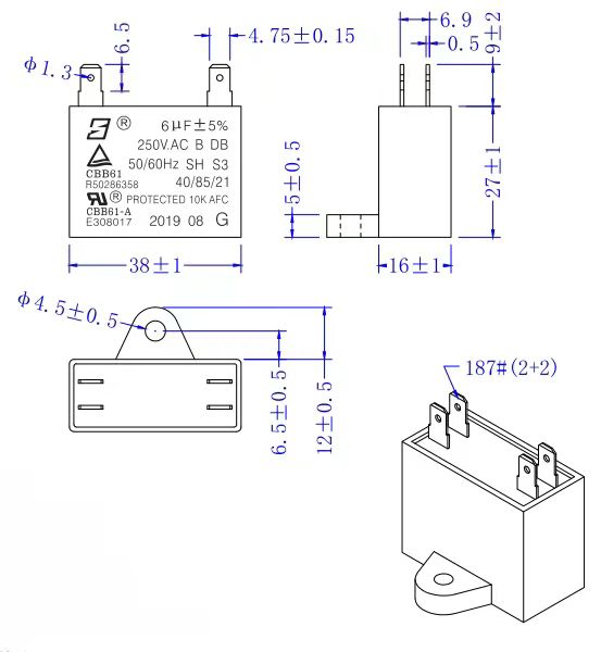
Промышленный конденсатор вентилятораКогда конденсатор подключен к схеме, он сможет хранить электрическую энергию и разряжать ее при необходимости.Это может помочь регулировать напряжение и частоту в схемеПромышленный конденсатор вентилятора класса B является надежным выбором для кондиционеров, поскольку он предлагает надежную производительность и долговечность.
Заявления
Этот продукт изготовлен из высококачественных материалов, и он имеет хорошую теплостойкость и изоляционные характеристики.которые могут удовлетворять потребностям различных условийОн имеет надежную производительность и отличное качество, и широко используется в кондиционерах, холодильниках, электрических вентиляторах, холодильниках и других электрических продуктах.
Основная информация.(Технические параметры)
|
Диапазон температуры работы |
-40°C+85°C (40/85/21) |
|
|
Номинальное напряжение |
250В.AC |
|
|
Диапазон емкости |
6.0UF |
|
|
Толерантность емкости |
± 5% |
|
|
Продолжительность |
10000 часов | |
|
Возгораемость |
UL94V-0 |
|
| Диапазон температуры работы | -40°C~+85°C |
| Номинальное напряжение | 110V.AC-630V.AC |
| Диапазон емкости | 0.1 uF ~ 20 uF |
| Толерантность емкости | ± 5% (J), ± 10% (K) |
| Коэффициент рассеивания | tgō0.001 ((на частоте 100 Гц)) |
| Выдерживать напряжение между терминалами | 2.0Un(10s) |
| Выдерживать напряжение Терминалы к корпусу | 2000В.AC |
| Сопротивление изоляции | CXR> 5000 |
| Сдерживание пламени | UL94V-0 |
| Ссылка на стандарт | IEC 6025 UL810 GB3667-2005 |
Очертание ((38 мм=1-1/2 дюйма,16 мм=5/8 дюйма,27 мм=1-1/16 дюйма)








