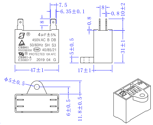
Промышленный конденсатор вентилятораявляется высокопроизводительным устройством, предназначенным для обеспечения надежной стартовой мощности и энергии для промышленного вентилятора в различных приложениях.и его рабочая температура составляет от -40°C до +85°CКонденсатор имеет четыре терминала быстрого подключения. Он также доступен в различных типах монтажа, включая:включая пластиковый треугольник с отверстием для расположения, изогнутое железное ухо с расположением отверстия и прямое железное ухо с расположением отверстия.
Заявления
Промышленный конденсатор вентиляторашироко используется во многих областях, таких как компрессор воздуха, стиральные машины, вентиляторы, насосы для воды, капоты, кондиционеры, электроинструменты, микроволновые печи и т.д.Он может обеспечить эффективную и стабильную производительность.
Основная информация.(Технические параметры)
|
Номинальная частота |
50/60 Гц |
|
|
Номинальное напряжение |
450 В.А.С. |
|
|
Диапазон емкости |
4.0UF |
|
|
Толерантность емкости |
± 5% |
|
|
Выдерживает испытание напряжения |
2.0Un 2S | |
|
Возгораемость |
UL94V-0 |
|
|
Диапазон температуры работы |
-40 ~ +85°C ((40/85/21) | |
| Диапазон температуры работы | -40°C~+85°C |
| Номинальное напряжение | 110V.AC-630V.AC |
| Диапазон емкости | 0.1 uF ~ 20 uF |
| Толерантность емкости | ± 5% (J), ± 10% (K) |
| Коэффициент рассеивания | tgō0.001 ((на частоте 100 Гц)) |
| Выдерживать напряжение между терминалами | 2.0Un(10s) |
| Выдерживать напряжение Терминалы к корпусу | 2000В.AC |
| Сопротивление изоляции | CXR> 5000 |
| Сдерживание пламени | UL94V-0 |
| Ссылка на стандарт | IEC 6025 UL810 GB3667-2005 |
Оригинальное изображение ((47 мм=1-27/32 дюйма, 17 мм=43/64,31 мм=1-7/32 дюйма)








