Конденсаторы CBB60 Water Pump Run Используют металлизированную пленку без реакции на обмотку и технологию металлического распыления RoSH,отстойный пластиковый корпус и эпоксидную смолу.выпуск через покрытую олова-медью стальную проволоку или медный терминалОни инкапсулированы смолой и помещены в самотушающийся пластиковый корпус, что обеспечивает превосходную надежность и высокую механическую устойчивость к ударам и вибрациям.
Основные особенности
Небольшие размеры / Большая емкость / Высокая стабильность / Хорошее самовосстановление / Маленькое рассеивание / Малая индуктивность / Хорошая водонепроницаемая производительность.
Применение
Широко применяется50/60 Гц, и это основные компоненты дляВодяной насос,стиральная машина,машина для разрыва бумаги,трубчатый двигатель,И так далее.
Основная информация.(Технические параметры)
| Диапазон температуры работы | -40°C+105°C ((40/70/21 40/85/21 | |
| Номинальное напряжение | 250V.AC ~ 600V.AC | |
| Диапазон емкости | 3 uF ~ 120 uF | |
| Толерантность емкости | ± 5% (J), ± 10% (K) | |
| Тангенс угла потери ((20°C) | ≤ 0,0010 (при 100 Гц) | |
| Сопротивление изоляции | Rc≥5000s ((100V.DC 60s) | |
| Возгораемость | UL94V-0 | |
| Время эксплуатации |
Класс 3000H ((C) при 70°C /10000H (класс B) при 85°C / 30000H (класс А) при 85°C |
|
| Выдерживать напряжение | между терминалами | 2.0Un (VAC) / 60s ((CQC, VDE, TUV) |
| 1.5Un (VAC) / 60s (UL) | ||
| между терминалами и корпусом | 2.0Un+1000 ((VAC) / 60s ((≥2000VAC) | |
| Класс защиты безопасности | UL VDE CQC ((S0) / UL TUV CQC ((S3) | |
Преимущество - Что?
Хорошие частотные характеристики
Выдерживает высокую температуру и напряжение
Высокое сопротивление институтов
Низкий коэффициент рассеивания
Хорошее самовосстановление
Высокая надежность
¢ низкозатратные показатели
Двухсторонняя металлизированная структура
Процесс производства
1 покрытие 2 резка 3 обмотка 4 тепловая обработка 5 металлический спрей 6 очистка напряжением7 Средняя проверка
8 Сварка 9 Сборка 10 Литье эпоксида 11 Заключительный осмотр 12 Маркировка 13 Упаковка 14 Доставка
Цвет поверхности (RoHS / REACH)
Синий ИЛИСерое
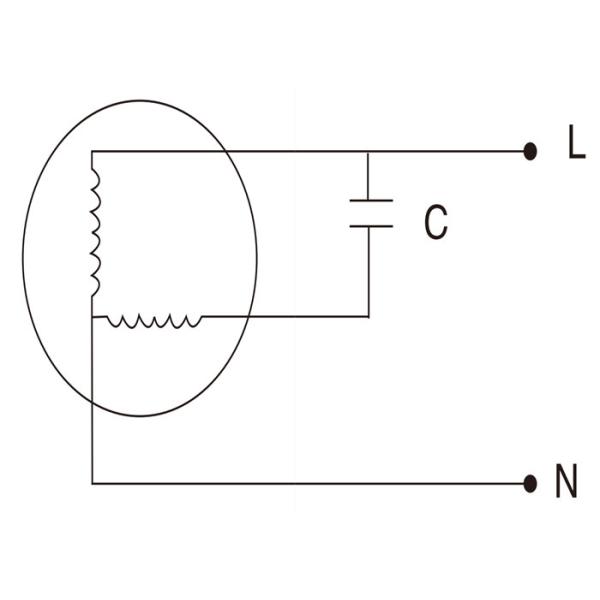
Типичная схема

Очертание контуры

Семинар


Морская перевозка

Добро пожаловать к нам.
Зачем выбирать конденсаторы XWD-XD?
√ Один из крупнейших производителей конденсаторов полипропиленовой пленки в Китае;
√ Быстрое время выполнения из-за полностью автоматизированного производства и вертикального снабжения сырьем;
√ с лабораторией мирового класса, сильными исследованиями и разработками и собственной технологией металлизации пленок;
√ высококонсистентные продукты высокого качества, строго соблюдающие стандарты ISO и IATF16949;
√ С гордостью сотрудничаем с ведущими брендами в области бытовой техники, а также с ведущими клиентами в области энергетики.