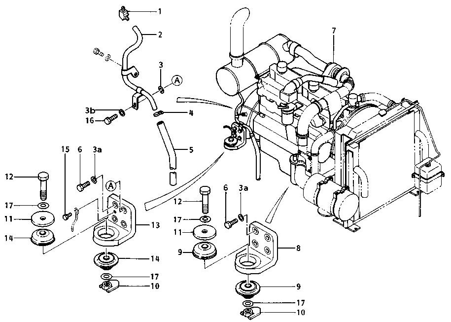
E120 E120B Передняя задняя гусеничная экскаваторная резиновая установка двигателя 0994708 099-4708 Верхняя резиновая установка

|
|
Часть NQ |
Наименование части·Описание |
Какой? |
Серийное No. | |
| E2008-456 | EL2008-5ЕG | ||||
|
2
3а
3 б
7
10 |
939146 964196 964894 964894 7X0622 857202 964894 7X0622 857302 991302 942338 8T4183 8T4184 964171 861531 862317 1R6707 964178 964199 991427 964198 965810 |
JO1NT P]P E Уборщик Уборщик Уборщик Уборщик Уборщик Уборщик Уборщик КЛАМП Шланг БОЛТ 1 ОБ LT Мотор Мотор ЕНЖ1Н Мотор BRACKET.FR МОНТ МОНТ П Поздно ПЛАТ |
15 15 15
15 15
1
2 |
1- -00605 00606- 1- -0080с 00606
1-0.0605 00606- 1-06338 06339-06875 06876-07935 07936-
1-01805 01806- 1-00605 00606- |
Я...
1-
1- 1-0.0669 00670-00730 00731-00807 00808-
1-00217 00218-
1- |



01. Модель: Капуста экскаватор E120 Передняя установка двигателя
Номер части: 936847
02. Модель: Капуста экскаватор E120 Задняя установка двигателя
Номер части: 940441
03. Модель: Капуста экскаватор E120B UP установка двигателя
Номер части: 994709 / 938268
04. Модель: Капуста экскаватор E120B DOWN установка двигателя
Номер части: 994708 / 938267
05. Модель: Катерпилярный экскаватор E200B
Номер части: 964199 / 991427 / 964200 / 991428
06. Модель: Капуста экскаватор 307 / 307B / 307C UP установка двигателя
Номер части: 096-6663 / 096-6661
07. Модель: Капуста экскаватор 307 / 307B / 307C DOWN установка двигателя
Номер части: 096-6664 / 096-6662
08. Модель: Капуста экскаватор 308 / 308C UP установка двигателя
Номер части: 096-6661
09. Модель: Капуста экскаватор 308 / 308C / 308D DOWN установка двигателя
Номер части: 1519702
10. Модель: Капуста экскаватор 311 / 312 UP установка двигателя
Номер части: 099-4707 / 093-8268
11. Модель: Капуста экскаватор 311 / 312 DOWN установка двигателя
Номер части: 099-4708 / 093-8267
12. Модель: Капуста экскаватор 311B / 312B / 312B L UP установка двигателя
Номер части: 118-9935 / 118-9934
Доступные дополнительные монтажи двигателя:
EX120 PC300-7 SK330-6
EX60 PC300-7 SK330-6
EX200-1. PC400-5. PC300-6.
EX200-1. PC400-5. PC300-6.
EX300-1 R290 LS2600
EX300-1 R290 LS2600
PC20/30 DH220-3 LS2650
ПК40/ПК50 DH220-3 LS2650
EX30 DH280 EX40
EX30 DH280 EX40
ПК60-3/5 Ш60 ПК120-6/С6Д102
ПК200-1... ПК120-3/5... ПК130-7...
PC200-2 PC120-6/S6D102 PC40/50
ПК300-3 -- ПК300-7 -- ПК400-6 --
ПК300-5 -- ПК360-7 -- ПК400-7 --
ПК300-6... ПК200-8... ПК450-7...
СК60-1. СК200-6. СК350-6.
СК60-3... СК230-6... СК330-8
СК100-1. СК200-8. СК350-8.
СК100-3 -- СК250-8 -- СК120-5
СК120-1. СК300-6.
СК120-3, СК320-6, СК120-7,
Ш60 Ш120А3 Ш240-5
SH120A1 Sh200A3 SH280
SH120A2 Sh265 Sh300A1
SH200A1 Sh260 Sh300A2
SH200A2 Sh210-5 SH300A3
SH350-5 ZAXIS 55 ZAXIS 70
SH450-5 ZAXIS60 SH75
ZAXIS70 ZAXIS240-3 Заксис470-3
ZAXIS120 ZAXIS250-3 EX60 Я не знаю, как это сделать.
ZAXIS200-3 ZAXIS450 EX120-1
EX120-3 EX200-1 EX200-5
EX120-3 EX200-3 EX200-6
EX200-7 ∙ ZAX200 ∙ EX220-3
EX220-5 EX300-1 EX300-3
EX300-5 ZAX330 оригинальный R60
R60-5 R60-7 R80-7
R290 R200 R140
R130-5 R130-7 R200
R225-7 R215-7 R220-5
| Параметр | Стоимость |
|---|---|
| Устойчивость к абразии | Высокий |
| Услуги по обслуживанию | Низкий |
| Комплект сжатия | Низкий |
| Устойчивость к химикатам | Хорошо. |
| Установка | Легко. |
| Проектирование | Компактный |
| Прочность | Высокий |
| Вес | Легкая |
| Материал | Резина |
| Прочность на растяжение | Высокий |
Резиновые крепежи двигателей YNF/Y&F изготавливаются с высокой долговечностью, отличным снижением шума, широким диапазоном температур, компактным дизайном и отличным снижением вибрации.Они сертифицированы CE и имеют минимальное количество заказов 50Наши монтажи двигателей могут быть использованы для различных моделей двигателей GM и Hyundai.Нейтральная упаковка гарантирует, что они будут доставлены безопасно и надежно к вашей двери. Мы принимаем оплату через T / T, Paypal и Western Union. Время доставки составляет 7-15 рабочих дней. Свяжитесь с нами для получения дополнительной информации о ценах.
Наши резиновые крепежи для двигателей предназначены для уменьшения вибрации, шума и движения двигателя.
Мы предоставляем бесплатную техническую поддержку для наших резиновых монтажей двигателей, включая помощь в установке, консультации по продуктам и устранение неполадок.Наша команда технической поддержки готова ответить на любые вопросы или вопросы, которые у вас могут возникнуть по поводу установки или использования наших крепежей.
Мы также предлагаем ряд услуг, которые помогут вам поддерживать резиновые крепежи двигателей в хорошем состоянии.а также ремонт и замена, если это необходимоМы также можем помочь вам обновить ваши подвески, чтобы они работали максимально эффективно.

Резиновые монтажи двигателей Упаковка и доставка:
Резиновые подставки для двигателей надежно упаковываются в картонные коробки. Коробки затем закрепляются лентой и помечены логотипом компании.Затем резиновые монтажи двигателя отправляются через страхового перевозчика., такие как FedEx или UPS, для обеспечения безопасной и своевременной доставки.