Усилитель стекловолокна иттербия наивысшей мощности
16 портов EYDFA с картами WDM PON
Описание
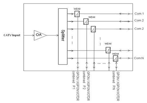
WHA5616 EYDFA может совместить 16 сигналов каналов GPON/XGPON и 16 каналов CATV осуществить передавать по мультиплексу разделения длины волны, которым нужно быть установленным в 2 слоты в платформе.
Диаграмма системной функции

Спецификации
|
Нет. |
Деталь |
MIN. |
Тип. |
Максимальный. |
Блок |
|
|---|---|---|---|---|---|---|
| 1 | Спецификации WDM GPON/XGPON1/OTDR+CATV оптически | |||||
| 1,1 | Диапазон длины волны порта CATV (λ1) | 1545- 1565 | nm | |||
| 1,2 | Диапазон длины волны порта PON (λ2) | 1260 до 1360 & 1480 до 1500 &1575 – 1581&1610 – 1660 | nm | |||
| 1,3 | Сила входного сигнала | -10 | 0 | 10 | dBm | |
| 1,4 | Сила выхода (каждый порт для 16 портов) | 16 | 19 | 20 | dBm | |
| 1,5 | Единообразие силы выхода (среди портов выввода) | dB ± 1 | dB | |||
| 1,6 | Стабильность силы выхода | -0,5 | 0,5 | dB | ||
| 1,7 | NF (In=1dBm, λ=1550nm) | 5,5 | 6,0 | dB | ||
| 1,8 | Порт вход-выхода утечки насоса @ | -30 | dBm | |||
| 1,9 | Порт вход-выхода изоляции @ | 30 | dB | |||
| 1,10 | PMD (рассеивание режима поляризации) | 0,5 | ps | |||
| 1,11 | PDG (увеличение поляризации зависимое) | 0,5 | dB | |||
| 1,12 | RL (оптически возвращенная потеря) | 50 | dB | |||
| 1,13 | Вносимая потеря (длина волны) IP @λ2 | 1 | dB | |||
| 1,14 | Направленность (p «r) | 50 | dB | |||
| 1,15 | Сила выхода регулируемая | Сила выхода может управлять dB 5 | ||||
| 2 | Спецификации интерфейса | |||||
| 2,1 | Оптически соединитель |
Порт входного сигнала CATV: SC/APC Порт входного сигнала GPON: LC/UPC Порт выввода COM: LC/APC |
||||
| 2,2 | Количество портов /output входного сигнала |
Входной сигнал CATV: 1 Входной сигнал GPON: 16 Выход COM: 16 |
||||
| 3 | Встроенные спецификации WDM | |||||
| 3,1 | Диапазон длины волны порта CATV (λ1) | 1545- 1565 | nm | |||
| 3,2 | Диапазон длины волны порта PON (λ2) | 1260-1360 & 1480-1500 &1575 – 1581 & 1616 -1660 | nm | |||
| 3,3 | Вносимая потеря | Диапазон пропуска | 0,8 | dB | ||
| Диапазон отражения | 0,6 | dB | ||||
| 3,4 | PDL (потеря поляризации зависимая) | 0,1 | dB | |||
| 3,5 | PMD (рассеивание режима поляризации) | 0,1 | Ps | |||
| 3,6 | Изоляция (Com→PON@λ1) | 15 | dB | |||
| 3,7 | Изоляция (Com→CATV@λ2) | 40 | dB | |||
| 3,8 | Passthrough сигнала PON когда EDFA поворачивает | 1577, 1270 &1310,1490 &1625/1650 | nm | |||
| 3,9 | Допуск силы | 26 | dBm | |||
| 3,10 | Постоянн выход | @ переменный входной сигнал: -6 | dBm +8 | ||||
| 5 | Другая ключевая информация | |||||
| 5,1 | Тип волокна | SM 9/125μm | ||||
| 5,2 | Бренд лазера насоса | JDSU | ||||
| 5,3 | Метод лазера охлаждая | Термоэлектрический охладитель (ТЕХНИЧЕСКИЙ) | ||||
| 5,4 | Продолжительность жизни EDFA | леты ≥10 | ||||
Примечание:
16 картам портов EYDFA нужно работать с платформой полных обслуживаний и занимать 2 слота.
