Водостойкий инвертор ZONCN Z5000 серии IP65
Управление PID: встроенное
Фильтр EMC: встроенный
| ИТМ | Z5000-BF | |
| Ввод | Номинальное напряжение, частота | 1PH/3PH AC 220V 50/60Hz; 3PH AC 380V 50/60 Гц |
| Диапазон напряжения | 220В: 170~240В; 380В: 330V~440V | |
| Выпуск | Диапазон напряжения | 220 В: 0~220 В; 380 В: 0~380 В |
| Диапазон частот | 00,10 ≈ 400,0 Гц | |
| Метод контроля | Управление V/F, Управление космическими векторами | |
| Указание | Рабочее состояние/определение сигнализации, интерактивное руководство, например, настройка частоты, частота выхода/текущий ток, скорость вращения, отказ и так далее. | |
| Спецификация контроля | Диапазон частоты выхода | 00,10 ‰ 400,00 Гц. |
| Разрешение настройки частоты | Цифровой вход: 0,01 Гц. | |
| Аналоговый вход:0,1% от максимальной частоты выхода | ||
| Точность частоты выхода | 00,01 Гц. | |
| Контроль В/Ф | Настройка кривой V/F для удовлетворения различных требований к нагрузке | |
| Контроль крутящего момента | Автоматическое увеличение: автоматическое увеличение крутящего момента в зависимости от условия нагрузки; Ручное увеличение: включить настройку 0,0~20% подъемного момента | |
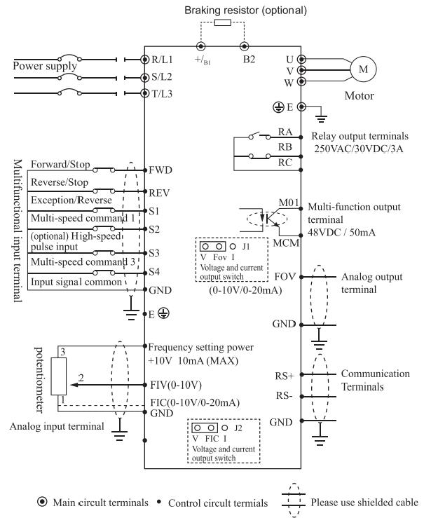
| Многофункциональный терминал ввода | 4 многофункциональных входных терминала, реализующих функции, включая 15 секций управления скоростью, выполнение программы, 4 секции переключателя скорости ускорения/замедления,Функция UP/DOWN и аварийная остановка и другие функции | |
| Многофункциональный выходный терминал | 1 многофункциональный выходный терминал для отображения хода, нулевой скорости, счетчика, наружной аномалии, работы программы и другой информации и предупреждений | |
| Настройка времени ускорения/замедления | Время ускорения/замедления 0~999,9 с может быть установлено индивидуально | |
| Другие функции | Управление PID | Встроенное управление PID |
| RS485 | Стандартная функция связи RS485 (MODBUS) | |
| Настройка частоты | Аналоговый вход 010В, 020МА может быть выбран; цифровой вход: вход с помощью настройки диагоналя панели управления или RS 485 или UP/DOWN | |
| Многоскоростной | 4 многофункциональных входных терминалов, 15 секций скорости могут быть настроены | |
| Автоматическое регулирование напряжения | Функция автоматического регулирования напряжения может быть выбрана | |
| Счетчик | Встроенная 2-я группа счетчиков | |
| Защитная функция | Перегрузка | 150%, 60s (постоянный крутящий момент); 120%,60s (переменный крутящий момент) |
| Перенапряжение | Защита от перенапряжения может быть установлена | |
| Под напряжением | Защита от напряжения может быть установлена | |
| Другие меры защиты | Выходное короткое замыкание, перенапряжение и блокировка параметров и так далее. | |
| Экология | Температура окружающей среды | ¥10°C~40°C ((незамерзающий) |
| Влажность окружающей среды | Максимум 95% (неконденсирующий) | |
| Высота | Ниже 1000 м. | |
| Вибрация | Максимум 0,5 г | |
| Структура | Режим охлаждения | Ниже 3,7 кВт без вентилятора; выше 5,5 кВт принудительное охлаждение воздухом |
| Защитная структура | Ниже 3,7 кВт IP 65, 3,7 кВт и выше IP54 | |
| Модель | Входное напряжение | Номинальная выходная мощность (кВт) | Номинальный входный ток (A) | Номинальный выходный ток (A) | Мощность двигателя (кВт) |
| Z5200A00D7K-BF | 1PH AC220V ±15% | 0.75 | 7.2 | 5 | 0.75 |
| Z5200A01D5K-BF | 1.5 | 10 | 7 | 1.5 | |
| Z5200A02D2K-BF | 2.2 | 16 | 11 | 2.2 | |
| Z5400A0D75K-BF | 3PH AC380V ±15% | 0.75 | 3.8 | 2.5 | 0.75 |
| Z5400A1D5K-BF | 1.5 | 5 | 3.7 | 1.5 | |
| Z5400A02D2K-BF | 2.2 | 5.8 | 5 | 2.2 | |
| Z5400A03D7K-BF | 3.7 | 10 | 9 | 3.7 | |
| Z5400A05D5K-BF | 5.5 | 15 | 13 | 5.5 | |
| Z5400A07D5K-BF | 7.5 | 20 | 17 | 7.5 | |
| Z5400A0011K-BF | 11 | 26 | 25 | 11 | |
| Z5400A0015K-BF | 15 | 35 | 32 | 15 | |
| Z5400A0018K-BF | 18.5 | 38 | 37 | 18.5 | |
| Z5400A0022K-BF | 22 | 46 | 45 | 22 | |
| Z5400A0030K-BF | 30 | 62 | 60 | 30 | |
| Z5400A0037K-BF | 37 | 76 | 75 | 37 | |
| - Что? | - Что? | - Что? | - Что? | - Что? | |
| Z5400A00160K-BF | 160 | 160 |





Вопрос: Какая у тебя сила?
О: Мы можем производить от 0,75 кВт до 160 кВт.
Вопрос: Какое входное напряжение?
Ответ: 110 В, 220 В, 380 В.
Вопрос: Какой уровень защиты имеет ваш VFD?
Ответ: от 0,75 кВт до 2,2 кВт - IP65, от 3,7 кВт и выше - IP54
Вопрос: Могу ли я протестировать образцы перед официальным заказом?
О: Да, вы можете купить образцы сначала для тестирования, никаких проблем.
Вопрос: Можно ли его использовать в плохой среде?
О: Да, его можно использовать в влажной, грязной, высоко загрязненной и другой плохой среде.